全球最实用的IT互联网信息网站!

AI人工智能P2P分享&下载搜索网页发布信息网站地图

当前位置:诺佳网 > 电子/半导体 > MEMS传感器 >

川土微电子推出CA-IS23101WH高精度隔离电流传感器

时间:2025-08-20 15:43

人气:

作者:admin

标签:

导读:在电机控制、新能源系统的复杂电磁环境中,传统电流检测面临共模干扰与隔离安全的双重挑战。川土微电子CA-IS23101WH高精度隔离电流传感器,以差分霍尔传感技术实现共模磁场抑制,...

电机控制新能源系统的复杂电磁环境中,传统电流检测面临共模干扰与隔离安全的双重挑战。川土微电子CA-IS23101WH高精度隔离电流传感器,以差分霍尔传感技术实现共模磁场抑制,5000V电气隔离保障系统安全,为工业提供高可靠、高精度电流检测解决方案。

01产品概述

CA-IS23101WH电流传感器是一款面向工业应用的高性价比隔离电流检测解决方案。该器件集成精密低失调线性霍尔传感器电路,通过在晶圆表面嵌入铜导电路径实现电流-磁场-电压转换:当被测电流流经铜导电路径时产生感应磁场,由集成霍尔IC捕获并转换为比例电压输出。其差分式电流检测机制可有效抑制共模磁场干扰,显著提升强磁场噪声环境下的检测精度。

CA-IS23101WH专为100A电流检测及空间受限型应用设计,采用10引脚宽体SOW10封装,额定工作温度范围为-40°C至+125°C。

02特性

差分霍尔传感,抑制共模磁场,磁滞近乎为零

优异的噪声性能与带宽表现,适用于快速控制环路或高速电流监测应用:400 kHz 带宽,1.2 μs 响应时间

提供两种版本,分别支持 3.3V 和 5V 应用

支持比例输出模式和固定输出模式。固定输出模式便于客户对基准电压 (Vref) 和输出电压 (Vout) 进行 ADC 差分采样,以降低外部共模干扰

支持双向和单向输出模式

支持 自检功能及多种诊断功能:过压保护 (OVP)、过温保护 (OTP)、过流检测 (OCD)、断线检测等

高精度

灵敏度误差:在 -40°C 至 +125°C 范围内,典型值 ±2.5%

非线性度:最大值 ±1%

对称性:最大值 ±1%

可调快速过流故障输出,典型响应时间 1 μs

封装:SOW10

66a6e5c4-7c1b-11f0-a18e-92fbcf53809c.png

03 应用领域

光伏发电:太阳能逆变器母线电流检测

工业电力:工业电源设备、UPS系统

电机控制:电机驱动器相电流监测

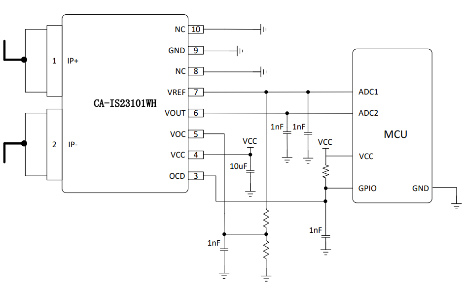
04 典型应用

66c324be-7c1b-11f0-a18e-92fbcf53809c.png

样品申请:

川土微电子已开放免费样品申请与技术方案支持,助力您的产品快速落地。

温馨提示:以上内容整理于网络,仅供参考,如果对您有帮助,留下您的阅读感言吧!
相关阅读
本类排行
相关标签
本类推荐

CPU | 内存 | 硬盘 | 显卡 | 显示器 | 主板 | 电源 | 键鼠 | 网站地图

Copyright © 2025-2035 诺佳网 版权所有 备案号:赣ICP备2025066733号
本站资料均来源互联网收集整理,作品版权归作者所有,如果侵犯了您的版权,请跟我们联系。

关注微信