全球最实用的IT互联网信息网站!

AI人工智能P2P分享&下载搜索网页发布信息网站地图

当前位置:诺佳网 > 电子/半导体 > MEMS传感器 >

电压电流传感器在光伏系统中的应用之-GFDI

时间:2025-07-17 16:25

人气:

作者:admin

标签:

导读:多个光伏电池(PV),通过串联和并联,就组成一个高压的光伏电池组。接上逆变器,就开始并网发电;接入MPPT,就开始给电池组充电,储能。600V及以上的高压PV有一个GFDI的要求。GFDI是...

多个光伏电池(PV),通过串联和并联,就组成一个高压的光伏电池组。接上逆变器,就开始并网发电;接入MPPT,就开始给电池组充电,储能。

600V及以上的高压PV有一个GFDI的要求。 GFDI是Ground Fault Detection Interrupter(接地故障检测与中断)的缩写。注意,它不是常见的漏电保护装置GFCI(Ground Fault Circuit Interrupter)。GFDI的目地,不是为了保护人生安全,而是为了防止因设备错误的接地而引起设备的各种故障-例如功率损失,幽灵电压,杂散电压等等。GFDI的目地是为了保护设备。

GFDI的核心思想是:

1、为了人生安全,最好是正端和金属外壳接地;但这会引起所谓的PID(电势诱导衰减)问题;

2、负极接地是抑制PID的有效手段;但这需要监测GFDI的漏电流,避免因错误的接地/或接地故障而导致短路。

GFDI的核心目标:检测直流侧异常的接地风险;UL1741、IEC62109等安全标准中也要求光伏系统电压≥600V时配备GFDI,且故障响应时间≤2秒。

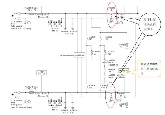
如下,是一种高压电池组的GFDI电路,它纯粹的靠机械式的Breaker来断开系统,起到因错误的接地而做保护。

优点很显著:可靠性高;

也有比较明显的缺点:1.成本高:得用专门的GFDI breaker,还引入了采购风险;2.响应时间慢(利用了电流通过电阻发热的效应来让Breaker脱扣,是个I2t的关系),检测精度也比较低。

wKgZPGh4sqCAOGy7AAm99OYMrcg388.png

针对上述产品的优、缺点,提出了如下一种改进的GFDI电路。其创新点,是引入闭环霍尔电流传感器,实时的监测漏电流,程序不断进行A/D转换并做逻辑判断,一旦大于某个限值(IEC的要求最低为5A。但此值的大小可以在程序中任意的设定),输出控制信号,迅速的让设备脱扣,整个响应时间不到100ms(0.1s),远远小于IEC的要求最低为2s。

wKgZPGh4sq6AVOGTAA0UiDKagKU564.png

现在来解释一下为何能在100ms( 0.1S )内就作出响应。

1.闭环霍尔电流传感器选用光伏、储能专用的芯森电子CM系列,例如CM2A、CM3A,0~200A量程,精度为0.3%。在做好零点消除;后端的采样、放大电路选用低温漂高精度的电阻、自校准等一系列措施后,精度可以轻松优于0.1%,甚至可以优于0.05%。

wKgZPGh4sraAF_vYAAL8hNvEDlQ165.png

2.器件的响应时间小于1us,这意味能精确测量、迅速的反应;

wKgZO2h4ssGAe4oWAAPCpFCriIQ278.png图中:di/dt=50A/us

以12Mhz主频,1T指令周期的8 Bit的8051内核的单片机为例,其完成一个A/D转换周期,最快,只需要约6us,最慢约35us,程序做判断按照需100条机器指令计算,约需要100 us=0.1ms。最终输出控制接触器的通断,接触器的动作时间最大约为60ms,合计一共最大需要约61ms;

完整的应用电路如下,每个子单元单独的验证过其精度,该电路也长期运行过,被证明其稳定可靠:

wKgZPGh4st6AIaK-AAd9SA5LqCU632.png

电源24V输入,带EMC保护部分,该设计能抗至少2000V的EFT和浪涌。主CPU为8051内核,带一标准的485接口。输出通过一个10A触点容量的继电器,去最终推动一个大电流的直流接触器,从而达到保护的目的。

电路的创新点是自带一个最大值检测并保持电路。测试表明,该单元电路能顺利检测到宽度仅10us的脉冲幅值并能保持至少10秒。程序只需要去定时读该点的A/D值即可,而无须担心会错过最大值的时刻,故不必在意单片机的运行速度。上述的电路,哪怕单片机的主频低至为1Mhz,整体的响应速度也会快于65ms,该单元电路为此处的一个亮点。

该CM2A/CM3A的霍尔电流传感器,其工作电压为±15V,这种工作电源,对于一个单片机系统来说,有可能不是很友好,因其只用单5V/12V电源,

在这种情况下,可以考虑芯森电子CS1V器件,见下图。该器件采用单5V电源供电,闭环霍尔,PCB安装,穿线式,最高测量到300A,该器件的响应时间,约为1.2 us。

用该器件作为测量GFDI的漏电流,也是一种不错的选择。仅需要注意的地方是:绝缘考虑,该种结构的器件,被测线的电压,不能太高;

wKgZO2h4svqAJZ2pAAOlfI5KthA439.png响应时间

wKgZO2h4sw6AYufyAAUwEmuHEdI774.png器件外观

温馨提示:以上内容整理于网络,仅供参考,如果对您有帮助,留下您的阅读感言吧!
相关阅读
本类排行
相关标签
本类推荐

CPU | 内存 | 硬盘 | 显卡 | 显示器 | 主板 | 电源 | 键鼠 | 网站地图

Copyright © 2025-2035 诺佳网 版权所有 备案号:赣ICP备2025066733号
本站资料均来源互联网收集整理,作品版权归作者所有,如果侵犯了您的版权,请跟我们联系。

关注微信