全球最实用的IT互联网信息网站!

AI人工智能P2P分享&下载搜索网页发布信息网站地图

当前位置:诺佳网 > 电子/半导体 > MEMS传感器 >

昆泰芯微电子KTM5900数据手册下载 24bit绝对角度磁

时间:2025-05-14 16:57

人气:

作者:admin

标签:

导读:昆泰芯微电子KTM5900数据手册下载 24bit绝对角度磁性编码器 高精度智能磁性传感器芯片 适配机器人...

昆泰芯微电子的KTM5900是24bit 绝对角度磁性编码器
集成高精度 TMR 传感器与一键非线性自校准;
集成双 16bit 2M SAR ADC

KTM5900 是一款 24bit 绝对角度 TMR 磁性编码器,构成一个高速高精度的非接触磁性编码
器模块。它具有最高 2M 采样速率的 16bit SAR ADC 读取传感器上的差分模拟正弦和余弦信
号的能力,可以通过其高速数字电路进行角度计算,并输出位置信息。

KTM5900 提供多种灵活的角度输出模式,满足不同应用需求。首先,它支持最高 36Mbps
SPI 绝对角度输出,SPI 同时可以用来配置 MTP(多次可编程存储器);此外,可编程的最大
65536 线 ABZ 正交脉冲增量输出,提供高分辨率和精准的位置信息;而且,KTM5900 支持
可编程最大 256 对极 UVW 增量输出;最后,KTM5900 支持 PWM 绝对角度输出。

KTM5900 有许多易用性功能,如自动线性校准,自动非线性校准,Z 信号标定(多 Z 信号选
择一个),多级对应用时绝对位置同步,运放增益可编程等。KTM5900 对其功能安全性进行
了一些优化,例如 SPI 角度输出具有 8 位 CRC 验证,以及集成了许多自诊断报警功能,如
TMR 输入正弦/余弦振幅异常、输入欠压等。

昆泰芯微电子KTM5900数据手册下载

*附件:KTM5900 24bit绝对角度磁性编码器.pdf

KTM5900 是一款通用绝对角度编码器芯片。它包含一系列功能模块,包括 TMR 传感器模块,
可调增益放大器,高速 SAR ADC 模块,细分器模块,修正校准模块,滤波器模块和一系列丰
富的接口模块,通过寄存器配置为所需分辨率的编码器。KTM5900 拥有广泛的输出选项,如
ABZ/UVW/PWM/SPI 接口。
该系统配备了自动校准和自适应功能,以纠正传感器偏移、正弦/余弦幅度匹配和相位正交,
确保最小的角度误差和抖动。此外,KTM5900 SoC 采用行业领先的 2MHz 16 位 SAR ADC,
以提高性能和精度。
KTM5900 的一个显著优势是其能够在正常操作期间自动检测和校正非线性误差,只需按下
一个按钮或发送一个 SPI 命令即可。此外,KTM5900 还集成了 256 点误差查找表,客户可
以通过光编对拖将非线性误差算出来写入 KTM5900,以提高输出绝对精度。内部集成高精
度 TMR 传感器,单对极磁铁组合成编码器,一键自校准和 256 点误差查找表的效果都可以
达到 INL≤0.025°。

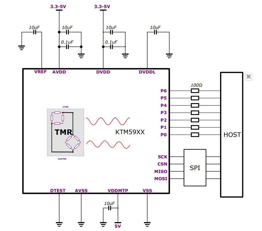
KTM5900 芯片功能框图

image.png

内部集成了高精度 TMR 传感器,模拟量输入后,
KTM5900 可以将其转化为绝对角度信息,并通过 ABZ、UVW、SPI 等接口输送给控制处
理器 HOST。P0-P5 端口可以任意编程为 ABZ,UVW 或其差分信号 ~ABZ、~UVW。需要注意
原理图中,推荐的电容是必要的,这有利于保证系统的精度和稳定性。

KTM5900 应用电路图

image.png

产品特点

  • 单对极细分角度最高可达 24bit
  • 同时支持在轴与离轴安装
  • 内部集成超高性能双 16bit 2M SAR ADC
  • 最大支持 36M SPI 角度输出及寄存器读写
  • 1-65536 线可编程 ABZ 增量输出
  • 1-256 对极可编程 UVW 增量输出
  • 独立 PWM 绝对角度输出
  • 集成自动线性校准与自动非线性校准
  • 单对极校准后 INL≤±0.025°
  • 集成可编程增益运放
  • 超高带宽输入,80M 内部主频,超低延时
  • 内部集成高精度 TMR 磁性传感器
  • 工作温度范围-40°C 至 125°C
  • 封装为 QFN32-5*5mm

据悉;昆泰芯微电子产品以磁性传感器芯片为龙头,产品线包括磁性传感器芯片、高性能传感信号调理芯片、光学传感器芯片以及温度传感器芯片等,其中3D霍尔芯片、高精度低延时角度TMR编码器芯片、近零功耗磁性开关等均为世界领先水平。产品广泛应用于机器人与自动化、智能人机交互、新能源及智能汽车等领域。

机器人的本质是一个有智能的物理设备,感知功能是其核心功能。他提到,机器人对传感器有四大要求:广度、可靠度、速度、精度。编码器作为其中一种关键传感器,在满足这些要求方面发挥着重要作用。

9bbc2de14db944f8aae6dc69a3d8d610~tplv-tt-shrink:640:0.image?lk3s=06827d14&traceid=2025051409073565B891E8F0AF401CE74F&x-expires=2147483647&x-signature=PPmVeMXhaBUoZ4vq9O92OhSd0VU%3D

据武建峰博士提到,编码器芯片有三大原理:磁性编码器原理、光学编码器原理、电感编码器原理。编码器芯片主要用于机器人关节的位置、速度反馈,以及灵巧手的精细操作控制,是实现低延迟(如5ms以下)感知-决策-执行闭环的关键硬件。

在人形机器人中,为了实现对运动状态的精准感知与控制,系统内部至少需要配备数十个编码器,用于实时采集各个关节的位置、速度和角度信息。具体来看:每个旋转关节2个编码器,典型需要14个关节14个编码器;每个线性关节1个编码器,典型需要14个关节有4个编码器;每只手有6个编码器,双手需要12个编码器。

7a2b8f8a7f124ce3a7150fd454f08f2c~tplv-tt-shrink:640:0.image?lk3s=06827d14&traceid=2025051409073565B891E8F0AF401CE74F&x-expires=2147483647&x-signature=gNB18obHEHRsMb3sNqp6GC1ZkkY%3D

仅从上述典型配置来看,一个人形机器人就至少需要44个编码器,而随着自由度增加或控制精度提升,实际所需数量还可能进一步增长。这也对编码器提出了更高的要求。特别是低延迟,“因为机器人都要衰老了,机器人的关节还没有感知到,这是不行的”,武建峰博士特别指出。

此外还有成本的挑战,“现在用最便宜的磁铁+芯片+结构,整个编码器做下来都要100元、200元。整个机器人成本,想要走进工厂的话,大概是两年普工的工资,如果低于这个成本(企业)就愿意用,高于这个成本就不愿意用。”他进一步提到。

昆泰芯推出了编码器创新解决方案KTM5900,具备以下优势:一键实现自校准、两级256点查表、线性/非线性补偿、0.05°精度、TMR技术,能够满足一键闭环自校准,修正由于磁铁、安装等引入的误差。此外,该产品已经通过功能安全性要求,具备2M采样速率SAR ADC,适用于高精度多对级磁铁离轴中空编码器等场景。

94d1db9120e44c16b1d4008b481c5516~tplv-tt-shrink:640:0.image?lk3s=06827d14&traceid=2025051409073565B891E8F0AF401CE74F&x-expires=2147483647&x-signature=IOJN0cLK8rpQPIHbHVagXJWJ4wo%3D

针对有高速需求,推出了创新解决方案 KTH78系列,这是一颗高速高分辨率霍尔角度传感器芯片,采样率,输出频率达到能够达到1μS的速度。

b9b1e3528d33469e86733a58fd1e6838~tplv-tt-shrink:640:0.image?lk3s=06827d14&traceid=2025051409073565B891E8F0AF401CE74F&x-expires=2147483647&x-signature=DXAmB46cci2bV7i3w%2Ft8zbPiI00%3D

温馨提示:以上内容整理于网络,仅供参考,如果对您有帮助,留下您的阅读感言吧!
相关阅读
本类排行
相关标签
本类推荐

CPU | 内存 | 硬盘 | 显卡 | 显示器 | 主板 | 电源 | 键鼠 | 网站地图

Copyright © 2025-2035 诺佳网 版权所有 备案号:赣ICP备2025066733号
本站资料均来源互联网收集整理,作品版权归作者所有,如果侵犯了您的版权,请跟我们联系。

关注微信