全球最实用的IT互联网信息网站!

AI人工智能P2P分享&下载搜索网页发布信息网站地图

当前位置:诺佳网 > 电子/半导体 > MEMS传感器 >

可穿戴产品的设计挑战及解决方案

时间:2025-06-03 14:42

人气:

作者:admin

标签:

导读:在我们的日常生活中,可穿戴电子产品已经无处不在。相比于最初的产品,如今的可穿戴设备不再只是独立的设备,从智能手表到智能眼镜再到医疗贴片,它们正在成为人们健康生活方...

在我们的日常生活中,可穿戴电子产品已经无处不在。相比于最初的产品,如今的可穿戴设备不再只是独立的设备,从智能手表到智能眼镜再到医疗贴片,它们正在成为人们健康生活方式的关键部分。

2025年的全球可穿戴设备市场有望进入全面转型阶段,主要有两个方面的原因:一是许多尖端技术诸如生成式人工智能、增强的连接性、新一代短距无线通信等正在走进现实生活;二是消费者对健康和健身跟踪的需求有了翻天覆地的变化。技术进步和不断变化的创新需求正在重塑该行业。

可穿戴设备的五大发展趋势

可穿戴设备正在成为健康监测不可或缺的工具。2025年,可穿戴设备的发展重点将放在先进的健康监测、人工智能(AI)驱动的个性化以及与智能家居和AR系统的无缝集成上。

趋势1:AI在可穿戴设备中的作用日益增强

人工智能正在迅速改变可穿戴技术的格局。健康跟踪一直是可穿戴设备的核心,但在2025年,人工智能驱动的可穿戴设备将变得更加智能和直观。

配备了下一代生物识别传感器的智能手表、戒指和其他可穿戴设备,其功能不再仅限于步数和心率监测,人工智能算法将为这些设备带来新的功能,包括连续血糖跟踪、水合监测和压力检测,可监测的生物体征将越来越多。例如,智能戒指被证明对睡眠跟踪特别有效,它可以更深入地了解佩戴者的睡眠质量、氧饱和度和夜间心率变异性。随着健康可穿戴设备变得更加智能,它们的作用将从简单地跟踪数据,跨越到在症状出现之前检测潜在的健康问题。此时,人工智能驱动的个人健康教练很可能成为游戏规则的改变者,以健身为重点的可穿戴设备将通过健康评分以及锻炼模式分析,为佩戴者提出健身计划、饮食调整等建议,甚至根据运动模式预测受伤的风险。

趋势2:智能手表成为腕戴式可穿戴市场重要推手

智能手表正在通过人工智能、健康监测和连接方面的创新推动可穿戴市场的发展。无创血糖监测是可穿戴技术中最受期待的突破之一,这项创新无需对手指进行点刺即可为用户提供实时血糖跟踪。据彭博社的报道,几家国际手机大厂正在大力投资这一功能,并着力将其整合到他们的下一代智能手表中。

趋势3:先进的传感器技术推动可穿戴设备创新

市场上对具有睡眠和压力监测的可穿戴设备的需求持续增长,可用于心电图、血氧和睡眠监测的先进传感器则是改变可穿戴健康跟踪功能的推动者。传感器技术的应用使得这些功能在各个价格范围内均变得越来越容易获得,从而实现更大的可穿戴设备的功能创新。

趋势4:智能眼镜和智能戒指成为市场新的增长点

极简主义和功能化是新一代消费品的发展趋势。智能眼镜和智能戒指凭借其轻巧的设计和创新的健康跟踪功能越来越受欢迎。尤其是智能戒指,正在成为下一个必备的可穿戴设备,可全天候自然佩戴的戒指更容易获取连续且准确的健康监测数据,这些小巧而强大的设备正在通过提供许多相同的功能如健康跟踪、非接触式支付和智能家居控制等向智能手表的市场地位发起挑战。

与此同时,性能得到极大改善的增强现实可穿戴设备正在重塑消费者对可穿戴技术的期望,2025年将是AR眼镜和混合现实耳机实现重大飞跃的一年。

趋势5:超越健康监测,与更大的生态系统整合

2025年的可穿戴设备将超越健康追踪成为物联网IoT)系统的核心,届时可穿戴设备通过与其他智能设备进行交互进而创建一个互联的生态系统。智能手表和智能戒指等设备现在正在展开与智能家居系统、增强现实(AR)平台甚至汽车系统的集成。例如,智能戒指或智能手表可以充当数字钥匙,允许用户在没有物理钥匙的情况下解锁车门或启动车辆。

可穿戴产品的设计挑战及解决方案

可穿戴电子设备的功能已经变得越来越强大,它们可以监测人类健康、活动和环境的各个方面。然而,这些设备也面临着电池寿命、数据隐私和网络带宽有限等挑战。

为了克服这些挑战并增强可穿戴设备的功能,设备中引入了边缘计算和AI/ML技术。通过运行AI/ML模型,可穿戴设备可以从数据中学习并执行识别、分类、预测和优化等任务,而不会产生额外的延迟、数据成本和功耗。同时,AI/ML算法还可以被用来拓展可穿戴设备的功能,如通过处理收集的生物特征数据检测佩戴者的心率、血压和氧饱和度等。

嵌入式微控制器MCU)和应用处理器可提供更强的处理能力,同时还能保持超低功耗以及足够小的封装尺寸,非常适合可穿戴设备方案。

STMicroelectronics的STM32U575xx器件属于超低功耗微控制器,已被很多可穿戴方案选用。这款MCU基于高性能Arm Cortex-M33 32位RISC内核,工作频率高达160MHz,内核中带有单精度FPU(浮点运算单元),支持所有ARM单精度数据处理指令和所有数据类型。此外,该内核还具备一套完整的DSP数字信号处理)指令集和增强应用安全的MPU(存储器保护单元)。在安全方面,这款器件提供了符合Arm TBSA(基于信任的安全架构)要求的安全基础,其中内置了实现安全启动、安全数据存储和安全固件更新所需的安全功能。

2af3782a-3b58-11f0-b715-92fbcf53809c.png

图:STM32U575xx器件电路原理图(图源:STMicroelectronics)

在处理核心之外,可穿戴设备还需要先进的电源管理,以实现长时间的电池运行和始终开启的功能。此外,这些设备需要使用小型可充电电池,并实现占地面积小的设计。

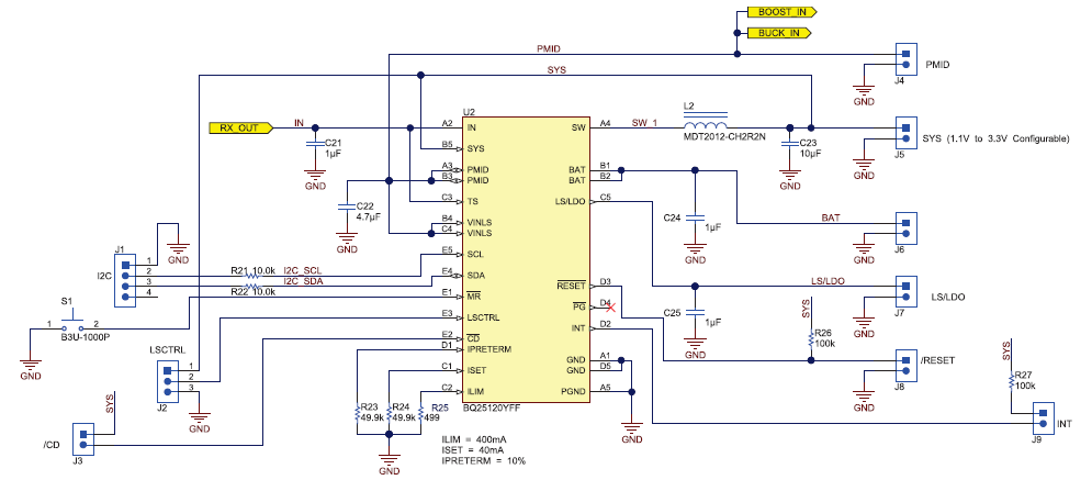
Texas Instruments的BQ25120是一款高度集成的电池充电管理解决方案,它集成了可穿戴设备最常见的功能:线性充电器、降压输出、负载开关LDO、带定时器的手动重置和电池电压监测器。运行和停机期间的低静态电流可有效延长设备的电池寿命,器件中的集成降压转换器是一种使用DCS控制的高效、低Iq切换器,可将轻负载电流降低到10μA。

2b040b04-3b58-11f0-b715-92fbcf53809c.png

图:利用BQ25120实现的电池充电器示意图(图源:Texas Instruments)

无论用户是在室内还是室外,人们都希望所用的可穿戴设备能够即时与网络或其他电子设备连接。在市场上众多低功耗无线技术中,蓝牙低功耗(BLE)技术已成需要长电池寿命的可穿戴设备的首选。BLE允许可穿戴设备轻松地与其他设备连接和通信,如智能手机、平板电脑、运动器材甚至其他可穿戴设备。随着越来越多的可穿戴设备开始添加音频支持,BLE在这方面的优势更加突出。在智能家居中,BLE增强的性能和覆盖范围可以促进可穿戴设备与家庭中许多物联网设备的高效通信。尤其是将支持边缘人工智能的MCU与BLE相结合时,可穿戴设备在我们的日常生活中将变得更加个性化、高效、安全和有用。

STMicroelectronics的超低功耗双核多协议无线STM32WBx5微控制器系列全部支持BLE5.4,部分产品还支持IEEE 802.15.4、Zigbee、Thread和并发无线标准。其中的STM32WB55微控制器非常适用于下一代智能可穿戴运动设备,其基于高性能Arm Cortex-M4 32位RISC内核,带有单精度浮点运算单元(FPU),支持所有ARM单精度数据处理指令和数据类型,同时还具备DSP指令集和增强应用安全的内存保护单元(MPU)。该器件支持BLE最新的数据通信技术,通过不同的传感器获取实时准确的数据采集。

2b1e884e-3b58-11f0-b715-92fbcf53809c.png

图:STM32WBx5系列超低功耗双核多协议无线MCU框图(图源:STMicroelectronics)

本文小结

从现在的角度看,前几年的可穿戴设备的功能实在太单薄了,甚至只能算作是一个具有健身追踪功能的便携式电子设备。随着技术的进步,今天的可穿戴设备已经进入到更小、更时尚、更智能的新时代,它们开始无缝地融入到我们的日常生活中。智能眼镜和智能戒指等新兴类别的设备越来越受欢迎,整个可穿戴设备市场发展迅速。

据Research And Markets的预测,可穿戴设备市场包括智能手环、智能戒指、智能手表等常见配件和血糖监测设备等医疗设备,预计到2028年将增长到1181.6亿美元,复合年增长率高达13.8%。

健康一直是可穿戴技术的主要关注点。接下来,时尚与技术的整合将使得可穿戴设备对广泛的受众更具吸引力,智能戒指有望成为健康跟踪人士的首选,AR可穿戴设备也开始变得实用并走入人们的生活中。与此同时,人工智能驱动的个性化和尖端的生物识别传感器技术正在推动以健康为重点的可穿戴设备的创新,它们将超越简单的跟踪,而是将其转变为主动的健康工具。

展望未来,可穿戴设备将变得更加先进和时尚,人工智能和机器学习使它们能够更好地预测用户需求,更长的电池寿命和更可持续的材料的整合将进一步完善这些设备,使其成为现代生活的重要组成部分。

温馨提示:以上内容整理于网络,仅供参考,如果对您有帮助,留下您的阅读感言吧!
相关阅读
本类排行
相关标签
本类推荐

CPU | 内存 | 硬盘 | 显卡 | 显示器 | 主板 | 电源 | 键鼠 | 网站地图

Copyright © 2025-2035 诺佳网 版权所有 备案号:赣ICP备2025066733号
本站资料均来源互联网收集整理,作品版权归作者所有,如果侵犯了您的版权,请跟我们联系。

关注微信