时间:2023-08-27 11:21
人气:
作者:admin
17位分辨率,<±0.04°角度重复精度, SPI / ABZ / UVW / PWM等多种接口。
2023年8月27日消息, 专注于隧道磁阻(TMR)技术的磁传感器制造商江苏多维科技有限公司 (MultiDimension Technology Co., Ltd., MDT)基于TMR技术,推出17位TMR磁性旋转编码器芯片TMR3107和TMR3108产品。该系列芯片是在多维科技车规级TMR角度传感器芯片的基础上,集成了信号调理、角度解算、SPI通讯等电路,实现了角度的数字输出。
产品特性
1
隧道磁阻(TMR)技术 ;
2
角度自动校准功能;
3
多接口:SPI,ABZ,UVW,PWM;
4
17位绝对式输出:SPI 通讯模式;
5
A/B 相输出脉冲数可编程:1 ~ 4096 线;
6
Z 脉冲宽度可编程:1 ~ 16384 LSB;
7
UVW 换向输出分辨率可编程:1 ~ 32 极对 ;
8
零位可编程 ;
9
角度绝对精度 < ±0.2°(典型工况) ;
10
角度重复精度 < ±0.04°(典型工况) ;
11
最高转速:40,000 RPM ;
12
供电电压:3.3 V ~ 5 V。
多维科技TMR3107和TMR3108磁性旋转编码器芯片具备优良的温度稳定性,在全温区(-40℃~125℃)范围,绝对角度精度优于±1°。该2款芯片的角度自动校准功能可极大地便利客户使用。
TMR3107电性能参数
	 
TMR3108电性能参数
	 
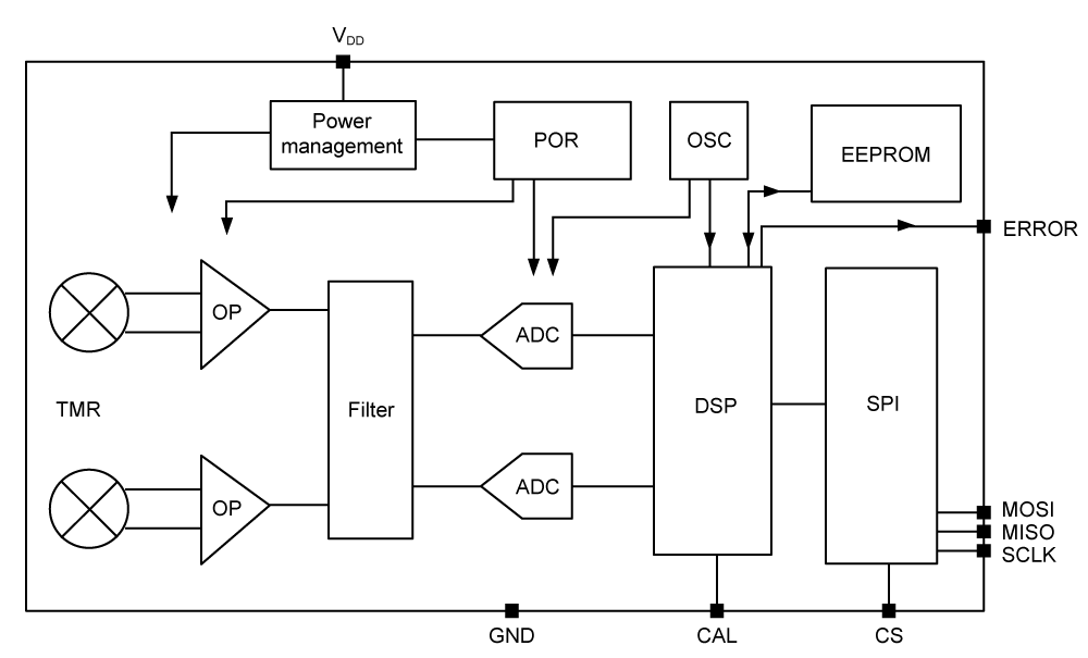
	多维科技TMR3107磁性旋转编码器芯片采用SOP8封装,配置了17位SPI绝对角度输出。
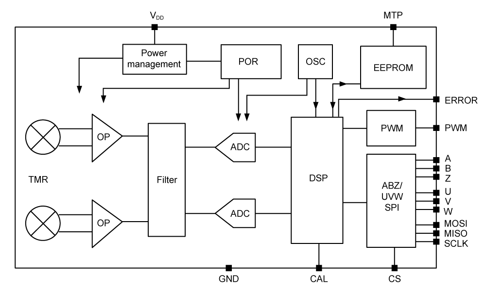
	TMR3108磁性旋转编码器芯片采用TSSOP16封装,除了具备17位SPI绝对角度输出外,还具备了ABZ增量输出接口,直流无刷电机所需的UVW 换相输出接口和脉宽调制信号(PWM)输出接口。
TMR3107(SOP8封装)、TMR3108(TSSOP16封装)
信号转换参数
	
多维科技TMR3107和TMR3108磁性旋转编码器芯片产品适用于BLDC无刷电机位置检测、转速检测、闭环步进电机位置检测,2500线增量式和17位绝对式伺服编码器及多种非接触式角度检测等应用。
TMR3107功能框图
	
TMR3108功能框图
	
产品选型表
	
	
	审核编辑:刘清
 
           
          https://file.elecfans.com/web1/M00/82/2B/pIYBAFw2-D