全球最实用的IT互联网信息网站!

AI人工智能P2P分享&下载搜索网页发布信息网站地图

当前位置:诺佳网 > 电子/半导体 > MEMS传感器 >

RTD温度传感器设计使用方法

时间:2023-06-24 11:11

人气:

作者:admin

标签:

导读:在模数转换器 (ADC) 将其数字化以供微控制器运行算法以补偿其包含的任何非线性之前,AFE 会放大和调节低振幅 RTD 信号。这通过通信接口将数字输出发送到过程控制器。...

模数转换器ADC) 将其数字化以供微控制器运行算法以补偿其包含的任何非线性之前,AFE 会放大和调节低振幅 RTD 信号。这通过通信接口将数字输出发送到过程控制器。 AFE 通常使用组件信号链实现,其中每个组件执行专用功能,如图 1所示。

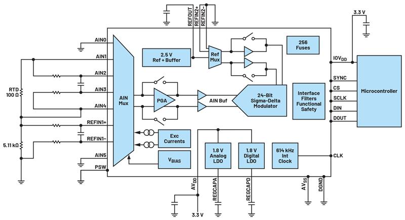
许多现有的温度传感器设计使用这种分立方法,需要足够大的印刷电路板(PCB)来容纳所有集成电路(IC)以及信号和电源路由的尺寸,并为传感器外壳设置事实上的尺寸。一种更出色且更直接的方法使用集成的 AFE,例如 AD7124-4 如图 5 所示。这款紧凑型IC是采用单封装的完整AFE,包括多路复用器、基准电压源、可编程增益放大器和Σ-Δ型ADC。它还为RTD提供激励电流,这意味着它可以有效地取代上图中的五个信号链元件,从而显著减少所需的电路板空间,并使传感器具有更小的外壳。

图2.使用AD7124-4实现AFE。

温馨提示:以上内容整理于网络,仅供参考,如果对您有帮助,留下您的阅读感言吧!
相关阅读
本类排行
相关标签
本类推荐

CPU | 内存 | 硬盘 | 显卡 | 显示器 | 主板 | 电源 | 键鼠 | 网站地图

Copyright © 2025-2035 诺佳网 版权所有 备案号:赣ICP备2025066733号
本站资料均来源互联网收集整理,作品版权归作者所有,如果侵犯了您的版权,请跟我们联系。

关注微信