全球最实用的IT互联网信息网站!

AI人工智能P2P分享&下载搜索网页发布信息网站地图

当前位置:诺佳网 > 电子/半导体 > MEMS传感器 >

运算放大器基础知识概述

时间:2023-06-14 09:08

人气:

作者:admin

标签:

导读:运放全称是运算放大器,它是一个差分输入、多级联、直接耦合、高增益的单芯片集成电路,搭配一些阻容器件能实现不同功能的运算电路,因而得名。...

01 定义

运放全称是运算放大器,它是一个差分输入、多级联、直接耦合、高增益的单芯片集成电路,搭配一些阻容器件能实现不同功能的运算电路,因而得名。运放有两个输入端、一个或两个输出端、正负电源供电端。

a7979638-0a48-11ee-962d-dac502259ad0.png

02 理想运放的特性

在做具体电路分析前,我们需要了解一下理想运放的基本特性:

1)开环增益无穷大,随便翻看一下运放的datasheet,开环增益基本都在100dB以上了;

2)输入阻抗无穷大,即没有电流流进运放的输入端;

3)输出阻抗为0,实际运放一般会有一个几十~几百欧姆的开环输出阻抗。

在了解运放上述的特性后,我们就要引出运放的“虚短”和“虚断”概念了:

1)虚断:因为运放的输入阻抗很大,我们可以认为没有电流流过,就像是开路一般,因此称为“虚断”。

2)虚短:在负反馈电路下,为了保证输出稳定,Uo=(U+ - U-)*Auo,我们可以认为U+和U-无限接近,就像短路一样,因此称为“虚短”。

虚断和虚短是分析所有运放电路最基本、最核心的理论假设,大家一定要掌握。

a7cc6426-0a48-11ee-962d-dac502259ad0.png

03 负反馈

学过控制理论的同学都知道,一个开环系统是没法稳定工作的。就以运放为例,运放的开环增益基本都在100dB以上,输入端稍微有点风吹草动,输出就爆了。因此运算放大器电路都会引入负反馈才能正常工作。如下图所示运放电路,我们利用虚断和虚短理论,可以很方便的计算输入和输出的关系。

根据虚短,Us=Ux;根据虚断,Ux=Uo/(Rf+R2)*R2;因此,推导得到 Uo=Us*(1+Rf/R2),是不是很简单?

a7eb9936-0a48-11ee-962d-dac502259ad0.png

04 特殊功能放大器

理论上可以使用标准运放实现任何运算、放大的功能,但是受限一些电路的复杂度、外围器件的精度等原因,自己搭建的特殊功能运放电路性能并不出众,因此器件厂家就会将这些常用的功能电路进一步集成,这就产生了功能放大器。

1)仪表放大器

其特点是极高的输入阻抗和极高的共模抑制比,因此特别适合作为传感器高精度、小信号调理电路的前级放大。

a8059f8e-0a48-11ee-962d-dac502259ad0.png

2)差动放大器

和标准运放的区别,就是将外围电阻集成到芯片中,激光校准电阻保证了电路增益精度的同时,又使电路具有较高的共模抑制比,很适合作为ADC的前级驱动电路

a8341c88-0a48-11ee-962d-dac502259ad0.png

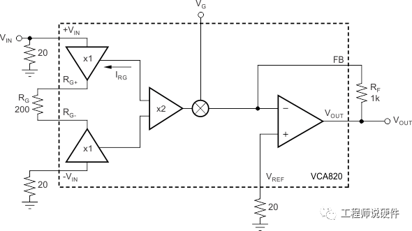
3)压控增益放大器

可通过外部电压Vg来连续控制放大器的增益,一般简称为VGA或VCA,有V/V线性和dB线性两种,也有正控制和负控制两种。一般在自动增益控制(AGC)系统中被普遍使用。

a84a922e-0a48-11ee-962d-dac502259ad0.png

4)程控增益放大器

顾名思义,可以通过程序来控制放大器的增益,一般简称为PGA。主要用于被测信号幅度不定且变化较大的场景,需要根据ADC的采样值去动态调整系统的放大倍数,使ADC的采样值在最佳范围之内。

a86f50f0-0a48-11ee-962d-dac502259ad0.png

特殊功能放大器还有很多,大家可以去TIADI模拟IC的官网查看,根据自己的设计需求选用。如下截取TI官网放大器的分类。

a888b02c-0a48-11ee-962d-dac502259ad0.png






审核编辑:刘清

温馨提示:以上内容整理于网络,仅供参考,如果对您有帮助,留下您的阅读感言吧!
相关阅读
本类排行
相关标签
本类推荐

CPU | 内存 | 硬盘 | 显卡 | 显示器 | 主板 | 电源 | 键鼠 | 网站地图

Copyright © 2025-2035 诺佳网 版权所有 备案号:赣ICP备2025066733号
本站资料均来源互联网收集整理,作品版权归作者所有,如果侵犯了您的版权,请跟我们联系。

关注微信