全球最实用的IT互联网信息网站!

AI人工智能P2P分享&下载搜索网页发布信息网站地图

当前位置:诺佳网 > 电子/半导体 > MEMS传感器 >

位到波束:5G毫米波无线电射频技术演进

时间:2023-06-14 14:19

人气:

作者:admin

标签:

导读:本文分为三大主题。在第一部分,我们将讨论毫米波通信的一些主要用例,为接下来的分析做铺垫。在第二和第三部分,我们将深入研究毫米波基站系统的架构和技术。在第二部分,我...
Thomas Cameron

当无线产业开始创建5G时,2020年显得那么遥远。而现在就快到2020年,这无疑将是属于5G的十年。新闻每天都会报道新的现场试验和即将进行的商业5G部署。对于无线产业来说,这是一个非常令人兴奋的时刻。目前,行业5G焦点主要在增强移动宽带方面,利用中频和高频频谱中的波束合成技术向更高网络容量和更高吞吐量发展。我们也开始看到利用5G网络架构低延迟特性的用例兴起,例如工业自动化

就在几年前,业界还在讨论在移动通信中使用毫米波频谱的可行性,以及规划无线电设计人员面临的挑战。^1^ 短时间内发生了很多事情,行业已经从最初的原型制作迅速发展到成功的现场试验,现在我们即将进行首次商业5G毫米波部署。许多初始部署将用于固定或移动无线应用,但不久的将来,我们还会看到真正的毫米波频率移动连接。第一个标准已经设立,技术正在迅速发展,对毫米波系统的部署也进行了大量学习。虽然我们已经取得了长足的进步,但对于无线电设计人员来说,还有诸多挑战。我们将在本文的其余部分探讨RF设计人员面临的一些挑战。

本文分为三大主题。在第一部分,我们将讨论毫米波通信的一些主要用例,为接下来的分析做铺垫。在第二和第三部分,我们将深入研究毫米波基站系统的架构和技术。在第二部分,我们将讨论波束成型技术,以及所需发射功率对系统前端技术选择的影响。当波束成型备受媒体关注时,同样重要的无线电在执行从位到毫米波频率的转换。我们将给出系统这一部分的信号链示例,并介绍部分ADI公司前沿组件供无线电设计人员考虑。

部署情形和传播注意事项

我们在开发技术时,务必了解技术最终的部署方式。在所有工程实践中,都有需要权衡的地方,而有更多的真知灼见,就会产生新颖的创新。在图1中,我们突出了目前在28 GHz和39 GHz频谱中探索的两种常见情景。

在这种情况下,基站位于电线杆或塔上,并需要覆盖大片区域才能产生积极的商业案例。在初始部署中,我们假设覆盖范围是室外到室外,是以客户终端设备(CPE)安装在户外,并且在设计链接时确保较佳无线连接。由于天线向下,而用户固定,我们可能不需要很大的垂直转向范围,但发射功率可能相当高,超过65 dBm EIRP,以较大限度地增加覆盖范围并利用现有的基础设施。

在图1b中,我们展示了一个密集的城市场景,基站将安装在建筑物屋顶或正面离地较低的位置,将来可能会发展成路灯或其他街道级安装。无论如何,这种类型的基站将需要垂直扫描功能,以便在整个建筑物的立面上传送信号,最终随着移动设备的出现,向地面上的移动用户(行人和车辆)传送信号。这种 情况下,传输功率可能不需要像郊区那样高,但是室外向室内穿透仍然要面对低辐射玻璃的问题。如图所示,在光束扫描范围内,无论是水平轴还是垂直轴,我们都需要更大的灵活性。总之,没有万能的解决方案。部署情形将决定波束合成架构,而架构将影响射频技术的选择。

表1. 5G基站示例| 28 GHz 800 MHz带宽下的链路预算 200米链路 | 下行链路(基站) | 上行链路 |

| ------------------------------------------------------------------------ | ------------------ | ---------- |

| 天线元件数 | 256 | 64 |

| 总传导PA功率(dBm) | 33 | 19 |

| 天线增益(dB) | 27 | 21 |

| Tx EIRP (dBm) | 60 | 40 |

| 路径损耗(dB) | 135 | 135 |

| 接收功率(dBm) | –75 | –95 |

| 热噪声层(dBm) | –85 | –85 |

| Rx噪声指数(dB) | 5 | 5 |

| SNR/Rx元件(dB) | 5 | –15 |

| Rx天线增益(dB) | 21 | 27 |

| 波束合成后的Rx SNR (dB)) | 26 | 12 |

现在,我们来看一个实际的例子,导出一个简单的链路预算来说明毫米波基站的发射功率要求,如表1所示。与蜂窝频率相比,附加路径损耗是毫米波频率要克服的主要障碍,但障碍物(建筑物、植物、人等)也是另一个需要考虑的主要因素。近年来出现了大量关于毫米波频率传播的报道,文章“第五代(5G)无线网络毫米波通信概述——以传播模型为重点"中对此做了很好地概述。 ^2^ 讨论并比较了数种模型,说明了路径损耗对环境的依赖性,以及视线(LOS)方案与非视线(NLOS)方案的对比情况。 我们在这里不进行详细讨论,我们通常可以说,考虑到所需的范围和地形,固定无线部署应考虑使用NLOS方案。在所举示例中,我们考虑在郊区部署200米范围的基站。根据NLOS室外到室外链接,我们假定这里的路径损耗为135 dB。如果我们尝试从室外穿透到室内,那么路径损耗可能高30 dB。相反,如果我们 假设一个LOS模型,那么路径损耗可能在110 dB左右。

在这种情况下,我们假设基站中有256个元件,CPE中有64个元件。在这两种情况下,通过硅实施均可满足输出功率。假定链路是不对称的,这在上行链路预算中起到了一定的缓解作用。在这种情况下,平均链路质量应允许在下行链路中进行64 QAM操作,在上行链路中进行16 QAM操作。如果需要,可以增加CPE 的发射功率至法定区域限制,以便改善上行链路。如果将链路范围延伸到500米,路径损耗将增加到大约150 dB。这是可行的,但会使上行链路和下行链路上的无线电变得更加复杂,功耗也将急剧增加。

毫米波波束合成

现在,我们来看一下各种波束合成方法:模拟、数字和混合,如图2所示。我相信我们都很熟悉模拟波束合成的概念,因为这个话题在最近几年的文献中多有提及。在这里,我们有数据转换器,将数字信号与宽带基带或IF信号相互转换,连接执行上变频和下变频处理的无线电收发器。在射频(例如,28 GHz) 中,我们将单个射频路径分成多条路径,通过控制每个路径的相位来执行波束合成,从而在远场朝目标用户的方向形成波束。这使得每条数据路径都能引导单个波束,因此理论上来说,我们可以使用该架构一次为一个用户服务。

微信截图_20200312083258.png

图2. 各种波束合成方法

数字波束成型就是字面意思。相移完全在数字电路中实现,然后通过收发器阵列馈送到天线阵列。简单地说,每个无线电收发器都连接到一个天线元件,但实际上每个无线电都可以有多个天线元件,具体取决于所需扇区的形状。该数字方法可实现较大容量和灵活性,并支持毫米波频率的多用户MIMO发展规划,类似于中频系统。这非常复杂,考虑到目前可用的技术,无论是在射频还是数字电路中,都将消耗过多的直流电。然而,随着未来技术的发展,毫米波无线电将出现数字波束合成。

近期实用、有效的波束合成方法是混合数模波束成型,它实质上是将数字预编码和模拟波束合成结合起来,在一个空间(空间复用)中同时产生多个波束。通过将功率引导至具有窄波束的目标用户,基站可以重用相同的频谱,同时在给定的时隙中为多个用户服务。虽然文献中报道的混合波束成型有几种 不同的方法,但这里显示的子阵方法是实际的实现方法,本质上是模拟波束成型的步骤和重复。目前,报告的系统实际上支持2到8个数字流,可以用于同时支持单个用户,或者向较少数量的用户提供2层或更多层的MIMO。

让我们更深入地探讨模拟波束成型的技术选择,即构建混合波束成型的构建模块,如图3所示。在这里,我们将模拟波束合成系统分为三个模块进行处理:数字、位到毫米波和波束成型。这并非实际系统的划分方式,因为人们会把所有毫米波组件放在邻近位置以减少损耗,但是这种划分的原因很快就会变得很明显。微信截图_20200312083305.png

图3. 模拟波束合成系统方框图

波束成型功能受到许多因素的推动,包括分段形状和距离、功率电平、路径损耗、热限制等,是毫米波系统的区段,随着行业的学习和成熟,需要一定的灵活性。即便如此,仍将继续需要各种传输功率电平,以解决从小型蜂窝到宏的不同部署情形。另一 方面,用于基站的位到毫米波无线电需要的灵活性则 要小得多,并且在很大程度上可以从当前Release 15规格中派生出来。^3^ 换言之,设计人员可以结合多个波束成型配置重用相同的无线电。这与当前的蜂窝无线电系统没有什么不同,在这些系统中,小信号段跨平台很常见,而且每个用例的前端更多都是定制的。

当我们从数字转向天线时,就已经为信号链绘制了潜在技术的进展图。当然,数字信号和混合信号都是在细线体CMOS工艺中产生的。根据基站的要求,整个信号链可以用CMOS开发,或者更有可能的是,采用多种技术的混合开发,为信号链提供较佳性能。例如,一种常见的配置是使用具有高性能SiGe BiCMOS IF 到毫米波转换的CMOS数据转换器。如图所示,波束成型可采用多种技术实现,具体取决于系统需求,我们将在下面讨论。根据所选的天线尺寸和发射功率要求,可以实现高度集成的硅方法,也可以是硅波束成型与离散PA和LNA的组合。

在之前的工作中,对变送器功率与技术选择之间的关系进行了分析,^4,5^ 在此不再全面重复。但是,为了总结这一分析,我们在图4中包含了一个图表。功率放大器技术的选择基于综合考虑所需的变送器功率、天线增益(元件数)和所选技术的RF发电能力。如图所示,可以在前端使用II-V技术(低集成方法)或使用基于硅的高集成方法,通过较少的天线元件来实现所需的EIRP。每种方法都有各自的优缺点,而实际的实现取决于工程在规模、重量、直流功耗和成本方面的权衡。为了为表1中导出的案例生成60 dBm的EIRP,演示文稿“5G毫米波无线电的架构与技术”^5^ 中进行的分析得出,较佳天线尺寸介于128至256个元件之间,较低的数量通过GaAs功率放大器实现,而较大的数量可采用全硅波束成型基于RF IC的技术实现。

The relationship between the required transmitter power, size of the antenna, and choice of semiconductor technology

图4. 60 dBm EIRP的天线所需的变送器功率、天线尺寸和半导体技术选择之间的关系5

现在让我们从不同的角度来研究这个问题。60 dBm EIRP是FWA常用的EIRP目标,但数值可能更高或更低,具体取决于基站和周围环境的期望范围。由于部署情形变化很大,无论是树木成荫的地区、街道峡谷地区,还是广阔的空地,都有大量的路径损耗需要根据具体情况进行处理。例如,在假定为LOS的密集城市部署中,EIRP目标可能低至50 dBm。

FCC按设备类别^3,6^ 设定有定义和发布的规格,以及发射功率限制,这里我们遵循基站的3GPP术语。^3^如图5所示,设备类别或 多或少地限定了功率放大器的技术选择。虽然这不是一门精确的科学,但我们可以看到,移动用户设备(手机)非常适合CMOS技术,相对较低的天线数量可以达到所需的变送器功率。这种类型的无线电将需要高度集成和省电才能满足便携式设备的需求。本地基站(小型蜂窝)和消费者终端设备(可移动电源)要求类似,涉及从变送器功率要求低端的CMOS到更高端的SiGe BiCMOS的一系列技术。中程基站非常适合SiGe BiCMOS技术,可实现紧凑的外形尺寸。在高端,对于广域基站来说,可以应用各种技术,具体取决于对天线尺寸和技术成本的权衡。尽管可在60 dBm EIRP范围内应用SiGe BiCMOS,但GaAs或GaN功率放大器更适合更高的功率。

Technology fit for various millimeter wave radio form factors based on transmitter power

图5. 基于变送器功率的各种毫米波无线电尺寸适配技术5

T图5显示了当前技术的快照,但行业正在取得很大进展,技术也在不断改进。如“5G毫米波无线电的架构与技术”演示文稿中所述,^5^ 提高毫米波功率放大器的直流功率效率是设计人员面临的主要挑战之一。

随着新技术和PA架构的出现,上面的曲线将发生变化,并将为高功率基站提供集成度更高的结构。演示文稿 ““近期高效毫米波5G线性功率放大器设计简短调查”^7^中很好地概述了PA技术的进展。

我们再复习一下上面的观点,对波束成型部分进行总结。目前还没有一种万能的方法,可能需要设计各种前端设计来解决从小型蜂窝到宏的各种用例。

毫米波无线电:从位到毫米波及从毫米波到位

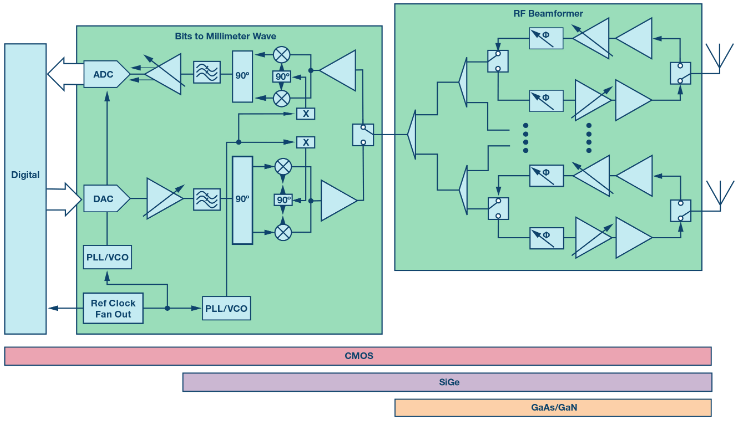
现在让我们更详细地讨论位到毫米波无线电,并探讨系统这一部分的挑战。关键是要将位转换为毫米波,再以高保真度转换回来,以支持64 QAM等高阶调制技术,以及未来系统中可能高达256 QAM的技术。这些新无线电的主要挑战之一是带宽。5G毫米波无线电名义上必须处理1 GHz或可能更高的带宽,具体取决于频谱的实际分配方式。虽然28 GHz下的1 GHz带宽相对较低(3.5%),但假设是3 GHz中频下的1 GHz带宽,那么设计起来就更具有挑战性,并且需要某种先进技术来实现高性能设计。

图6展示了一个基于组件的高性能位到毫米波无线电的方框图示例,构成ADI公司的宽RF和混合信号产品系列。该信号链经证实在28 GHz上支持连续的8× 100 MHz NR载波,具有出色的误差矢量幅度(EVM)性能。有关此信号链及其演示性能的更多详细信息,可参见ADI公司的 5G毫米波基站视频。^8^

Block diagram for broadband bits-to-millimeter wave radio

图6. 宽带位到毫米波无线电框图

让我们来讨论一下数据转换器。在图6的示例中,我们显示了所 使用的直接高中频变送器发射和高中频接收器采样,其中数据 转换器在中频进行发射和接收。在能够合理实现的情况下,中 频要尽可能高,以避免在RF下的图像滤波困难,从而将中频驱 动到3 GHz及以上。幸运的是,先进的数据转换器能够在这种频 率下工作。 AD9172 是一款高性能、双通道、16位DAC,支持高达 12.6 GSPS的采样速率。该器件具有8通道、15 Gbps JESD204B数据输入端口、高性能片内DAC时钟倍频器和数字信号处理功能, 支持带宽和高达6 GHz的多频段直接至RF信号生成。在接收器中,我们显示了双通道、14位、3 GSPS ADC AD9208。 该器件内置片内缓冲器和采样保持电路,专门针对低功耗、小尺寸和易用 性而设计。该产品设计支持通信应用,能够实现高达5 GHz的宽带宽模拟信号直接采样。

在发射和接收中频阶段,我们建议将数字增益放大器从单一转换为平衡,反之亦然,以避免使用巴伦。这里,我们在发射链中显示 ADL5335在接收链中显示 ADL5569 作为高性能宽带放大器的示例。

对于中频和毫米波之间的上变频和下变频,我们最近推出了一种 基于硅的宽带上变频器 ADMV1013和下变频器 ADMV1014。这些宽带变频器件的操作范围为24.5 GHz至43.5 GHz。此频率覆盖范围广泛,因此设计人员用一种无线电设计即可处理目前定义的所有5G毫米波频段(3GPP频段n257、n258、n260和n261)。两种器件 均支持高达6 GHz的中频接口和两种变频模式。如图6所示,这两种器件都包括片内4×本振(LO)倍频器,且LO输入范围为5.4 GHz至11.75 GHz。ADMV1013既支持从基带I/Q直接转换为RF,也支持从中频进行单边带上变频。它在24 dBm的高输出IP3提供14 dB的转换增益。如果在单边带变频中实现,如图6所示,该器件提供25 dB边带抑制。ADMV1014既支持从基带I/Q直接转换为RF,也支持镜像抑 制下变频至中频。该器件提供20 dB的转换增益、3.5 dB的噪声指数和–4 dBm的输入IP3。镜像抑制模式中的边带抑制为28 dB。

RF链中的最后一个组件是 ADRF5020 宽带硅SPDT开关。ADRF5020 在30 GHz时提供2 dB的低插入损耗和60 dB的高隔离度。

最后,我们来讨论频率源。考虑到本振可能占据EVM预算的很大一部分,因此使用一个相位噪声极低的来源来生成毫米波本振(LO)至关重要。

ADF4372是一种具有行业领先集成PLL和超低相位噪声VCO的宽带微波频率合成器,输出功率可达62.5 MHz至16 GHz。结合外部环路滤波器和外部基准频率使用时,可实现小数N分频或整数N分频锁相环(PLL)频率合成器。8 GHz的VCO相位噪声在100 kHz偏移时为–111 dBc/Hz,在1 MHz偏移时为–134 dBc/Hz。

图6中的方框图对于任何考虑28 GHz和39 GHz频段毫米波设计的设计人员来说都是一个很好的起点,适合与需要高性能宽带无线电的各种波束合成前端配合使用。ADI的 射频、微波和毫米波 产品选型指南 中也列出了许多组件,其他信号链架构或类似高频应用的设计人员可能会对这些组件感兴趣。

总结

最近几年,毫米波无线电发展迅猛,离开实验室发展到了现场试验,并将在接下来的几个月进行商业部署。不断发展的生态系统和新出现的用例要求波束合成前端具有一定的灵活性,但正如讨论的那样,有一些适合近天线设计的技术和方法可供选择。无线电的宽带特性(位到毫米波)需要前沿技术,但基于 硅的技术正在迅速发展,以满足混合信号和小信号域的要求。基于目前可用的组件给出了一个高性能无线电设计示例。

审核编辑:郭婷

温馨提示:以上内容整理于网络,仅供参考,如果对您有帮助,留下您的阅读感言吧!
相关阅读
本类排行
相关标签
本类推荐

CPU | 内存 | 硬盘 | 显卡 | 显示器 | 主板 | 电源 | 键鼠 | 网站地图

Copyright © 2025-2035 诺佳网 版权所有 备案号:赣ICP备2025066733号
本站资料均来源互联网收集整理,作品版权归作者所有,如果侵犯了您的版权,请跟我们联系。

关注微信