全球最实用的IT互联网信息网站!

AI人工智能P2P分享&下载搜索网页发布信息网站地图

当前位置:诺佳网 > 电子/半导体 > MEMS传感器 >

采用DS18B20温度传感器,五年不换电池

时间:2017-09-20 16:52

人气:

作者:admin

标签:

导读:在中高压开关柜中,由于铜排氧化腐蚀、螺栓松动引起温度升高,如果不及时维护将会造成重大的安全事故,一起来看看现场。...

在中高压开关柜中,由于铜排氧化腐蚀、螺栓松动引起温度升高,如果不及时维护将会造成重大的安全事故,一起来看看现场。

随着用电需求的不断增加人们对于用电安全也越来越重视,中高压开关柜的测温一直是人们关注的焦点。由于无线zigbee的技术越来越普及,这种方案很好的解决了中高压开关柜的铜排温度监控问题。但是这种方案也有缺陷,怎样做到低功耗以及小体积、快速开发一直限制着无线测温的应用。

开关柜中铜排布局紧凑不可能有较大空闲位置,一般都采用表带的方式进行安装,这种方式就要求温度采集模块体积做的非常小。由于现场不方便取电,所以多采用电池供电,整个温度采集模块使用寿命最少为3年,为了做到绝缘安全都采用胶水封死的方法导致更换电池也很不方便。一般无线温度采集多采用:MCU+zigbee+温度传感器,这种方案体积大、功耗大、开发繁琐,下面给大家介绍一种比较方便实用的方案。

图1 无线温度采集表带

一、zigbee+温度传感器一体化解决方案

为了降低功耗以及控制体积,不能增家额外MCU,所有的采集控制必须在zigbee模块中完成。为了zigbee模块休眠时整个系统不消耗电能,将温度传感器DS18B20设置成单线通信模式,当zigbee休眠时DS18B20不消耗电能。当zigbee模块唤醒采集时,zigbee与温度采集模块通信并同时给温度传感器DS18B20中的电容充电。用户可以通过上位机软件设置休眠唤醒时间,可以按照秒设置也可以按照分来设置。配置好后模块定时休眠,当模块唤醒后将温度采集通过zigbee网络传送给主节点,传送完成后再次进入休眠。此方案不仅功耗低而且体积小巧,再有大大缩短了用户的研发周期,用户只需关注自己主节点的研发,从节点只需通过配置即可。

图2 温度采集框图

zigbee模块以及电池被集成到一个表带当中,然后将表带绑在被测铜牌上,表带背面有开孔方便温度传感器与被测铜牌接触。

图3 现场安装图片

整个网络采用星型网络拓扑结构,开关柜中的智能控制开关作为主节点,温度采集表带作为子节点,子节点定时上传采集到的温度然后再次休眠。主节点之间通过RS-485网络相连,然后再通过GPRS DTU传送到监控后台。

图4 无线测温系统框图

二、核心部件:zigbee模块介绍

1、超小体积

本方案采用广州致远研发的低功耗小体积Nano型zigbee模块,如下图所示zigbee模块一般采用陶瓷天线,低功耗模块体积可以做到13.5mm*16.5mm,放在标准的表带中刚刚合适如果体积再大就有点放不了。整个模块采用邮票孔的方式高度正好合适,如果使用排针的方式再算上底板的厚度高度就显得太高了。

图5 zigbee模块体积

2、超度功耗

该模块不仅具有超小体积还具有超低功耗,如下表所小功率模块发送电流只有20mA,休眠状态下只有160nA按照2分钟唤醒一次理论可以工作5-6年时间。

图6 zigbee模块功耗

下图是同类产品功耗对比

图7 功耗对比

3、3.6V供电,无需其他电源模块

常用的ER14250H电池均为3.6V供电,ZLG致远电子的Nano模块支持3.6V供电,无需其他器件从而避免增加功耗增加体积。

图8 电池

4、支持上位机软件配置,产品开发速度快

Nano模块支持上位机软件配置,可以设置主节点的ID以及休眠采集时间,实现0代码控制。

图9 上位机软件配置

三、温度传感器介绍

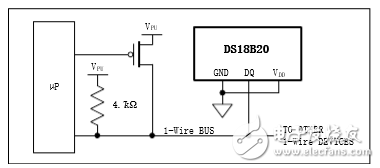
本方案采用DS18B20作为温度传感器,该传感器体积小便于安装,可以采用单线通信不需要额外的电源接口,zigbee模块休眠时DS18B20处于关断状态。

图10 单线供电

温馨提示:以上内容整理于网络,仅供参考,如果对您有帮助,留下您的阅读感言吧!
相关阅读
本类排行
相关标签
本类推荐

CPU | 内存 | 硬盘 | 显卡 | 显示器 | 主板 | 电源 | 键鼠 | 网站地图

Copyright © 2025-2035 诺佳网 版权所有 备案号:赣ICP备2025066733号
本站资料均来源互联网收集整理,作品版权归作者所有,如果侵犯了您的版权,请跟我们联系。

关注微信