全球最实用的IT互联网信息网站!

AI人工智能P2P分享&下载搜索网页发布信息网站地图

当前位置:诺佳网 > 电子/半导体 > MEMS传感器 >

直流屏故障防护的“哨兵”:芯森电子AS1V电流传

时间:2025-08-13 15:30

人气:

作者:admin

标签:

导读:直流屏是通过整流模块将交流电转换为稳定的直流电,为变电站、发电厂、IDC数据中心等场所的设备提供直流电源,在交流电源中断后,其蓄电池仍可持续给设备供电,以保护设备正常...

直流屏是通过整流模块将交流电转换为稳定的直流电,为变电站、发电厂、IDC数据中心等场所的设备提供直流电源,在交流电源中断后,其蓄电池仍可持续给设备供电,以保护设备正常运行。直流屏蓄电池一般采用多组蓄电池并联使用,在使用过程中如果电池组间出现短路或者容量差异过大,很容易引发相互“倒灌”电流,造成母排过热、熔断器熔断甚至设备损坏,那么,如何防止这现象发生呢?只需在电池组之间设置限流保护即可,本文探讨一种通过电流传感器在直流屏电池组间限流保护的可行技术路径。

直流屏并联电池的隐患与间限流保护需求

电池并联工作模式中,总电压与单个电池电压相同,总电流为各电池电流之和,例如4节12Ah,12V电池并联后,总容量为48Ah,总电压仍为12V。电池并联后在长期使用过程中,若存在电压差异,或者某一组内部短路,或者电池组老化导致电阻差异过大,或者人为误操作导致短路/短接等,在这些情况下,可能导致电流从高压电池快速流向低压电池,或者健康电池组会向故障支路快速充电或放电,瞬间电流可能远超额定值,如果缺乏有效的电流检测,可能在瞬间造成严重损坏。所以电池组之间要有限流保护,在发生过流瞬间,第一时间切断故障支路。

电流传感器与其它方案的优缺点

电流传感器方案:

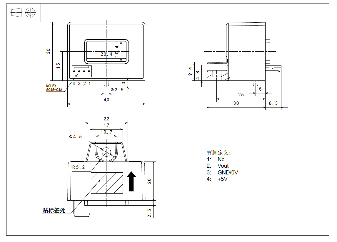
这里以芯森电子一款基于霍尔效应的开环电流传感器---AS1V系列为例,其能够对直流、交流及脉冲电流进行隔离测量。有如下特点:

  • 电气隔离安全:原边与副边之间交流耐压比较高有3.6kV,有效保障控制系统与高压侧的电气隔离。同时满足EN50178、IEC 61010-1等电气安全标准。
  • 快速响应:响应时间为5μs,能够在电池组过流的早期阶段及时输出相关信号,为保护动作争取足够时间。
  • 宽量程与高精度提供50A至800A多种额定型号(AS1V 50 H00、AS1V 100 H00、AS1V 200 H00、AS1V 300 H00、AS1V 400 H00、AS1V 500 H00、AS1V 600 H00、AS1V 700 H00、AS1V 800 H00),可覆盖不同容量的直流屏需求。其精度@ IPN达±1%,在-40℃至105℃的工作温度下温漂系数控制在±0.5%以内。
  • 安装灵活:母排过孔设计,方便直接穿过直流屏的母排进行测量,无插入损耗。
  • 结构简单,无反馈回路设计灵活。
  • AS1V系列100%国产化,国产替代成本较低

当然,缺点也是有的,测量精度较闭环电流传感器低,当受到温度、外部磁场干扰影响精度时,注意需要进行补偿。这里在直流屏上应用是没问题的。

wKgZPGicPtOAEbJUAAF7QMXnSeQ275.png

其它方案:

  • 保险丝方案成本很低,但其致命缺陷是滞后性,无法快速响应短路或突发大电流,无法立即切断电路;
  • 熔断器方案:熔断后无法自动复位,无法继续使用,需要人工更换,增加器件成本和维护成本;
  • 机械断路器的响应延迟,通常需要10-20毫秒;
  • 分流器方案的精度存在瓶颈:初始阻值偏差为1%或5%,温度系数(TCR),温漂大;
  1. 电流传感器在直流屏并联电池组中的限流保护应用

安装位置:在每组电池的正极或负极母排上安装电流传感器(结构线路图如下),实时检测流入或流出的电流。AS1V输出的模拟电压可直接接入控制单元或继电保护模块。正常运行时,电流信号保持稳定;一旦检测到瞬时过流,控制逻辑立即执行切断或限流动作。

wKgZO2icPtSAdJpZAAOo92zct9Y904.png

安装注意事项:

  • 量程选择:额定电流建议取正常最大工作电流的1.2~1.5倍;
  • 尽量让母排与传感器过孔紧密贴合,有助于提升动态响应特性。
wKgZO2icPtOAAyUWAADKBIUoDCw383.png
  • 尽量避免传感器信号线与强干扰电源线平行走线,以提高测量稳定性。
  • 在高温或高湿环境下,应加强散热与绝缘措施,防止性能下降。

结语

通过以上方案分析,在直流屏并联电池组限流保护中,快速、精准的电流检测是关键。电流传感器以微秒级响应速度、高精度低温漂、宽量程适配能力、高隔离无插入损耗等特性,称得上直流屏并联电池组故障防护的“哨兵”。

温馨提示:以上内容整理于网络,仅供参考,如果对您有帮助,留下您的阅读感言吧!
相关阅读
本类排行
相关标签
本类推荐

CPU | 内存 | 硬盘 | 显卡 | 显示器 | 主板 | 电源 | 键鼠 | 网站地图

Copyright © 2025-2035 诺佳网 版权所有 备案号:赣ICP备2025066733号
本站资料均来源互联网收集整理,作品版权归作者所有,如果侵犯了您的版权,请跟我们联系。

关注微信