全球最实用的IT互联网信息网站!

AI人工智能P2P分享&下载搜索网页发布信息网站地图

当前位置:诺佳网 > 电子/半导体 > EMC/EMI设计 >

电磁兼容测试:电快速瞬变脉冲群的抗扰度评估

时间:2024-11-08 12:37

人气:

作者:admin

标签:

导读:电快速瞬变脉冲群抗扰度测试电快速瞬变脉冲群抗扰度测试,遵循国家标准GB/T17626.4,等同于国际标准IEC61000-4-4,是一种专门用来评估电气和电子设备在面对电路中机械开关切换感性负载...
wKgZoWctlSOAS1I_AAC2XC4bWLs933.png

电快速瞬变脉冲群抗扰度测试

电快速瞬变脉冲群抗扰度测试,遵循国家标准GB/T17626.4,等同于国际标准IEC61000-4-4,是一种专门用来评估电气和电子设备在面对电路中机械开关切换感性负载时产生干扰的稳定性和性能的测试方法。

wKgZoWctlTGAVFj1AAMpRptw-sM694.png

电快速瞬变脉冲群的产生与影响

在实际操作中,当机械开关断开或闭合感性负载时,会产生一种特殊的电磁干扰,这种干扰以脉冲群的形式出现,具有高重复频率和快速上升沿。尽管单个脉冲的能量相对较小,但它们累积起来可能会对半导体器件的结电容充电,当电荷积累到一定程度时,可能会引发设备的误动作。因此,模拟这种干扰对于评估设备对电快速瞬变脉冲群的抗扰性能至关重要。

wKgaoWctlT2ASWDjAALEMT-O8C0136.png

wKgZoWctlVGAF5viAAAw4-Uve_4259.png

脉冲群测试标准

电快速瞬变(EFT)抗扰度测试是一种将由多个快速瞬变脉冲组成的脉冲群耦合到电气和电子设备的电源端口信号和控制端口的测试方法。通过观察设备在遭受这些脉冲干扰时的性能变化,可以评估设备在遭受这类暂态干扰时的性能表现。这种测试对于检验电子和电气设备在遭受重复性快速瞬变脉冲群干扰时的性能表现至关重要。

wKgZomctlWaAasqDAAGA72afdLQ246.png

wKgZomctlWuAXfrGAAIKsCMY4CE782.png

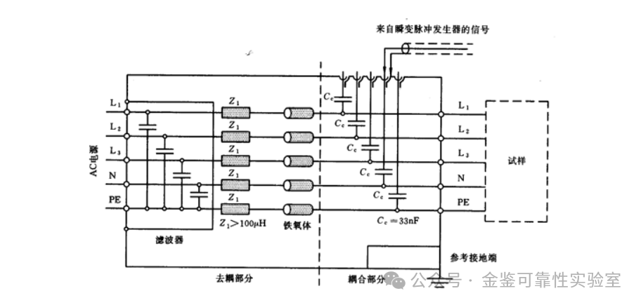
脉冲群发生器及测试环境

脉冲群发生器的基本线路和输出波形是测试的核心组成部分。电源线耦合/去耦网络能够在不对称条件下将试验电压施加到受试设备的电源端口,而耦合夹则可以在不直接电连接的情况下,将快速瞬变脉冲群耦合到受试线路上。这种耦合方式保持了干扰的共模性质,模拟了实际应用中的干扰环境。

产品的脉冲群防护设计

1. 抗扰度试验的挑战:电快速瞬变脉冲群抗扰度试验是所有抗扰度试验中难度较高的一种,其重复性和可比性相对较差。这要求测试人员必须具备高度的专业技能和经验,以确保测试结果的准确性和可靠性。

2. 共模干扰的处理:由于脉冲群抗扰度试验本质上是抗共模干扰试验,因此需要采取针对共模干扰有效的措施。例如,对于EFT干扰,电源入口的X电容可能不具有抑制作用,但Y电容可以发挥作用,将高频EFT旁路到外壳上,然后通过设备外壳和参考地之间的分布电容返回到信号源,避免干扰进入电路系统。

3. 干扰的传导与辐射:EFT干扰在传输过程中会以传导和辐射两种方式影响受试设备。传导和辐射的比例与电源线的长度相关,线路越短,传导成分越多,辐射比例越小;反之,辐射比例增加。这也是为什么具有金属外壳的设备相对于非金属外壳设备更容易通过测试的原因,因为金属外壳的设备具有更强的抗辐射干扰能力。

4. 干扰抑制方法:针对脉冲群干扰,最常见的抑制方法包括滤波和吸收。使用铁氧体磁芯吸收是一种经济有效的方案。辐射部分的量可以通过改变传输线缆的位置以尽量减小或增加屏蔽来控制,但辐射的可控性和显著性较差,只能通过在同等条件下进行比较试验来评估。

结论

电快速瞬变脉冲群抗扰度测试是评估电气和电子设备在面对电网中机械开关切换感性负载引起的干扰时性能的重要手段。通过这些测试,可以确保设备在实际应用中的稳定性和可靠性。这种测试对于提高产品的电磁兼容性能、减少电磁干扰对设备性能的影响具有重要意义。

温馨提示:以上内容整理于网络,仅供参考,如果对您有帮助,留下您的阅读感言吧!
相关阅读
本类排行
相关标签
本类推荐

CPU | 内存 | 硬盘 | 显卡 | 显示器 | 主板 | 电源 | 键鼠 | 网站地图

Copyright © 2025-2035 诺佳网 版权所有 备案号:赣ICP备2025066733号
本站资料均来源互联网收集整理,作品版权归作者所有,如果侵犯了您的版权,请跟我们联系。

关注微信