全球最实用的IT互联网信息网站!

AI人工智能P2P分享&下载搜索网页发布信息网站地图

当前位置:诺佳网 > 电子/半导体 > EMC/EMI设计 >

EMC:共模差模干扰知识大全

时间:2024-11-19 10:22

人气:

作者:admin

标签:

导读:什么是EMC 电磁兼容性(Electromagnetic Compatibility,简称EMC),是指设备或系统在其电磁环境中符合要求运行,并不对其环境中的任何设备产生无法忍受的电磁骚扰的能力。故EMC包括EMI和EMS两个...

什么是EMC

电磁兼容性(Electromagnetic Compatibility,简称EMC),是指设备或系统在其电磁环境中符合要求运行,并不对其环境中的任何设备产生无法忍受的电磁骚扰的能力。故EMC包括EMI和EMS两个方面的要求:

电磁干扰(Electromagnetic Interference ,简称EMI),可简单理解为,我的设备对别人的影响程度。即指设备在正常运行过程中对所在环境产生的电磁干扰不能超过一定的限值,具体有传导干扰和辐射干扰两种;

电磁敏感度(Electromagnetic Susceptibility ,简称EMS),可简单理解为,我的设备对别人干扰的容忍程度。即指设备对所在环境中存在的电磁骚扰所具有的抗扰度。

76ff8520-a01b-11ef-93f3-92fbcf53809c.png

电磁干扰EMI

CE 表示传导发射(Conducted Emission),即通过物理线路,对外部设备的影响。

RE表示辐射发射(Radiated Emission),即通过自由空间,对外部设备的影响。

Flicker表示电压波动与闪烁。

Harmonic表示谐波污染,即设备工作时注入到供电网中的谐波,或者说要求设备的功率因数不能过低。

771b86da-a01b-11ef-93f3-92fbcf53809c.png

电磁敏感度EMS

ESD表示静电放电(Electro-Static discharge),即设备或系统抗静电泄放干扰的能力。

Surge表示浪涌,即考察设备抗浪涌干扰的能力。这些瞬变骚扰是由于其他设备的故障短路,主电源系统切换,间接雷击等产生的干扰。

RS表示辐射抗扰度(Radiate Susceptibility),即设备抵抗射频辐射干扰的能力。

CS 表示传导射频抗扰度(Injected Currents Immunity),即设备抵抗传导骚扰的能力。

EFT/Burst表示快速脉冲群,即设备抗快速瞬变干扰的能力。这些瞬变骚扰是由于感性负载的中断等瞬变动作,导致脉冲成群的出现,脉冲重复频率高,上升时间短,单个脉冲能量低等会导致设备误动作。

Dips表示电压暂降或跌落。即衡量设备抗电压暂降和跌落的能力。

77308850-a01b-11ef-93f3-92fbcf53809c.png

对应标准

不同的设备使用场景,有着相对应的应用规范。故在进行EMC基础设计前,需先查看该产品相关的EMC要求规范,并对其敏感频段,进行重点关注。

应用 中国标准 欧盟标准 国际标准
工业医疗 GB4824 EN55011 CISPR11
音视频设备 GB13837/6 EN55013 CISPR13
家用设备 GB4343 EN55014 CISPR14
电气照明 GB17743 EN55015 CISPR15
信息技术 GB9254 EN55022 CISPR22
汽车电子 GB18655 EN55025 CISPR25

对于军用设备,通常采用GJB-151A《军用设备和分系统电磁发射和敏感度测量》标准,具体对应测试项目如下:

项目 名称
CE101 25Hz~ 10kHz电源线传导发射
CE102 10kHz~ 10MHz电源线传导发射
CE106 10kHz~ 40GHz天线端子传导发射
CE107 电源线尖峰信号(时域)传导发射
CS101 25Hz~ 50kHz电源线传导敏感度
CS103 15kHz~10GHz天线端子互调传导敏感度
CS104 25Hz~ 20GHz天线端子无用信号抑制传导敏感度
CS105 25Hz~ 20GHz天线端子交调传导敏感度
CS106 电源线尖峰信号传导敏感度
CS109 50Hz~100kHz壳体电流传导敏感度
CS114 10kHz~400MHz电缆束注入传导敏感度
CS115 电缆束注入脉冲激励传导敏感度
CS116 10kHz~ 100MHz电缆和电源线阻尼正弦瞬变传导敏感度
RE101 25Hz~ 100kHz磁场辐射发射
RE102 10kHz~ 18GHz电场辐射发射
RE103 10kHz~40GHz天线谐波和乱真输出辐射发射
RS101 25Hz~ 100kHz磁场辐射敏感度
RS103 10kHz~40GHz电场辐射敏感度
RS105 瞬变电磁场辐射敏感度

具体测试原理

EMC限值

一般而言,进行如CE、RE等EMC测试时,不同的测试规范指标,均会提供一张或多张类似的限值图。其纵坐标为dBuV,横坐标为频率,图中的黑色折线为限值幅度。dBuV=20LogV/Vref,其中,Vref=1uV。即,
40dBuV=100uV

774d2672-a01b-11ef-93f3-92fbcf53809c.png

传导发射(CE)

7770f192-a01b-11ef-93f3-92fbcf53809c.png

其中,EUT为待测设备,LISN为线路阻抗稳定网络,Measuring Receiver为测量设备。

传导发射的测量原理如下:当电子设备干扰噪声的频率小于30MHz, 电子设备的电缆对于这类电磁波的波长来说,还不足一个波的波长(30MHz的波长为10m),即向空中辐射的效率很低,主要依靠线缆向外传导发射,这样若能测得电缆上感应的噪声电压,就能衡量这一频段的电磁噪声干扰程度,这类噪声就是传导噪声。

传导干扰分类

传导干扰主要分为两类,分别是差模干扰和共模感染

差模干扰 ,电流在正负线上,大小相等方向相反,干扰频段主要为低中频段。

777fcf32-a01b-11ef-93f3-92fbcf53809c.png

共模干扰,电流在正负线上电流方向相同,需要借助于地线进行回流,干扰频段主要为中高频段。

77a6ec0c-a01b-11ef-93f3-92fbcf53809c.png

LISN线路阻抗稳定网络

LISN在待测设备及供电电源之间起高频隔离作用,避免来自供电电源的噪声进入EUT,影响测量结果;并.模拟实际的供电电源阻抗,为EUT的电源端子间提供规定的阻抗,以使测量结果统一化;还可将测试频段内的阻抗稳定为50欧,以实现与测量接收机/频谱分析仪的输入阻抗匹配。

线路阻抗稳定网络LISN的电路示意图如下:

77c745f6-a01b-11ef-93f3-92fbcf53809c.png

150KHZ下的阻抗:1uF:1.06ohm,50uH:47ohm,100nF:10.6ohm。1.5MHZ下的阻抗:1uF:0.106ohm,50uH:470ohm,100nF:1.06ohm。即高频时,50ohm测量阻抗占主导。

对于差模信号,总的阻抗为50Ω串联50Ω,共100Ω

77ed5c0a-a01b-11ef-93f3-92fbcf53809c.png

对于共模信号,总的阻抗为50Ω并联50Ω,共25Ω

78148032-a01b-11ef-93f3-92fbcf53809c.png

准峰值与平均值

由于EMI为交流信号,故在LISN中会对干扰信号进行整流,将交流信号变为直流信号。在测量数值上,我们将测量值分为准峰值和平均值。两种测量值的测量方式也略有不同,具体测量电路如下:

78457d5e-a01b-11ef-93f3-92fbcf53809c.png

以CISPR22 CLASSB传导限值为例,对应的测量标准如下图所示:

7866a63c-a01b-11ef-93f3-92fbcf53809c.png

准峰值会比平均值高10dB,但平均值因滤波时间长度较大,故测量速度也较慢。除了标准的准峰值与平均值外,我们在进行实际测试时,往往还会进一步提供测量要求(如进一步降低3dB或6dB),以作为设备的实际要求,以保证批量设备性能指标的一致性。

辐射发射(RE)

788ce946-a01b-11ef-93f3-92fbcf53809c.png

其中,EUT为待测设备,Turntable为旋转转台,Antenna为测量接收天线,Test Receiver为测量设备。

辐射发射的测量原理如下:当天线的总长度大于信号波长λ的1/20,会向空间产生有效的辐射发射,当天线的长度为λ/2的整数倍时,辐射的能量最大。当噪声频率大于30MHz时,电子设备的电缆,开孔、缝隙都容易满足上述条件,形成辐射发射。旋转转台需要旋转待测设备,将设备的不同角度对准测量天线;并且,测试天线也需要调整至不同高度,对设备辐射进行测量。

如何解决CE超标问题

差模or共模超标?

当传导发射超限值时,如何区分超标是差模量超标还是共模量超标呢?

如果为三线系统,由于共模干扰需要借助于地线进行回流,故可通过断开系统的地线连接的方式进行测量分析,即为剩余的差模分量。

78b8400a-a01b-11ef-93f3-92fbcf53809c.png

如果为两线系统,共模干扰也可能通过寄生电容等方式进行回流,只是相对而言阻抗较大。针对这种情况,可通过在输入端口外添加一个较大的X电容,尽可能降低设备的差模分量,测量结果基本上仅为共模分量。

78d73730-a01b-11ef-93f3-92fbcf53809c.png

差模信号产生原因

对于一个待测设备,隔离电源前的电路可简化表示为下图。

7901dc88-a01b-11ef-93f3-92fbcf53809c.png

在左侧的LISN回路中,回路的阻抗很低,主要是100Ω。Vdm主要取决于电路中的ESL、ESR和MOS管的di/dt。

故通常加入差模电感与差模电容对差模信号进行抑制。L1和C1构成低通滤器, L1通常几十到几百uH,或者是共模电感的漏感;C1通常是0.1uF到1uF(低ESR、ESL)。这是由于通过差模电感的电流量较大,当电感取值较大值时,电感的体积也较大。故使用较大的电容和较小的电感。

79204c18-a01b-11ef-93f3-92fbcf53809c.png

当后级电路功率较大,差模信号则也越大,一级的LC滤波器可能无法进行有效抑制。故可考虑增加多级级联的LR滤波器对差模信号进行抑制。

差模滤波器干扰

当差模干扰量超出限值时,一般会考虑加大LC滤波。但实际应用中,却会出现,加大电容C,没有太大改善,继续加大,甚至导致差模干扰恶化。

这可能是由于LC差模滤波器所构成的电流环,被空间中辐射的电磁信号被干扰了。

793b3a00-a01b-11ef-93f3-92fbcf53809c.png

空间中的辐射源可能是存在漏磁的反激变压器,或是电路中存在的高频电流环等。

795e9e64-a01b-11ef-93f3-92fbcf53809c.png

这就要求在实际设计过程中,C1要尽可能靠近输入口;使用双绞线至插座;并将C1放入屏蔽腔。

共模信号产生原因

对于一个待测设备,隔离电源前的电路可简化表示为下图。

79805d1a-a01b-11ef-93f3-92fbcf53809c.png

漏极到机壳地之间,存在着寄生电容C3;变压器的原边与副边,存在着寄生电容C3;在副边与地之间,存在着寄生电容C4。

在左侧的LISN回路中,回路的阻抗很低,主要是25Ω。又因为在电路中存在着较高的dv/dt时,会产生共模信号干扰,并以寄生电容作为信号回路,且只要有着很小的寄生电容,共模干扰就会超标。

故通常在电路中插入共模电感与共模电容对共模信号进行抑制。T2C1C2构成低通滤波电路,C1C2受漏电流限制(1nF到4.7nF),T1T2通常1mH到10mH。这是由于当共模电容较大时,会导致电路至机壳地之间的漏电流较大,故共模电容的大小取决于漏电流的限制;而又由于共模电路相对较小,故使用较大的电感量,也可以做到较小的体积。

79a5d4c8-a01b-11ef-93f3-92fbcf53809c.png

同理,当当后级电路功率较大,共模信号则也越大,一级的LC滤波器可能无法进行有效抑制。故可考虑增加多级级联的LR滤波器对差模信号进行抑制。

共模信号抑制的方法

在电路地回线与机壳地之间跨接一个电容C5。C5为共模电流提供最直接的返回路径;C5和漏级到壳的寄生电容构成分压网络,假设C5为寄生电容的10倍,则共模电流变成原来的1/10。

79c0f686-a01b-11ef-93f3-92fbcf53809c.png

减小漏极到机壳地之间的寄生电容Ccm,具体方法为将MOS管的散热器接至静点,一般会选择接至电路地回线,散热器不能连接机壳地

减小MOS管漏极PCB走线到机壳地的机身电容;减少变压器原边和副边间的机身电容。

79df243a-a01b-11ef-93f3-92fbcf53809c.png

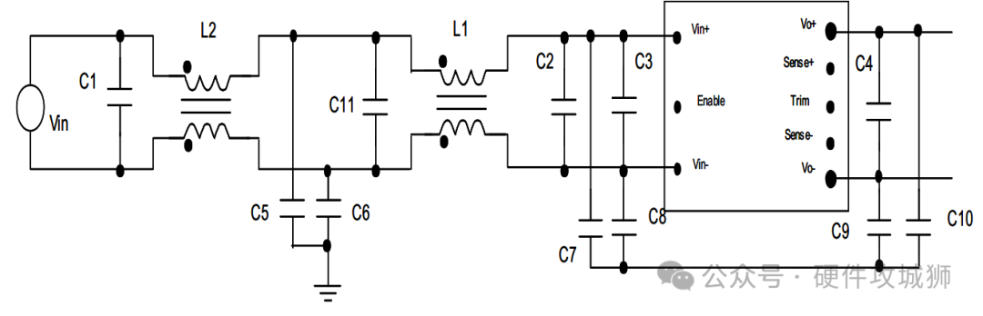
典型应用电路举例

电源模块噪声产生原因

电源模块运行时会产生辐射和传导两种电磁干扰噪声。辐射噪声主要源于模块中的电压和电流的快速变化,而电压和电流的快速变化又是源于功率开关器件的开启和关断,同时模块的机械结构也对辐射噪声有一定的影响。一般模块设计中采用吸收器(Snubber)减小功率器件开关时由于快速变化的电压和电流产生的高频震荡。当选用金属基板时,将金属基板接地或者是接到电位相对稳定的点上就可以起到一定的屏蔽效果。

传导噪声又可细分为差模噪声和共模噪声。差模噪声出现在输入及输出正负引脚之间, 主要在输入端;电源模块中的功率开关器件的脉宽调制(PWM)是产生此类噪声的根源。共模噪声出现在输入及输出引脚与地之间,其强弱与诸多内外在因素相关。为进一步减少噪声干扰,应用中一般需要加外部差模和共模滤波器。电磁干扰是一个系统问题,受模块以外的诸多因素影响,如机柜设计、使用模块的电路板的布线设计等;故滤波器的结构和滤波元件的参数均可能因系统的不同而有一定的差异。

典型EMC推荐电路

79ebae1c-a01b-11ef-93f3-92fbcf53809c.png

C1, C2, C3,和 C4 为差模滤波电容。其中 C2 应为低等效串联电阻(ESR)的较大容量的电容(如电解电容);C1,C3,和 C4 一般均为等效串联电阻和等效串联电感 (ESL)都很小的陶瓷电容,为高频噪声电流提供低阻回路。关于C2 容量的选择,对输入最低电压为 36V 的模块,建议每100 瓦输入功率用 33-100uF;对输入最低电压为 18V 的模块,建议每 100 瓦输入功率用 100-330uF。电容的电压等级应大于最高的输入电压。C2 还须有足够的电流定额以满足高温大负载长期运行的需要。C2 的主要功能是防止模块输入端的供电电源输出阻抗过高,以保证在各种实际的条件下模块均能稳定运行。如果供电电源的输出阻抗较低,距离模块较近, C2 的容量也可以适当减小。C2 在保证稳定性的同时也为模块产生的输入纹波电流提供了一个通路。电容 C7 - C10 是共模高频去耦电容,容值通常在 10nF 至 0.1uF 之间。根据输入输出接地的方式不同,这些电容中有些须为高压电容。在大多数应用中,增加输出电容 C4 可以改进输出动态响应和减少输出引线电感引起的电压振荡。通常这些输出电容也应为低等效串联电阻的电容(如陶瓷电容)。L1, L2 需要根据实际的输入电流和系统实际 EMC 要求来选取,一般从几十 uH 到几百 uH不等。

EMC解决对策

EMI问题的解决步骤

EMI问题的解决,主要有以下几个步骤:

找出重要的EMI干扰源

找出关键路径

寻找合适的IC和优化PCB布局

增加EMI滤波器、吸收电路、屏蔽等

7a0ad36e-a01b-11ef-93f3-92fbcf53809c.png

常见EMI处理对策

MOS管slew rate控制(门极驱动电阻、漏源极snubber)

MOS管二极管电流斜率控制(磁珠)

减小磁场天线效应(找出di/dt环并减小、变压器加腰带)

减小电场辐射(找出dv/dt并找出寄生耦合电容并减小、变压器做屏蔽、Y电容等)

滤波器(差模filter、共模filter、高频磁珠)

采用抖频技术

电源EMC设计检查清单

具体在进行电路设计时,需要考虑如下几个设计要求:

7a28e976-a01b-11ef-93f3-92fbcf53809c.png

温馨提示:以上内容整理于网络,仅供参考,如果对您有帮助,留下您的阅读感言吧!
相关阅读
本类排行
相关标签
本类推荐

CPU | 内存 | 硬盘 | 显卡 | 显示器 | 主板 | 电源 | 键鼠 | 网站地图

Copyright © 2025-2035 诺佳网 版权所有 备案号:赣ICP备2025066733号
本站资料均来源互联网收集整理,作品版权归作者所有,如果侵犯了您的版权,请跟我们联系。

关注微信