全球最实用的IT互联网信息网站!

AI人工智能P2P分享&下载搜索网页发布信息网站地图

当前位置:诺佳网 > 电子/半导体 > EMC/EMI设计 >

图腾柱PFC的传导电磁干扰对策指南

时间:2024-12-17 18:13

人气:

作者:admin

标签:

导读:随着开关电源的广泛应用,开关电源的整流和滤波过程会产生大量的高次谐波,导致电流波形严重畸变,进而引起电磁干扰(EMI)和电磁兼容(EMC)问题。因此,功率因素校正(PFC)技术应...

本文作者:Neo Chen,安森美应用工程经理

随着开关电源的广泛应用,开关电源的整流和滤波过程会产生大量的高次谐波,导致电流波形严重畸变,进而引起电磁干扰(EMI)和电磁兼容EMC)问题。因此,功率因素校正(PFC)技术应运而生。

PFC技术旨在校正电流波形,使其与电压波形保持同相,从而提高功率因子和减少谐波干扰。另一方面,电源供应器通常需要通过CISPR32或是EN55032的标准。这些标准的主要目的是确保信息技术设备在运行过程中不会对其他设备造成有害干扰,同时也能抵抗外界的电磁干扰。CISPR32/EN55032测试项目分成两类,传导干扰以及辐射干扰。

此外,根据产品使用环境的类型将标准分为两类,主要用于住宅环境的任何设备都必须符合B类限制;所有其他设备必须符合A类限制。图1为传导干扰限值曲线。

a0499554-bb9d-11ef-8732-92fbcf53809c.png

图1.CISPR32/EB55032传导干扰限值曲线

早期PFC技术主要使用桥式整流器加上升压型PFC转换器(BoostPFCConverter)。由于桥式整流器的存在,在转换器工作时始终有两个二极管同时导通。在高功率应用中,这个固定损耗由于电流提升而增加,影响了效率的近一步提升。

现今电源供应器市场为因应全球减碳活动,已经将效能目标设定为更高效率、减少损失、节省能源、降低成本、提高系统容量为主。图腾柱PFC由于其结构简单且元器件数量少,可以在较小的体积内提供更高的功率密度。同时,宽能隙半导体材料如氮化镓(GaN)和碳化硅(SiC)开始导入设计,这些材料具有更低的导通电阻和更快的开关速度,进一步提高了效率和功率密度。因此,图腾柱PFC被广泛应用于各种高效能和高功率密度的电源系统中,如服务器电源、5G通信电源、电动车充电器以及工业电源。

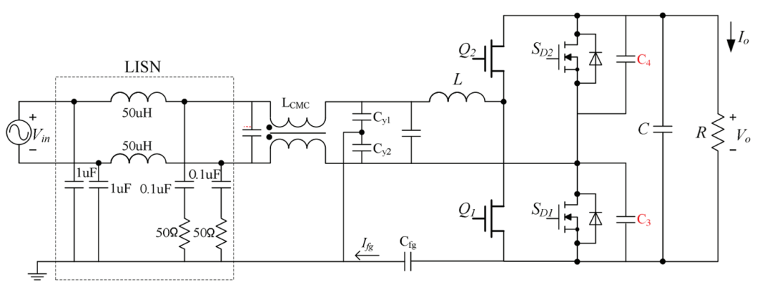
图腾柱PFC由两个半桥开关构成,其中一个半桥作为整流桥,负责电容负端至输入端地回流路径,使用普通低RDS(ON)的MOSFET即可。另一组半桥负责Boostconverter 的充放电切换,可以由SiC/GaNFET 等反向恢复时间短的功率晶体组成。

如图2所示,电路的工作原理主要分为正半周和负半周两个部分。正半周(VAC>0):当Q1导通时,电感电流上升,电感进行储能。接着Q1断开,电感开始释放能量,电感电流下降。此时,Q2的体二极管在死区时间内顺向导通,接着,Q2导通,减少体二极管造成的功率损耗。正半周时,SD2为常开状态,SD1为常闭状态。负半周(VAC<0):当Q2导通时,电感电流上升,电感进行储能。接着Q2断开,电感开始释放能量,电感电流下降。此时,Q1的体二极管在死区时间内顺向导通,接着,Q1导通,减少体二极管造成的功率损耗。正半周时,SD1为常开状态,SD2为常闭状态。

a06b6f44-bb9d-11ef-8732-92fbcf53809c.png

图2.图腾柱PFC工作原理

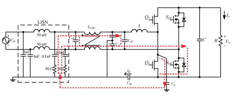
然而,图腾柱PFC在提高效率和功率密度的同时,也面临着电磁干扰(EMI)问题。其中,共模噪声是该拓朴的主要干扰源。通常是由功率组件的高速切换产生的高频噪声,这种噪声可以透过寄生电容耦合到框架接地(frameground,FG),从而产生共模噪声。

如图3所示,Q1的高频开通和关断动作产生高压变化dv/dt,成为噪声源。噪声电流流经寄生电容Cp,然后流过LISN。为了降低噪声电流流过LISN,可在FG与PFC输出电容的接地端(GND)加入电容器Cfg,该电容可视为Y电容器,为开关噪声提供低阻抗。

a082a1b4-bb9d-11ef-8732-92fbcf53809c.png

图3.高频开关切换造成的噪声源及其传导路径

另一方面,如文献所述[1],在图腾柱PFC电路中,一个典型的控制问题是AC电压过零点切换。当AC电压处在正半周期时,且接近AC过零点时,Q1为主开关,由于输入电压很小,所以其占空比会达到接近100%(Q2占空比接近0),而SD1在此半周期一直导通。

当AC电压过渡到负半周期时,Q2为主开关,由于输入电压很小,所以其占空比接近为100%(Q1占空比接近0),此阶段SD2会由关断变为导通,则当Q2一导通时,SD1的寄生输出电容Coss会很快放电,除了产生反向电感电流尖峰,由于剧烈的高压变化dv/dt而产生了共模噪声。图4(a)展示了过零点的共模噪声的传导路径。SD1两端电压作为噪声源,是一个方波且幅度为输出电压同时与AC输入电压频率相同。

a09a4bac-bb9d-11ef-8732-92fbcf53809c.png

图4.零交越点产生的噪声源及其传导路径

为了解决传统MOSFET开关的反向恢复性能较慢,通常在图腾柱PFC的设计上,会选用宽能隙功率晶体。安森美(onsemi)在宽能隙功率晶体(iGaN)上,将多种电力电子器件整合到一个氮化镓芯片上,以实现集成650V氮化镓FET和氮化镓驱动器于单芯片中。

集成化的关键是能减小延迟和消除寄生电感,大幅降低与开关频率相关的损耗。如前所述,为了降低图腾柱PFC的共模噪声,首先可以针对高频切换的所产生的噪声做调整。安森美的iGaN可以针对导通时的dv/dt斜率做调整。图6(a)为NCP58922周边线路,透过调整串联于VDR的Ron电阻,可以改变NCP58922导通时的dv/dt斜率,同时降低共模噪声。

a0aa2d4c-bb9d-11ef-8732-92fbcf53809c.png

图5. iGaN可透过Ron来调整导通时dv/dt的斜率

另一方面,为了改善零交越点所产生的共模噪声,在慢速臂的晶体并联电容器C3和C4(如图7),可以降低电压变化dv/dt从而抑制共模噪声[2]。添加电容器后过零点附近的噪声源,不仅通过电容Cfg,也通过电容C3、4。由于Cfg的容值远低于C3,C4,因此流经Cfg的噪声电流较小。

a0c13dac-bb9d-11ef-8732-92fbcf53809c.png

图6.在慢速臂的晶体并联电容器C3和C4

除此之外,另一种降低慢速臂在AC零交越点时dv/dt斜率,是透过缓启动的方式,慢慢增加快速臂的占空比。图8为安森美的图腾柱PFC控制器(NCP1680,NCP1681)针对零交越点的控制机制(openlooppulses)[3]。当AC通过零交越点后,从较小的占空比开始转换SD1上Vds跨压。接着,逐渐增加占空比的时间,使Vds从400V降至0V,同时完成慢速臂的换相控制。NCP1680以及NCP1681提供设计者4种openloop pulses的选择,可根据慢速臂的输出电容(Coss)参数或是PFC电感量来选择适合的openloop pulses。

a0d76d66-bb9d-11ef-8732-92fbcf53809c.png

a0ede028-bb9d-11ef-8732-92fbcf53809c.png

图7.NCP1680/1的零交越点的控制机制(openloop pulses)

安森美提供了一个500W高效率和高功率密的适配器方案(EVBUM2875)。如图8所示,该方案使用图腾柱PFC控制器(NCP1681)和LLC控制器(NCP13994)完成游戏笔记本电脑适配器方案,同时搭配iGaN(NCP58921)将适配器的整体尺寸缩小到183mm*93mm*30mm,功率密度提升至16W/inch^3。

a10a0e42-bb9d-11ef-8732-92fbcf53809c.png

图8.500W游戏适配器方案

此外,该方案使用前面所提供EMI的对策,(1)在FG到PFCbulk 接地端之间加入Y电容(Cfg),(2) 调整iGaN的导通电阻(3) 并联电容于慢速臂(C3,C4), (4) 选择合适的openloop pulses来降低零交越点的电压斜率。图9为ConductedEMI的测试结果,可满足CLASSB的规格。

a137c56c-bb9d-11ef-8732-92fbcf53809c.png

图9. Conducted EMI测试结果

温馨提示:以上内容整理于网络,仅供参考,如果对您有帮助,留下您的阅读感言吧!
相关阅读
本类排行
相关标签
本类推荐

CPU | 内存 | 硬盘 | 显卡 | 显示器 | 主板 | 电源 | 键鼠 | 网站地图

Copyright © 2025-2035 诺佳网 版权所有 备案号:赣ICP备2025066733号
本站资料均来源互联网收集整理,作品版权归作者所有,如果侵犯了您的版权,请跟我们联系。

关注微信