全球最实用的IT互联网信息网站!

AI人工智能P2P分享&下载搜索网页发布信息网站地图

当前位置:诺佳网 > 电子/半导体 > EMC/EMI设计 >

使用3.3V CAN收发器简化汽车接口设计

时间:2024-12-26 09:47

人气:

作者:admin

标签:

导读:随着汽车的不断发展,配备的先进功能越来越多,旨在增强安全性、舒适性和便利性。更多的功能意味着需要更复杂的电子器件,这凸显了电源效率的重要性。高能效有助于延长行驶里...

随着汽车的不断发展,配备的先进功能越来越多,旨在增强安全性、舒适性和便利性。更多的功能意味着需要更复杂的电子器件,这凸显了电源效率的重要性。高能效有助于延长行驶里程并降低运营成本,使半导体制造商可以将微控制器 (MCU) 等电气元件的典型电源电压从 5V 降低到 3.3V。在许多汽车系统中,现在只需要为 5V 控制器局域网 (CAN) 收发器提供 5V 电源轨,而所有其他元件可以使用由 12V、24V 或 48V 电池提供的 3.3V 或更低电源轨。使用 3.3V 电源运行的 CAN 收发器将不再需要 5V 电源轨,便于与 MCU 无缝连接。

对于目前正在生产的汽车 CAN 网络,唯一符合电磁兼容性 (EMC) 标准的收发器也需要 5V 电源。图 1 展示了一个 5V CAN 节点的简化方框图,其中将 CAN 控制器集成到 MCU 中。有了 3.3V CAN 收发器,MCU 和收发器便可以使用 3.3V 电源,因此将缩减整体物料清单成本和布板空间。

a5c832fc-c2a9-11ef-9310-92fbcf53809c.png

图1.使用3.3V CAN的设计简化图

3.3V CAN 收发器在工业市场中存在了数十年。但是,设计人员在将此类器件过渡到汽车市场时面临着两项挑战:如何与现有的 5V CAN 收发器进行互操作以及如何满足严格的汽车 EMC 要求。本文将介绍 TI 的 3.3V CAN 收发器如何帮助克服这些挑战。

5V CAN 收发器互操作性

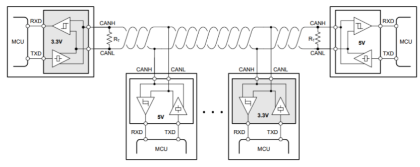
5V CAN 收发器是 CAN 网络的常用解决方案,因此 3.3V CAN 收发器必须能在现有网络和架构内完全互操作,这一点至关重要。对于一级汽车供应商来说,互操作性尤为重要,因为他们通常不负责整个 CAN 网络的设计。这些供应商将不知道他们设计的 CAN 总线部分会连接到 3.3V 还是 5V 收发器。3.3V 和 5V CAN 之间的互操作性可降低这一风险。如果 5V 和 3.3V CAN 收发器完全可互操作,则无需再将通信总线上的所有节点更改为 3.3V。子系统设计人员可以灵活决定 CAN 总线上的单个节点是否需要使用 3.3V 收发器。

a5dd4caa-c2a9-11ef-9310-92fbcf53809c.png

图2. 3.3V和5V CAN收发器的互操作性

TI 的 3.3V CAN 系列已成功通过国际标准化组织(ISO) 16845-2 的测试。该测试覆盖了一个全部是 3.3V 收发器的同构网络以及一个异构网络,该异构网络的 16 个 CAN 节点中有 4 个是 3.3V 收发器,其余 12 个 CAN 节点混用了其他三款业界认可的 5V CAN 收发器。TI 的汽车级 3.3V TCAN3403-Q1 和 TCAN3404-Q1 收发器已成功通过该互操作性测试。

EMC 要求

CAN 收发器的 EMC 性能是通过两个参数来衡量的:器件本身产生的发射和系统干扰的抗扰性。TCAN3404-Q1 和 TCAN3403-Q1 符合国际电工委员会 (IEC) 62228-3 标准中的 EMC 性能要求。

发射是指电磁能量释放。理想情况下,低发射可确保正常运行时不会影响其他附近元件的性能。抗扰性是指器件在存在干扰(例如来自其他附近元件的发射)的情况下的正常运行能力。第三方测试机构执行的测试是汽车应用领域最为严格的测试之一,旨在鉴定 CAN 收发器的发射和抗扰性能的表征。

5V CAN 收发器之所以广受欢迎,是因为商用器件影响了 EMC 标准的制定,而 3.3V CAN 收发器一直在努力克服满足现有标准的挑战。TCAN3404-Q1 和 TCAN3403-Q1 能够在同构或异构网络中满足 EMC 要求,因此可以克服这一障碍。

结语

TCAN3403-Q1 和 TCAN3404-Q1 符合严格的汽车 EMC 要求,并能够与 5V CAN 收发器完全互操作。随着 3.3V 电压成为汽车元件的标准电源电压,3.3V CAN 收发器可实现设计灵活性,减少系统中的电源数量,从而降低功耗和成本。

温馨提示:以上内容整理于网络,仅供参考,如果对您有帮助,留下您的阅读感言吧!
相关阅读
本类排行
相关标签
本类推荐

CPU | 内存 | 硬盘 | 显卡 | 显示器 | 主板 | 电源 | 键鼠 | 网站地图

Copyright © 2025-2035 诺佳网 版权所有 备案号:赣ICP备2025066733号
本站资料均来源互联网收集整理,作品版权归作者所有,如果侵犯了您的版权,请跟我们联系。

关注微信