全球最实用的IT互联网信息网站!

AI人工智能P2P分享&下载搜索网页发布信息网站地图

当前位置:诺佳网 > 电子/半导体 > EMC/EMI设计 >

电磁骚扰和电磁干扰,共模干扰与差模干扰你都

时间:2023-12-20 10:58

人气:

作者:admin

标签:

导读:电磁骚扰和电磁干扰,共模干扰与差模干扰你都能区分吗-电磁骚扰传播或耦合,通常分为两大类:即传导骚扰传播和辐射骚扰传播。通过导体传播的电磁骚扰,叫传导骚扰;通过空间传...

01   【基本概念】

电磁骚扰传播或耦合,通常分为两大类:即传导骚扰传播和辐射骚扰传播。通过导体传播的电磁骚扰,叫传导骚扰;通过空间传播的电磁骚扰,叫辐射骚扰。

6b7e3ada-9ec7-11ee-8b88-92fbcf53809c.jpg

上图传染病的模型非常近似:

wKgaomWCWPuALIYoAAM0Dg8-FLE634.png

02   电磁骚扰的常用单位

骚扰的单位通用分贝来表示,分贝的原始定义为两个功率的比:

6b954586-9ec7-11ee-8b88-92fbcf53809c.jpg

通常用 dBm 表示功率的单位,dBm 即是功率相对于 1mW 的值:

6b9b9bd4-9ec7-11ee-8b88-92fbcf53809c.jpg

通过以下的推导可知电压由分贝表示为(注意有一个前提条件为 R1=R2):

6bba687a-9ec7-11ee-8b88-92fbcf53809c.jpg

通常用 dBuV 表示电压的大小,dBuV 即是电压相对于 1uV 的值。

6bc7a6ca-9ec7-11ee-8b88-92fbcf53809c.jpg

对于辐射骚扰通常用电磁场的大小来度量,其单位是 V/m。通常用的单位是 dBuV/m。 03   【传导干扰】

共阻抗耦合

由两个回路经公共阻抗耦合而产生,干扰量是电流i,或变化的电流di/dt。 容性耦合 在干扰源与干扰对称之间存在着分布电容而产生,干扰量是变化的电场,即变化的电压du/dt。 感性耦合 在干扰源与干扰对称之间存在着互感而产生,干扰量是变化的磁场,即变化的电流di/dt。 a、共阻抗耦合 由两个回路经公共阻抗耦合而产生,干扰量是电流 i,或变化的电流 di/dt。

6bd088f8-9ec7-11ee-8b88-92fbcf53809c.jpg

、 当两个电路的地电流流过一个公共阻抗时,就发生了公共阻抗耦合。我们在放大器中,级与级之间的一种耦合方式是“阻容”耦合方式,这就是一种利用公共阻抗进行信号耦合的应用。在这里,上一级的输出与下一级的输入共用一个阻抗。 由于地线就是信号的回流线,因此当两个电路共用一段地线时,彼此也会相互影响。一个电路的地电位会受到另一个电路工作状态的影响,即一个电路的地电位受另一个电路的地电流的调制,另一个电路的信号就耦合进了前一个电路。 对于两个共用电源的电路也存在这个问题。解决的办法是对每个电路分别供电,或加解耦电路。

阻性耦合干扰抑制方法 1)让两个电流回路或系统彼此无关。信号相互独立,避免电路的连接,以避免形成电路性耦合。 2)限制耦合阻抗,使耦合阻抗愈低愈好,当耦合阻抗趋于零时,称为电路去耦。为使耦合阻抗小,必须使导线电阻和导线电感都尽可能小。 3)电路去耦:即各个不同的电流回路之间仅在唯一的一点作电的连接,在这一点就不可能流过电路性干扰电流,于是达到电流回路间电路去耦的目的。 4)隔离:电平相差悬殊的相关系统(比如信号传输设备和大功率电气设备之间),常采用隔离技术。

b、容性耦合 在干扰源与干扰对称之间存在着分布电容而产生,干扰量是变化的电场,即变化的电压 du/dt。  

容性耦合干扰抑制方法 为了抑制电容性干扰可以采取以下措施: 1)干扰源系统的电气参数应使电压变化幅度和变化率尽可能地小; 2)被干扰系统应尽可能设计成低阻; 3)两个系统的耦合部分的布置应使耦合电容尽量小。例如电线、电缆系统,则应使其间距尽量大,导线短,避免平行走线; 4)可对干扰源的干扰对象进行电气屏蔽,屏蔽的目的在于切断干扰源的导体表面和干扰对象的导体表面之间的电力线通路,使耦合电容变得最小;  

容性耦合干扰抑制实例

6bdd556a-9ec7-11ee-8b88-92fbcf53809c.png

BUCK电路中还存在高频开关节点(Phase、或者叫做SW note),这里的dv/dt会产生电场,也会产生辐射,同时引起的共模电流也会在传导测试中占据重要分量,尤其是在CISPR25的测试中。高频开关节点常常和辐射相关,尤其是在单杆天线测试和双锥天线测试中,在单杆天线测试中,高频开关节点产生的近场电场直接可以通过单杆天线接收。 抑制高频开关节点的dv/dt,首先可以通过减小面积来减小近场电场的电场强度。如下图,通过减小SW的铺铜面积,电场强度有了明显的减小。同样的方法,可以在单杆测试中,可以通过减小SW铺铜或者电感的体积来实现。前面我们分析过电感并不能保持稳定的电位,也是高频开关节点。

6bfcd1ec-9ec7-11ee-8b88-92fbcf53809c.png

c、感性耦合 在干扰源与干扰对称之间存在着互感而产生,干扰量是变化的磁场,即变化的电流 di/dt。 当信号沿传输线传播时,信号路径与返回路径之间将产生电场,围绕在信号路径和返回路径周围也有磁场。如图所示,基板材料为FR4的50Ω微带线横截面上的电力线和磁力线,可见,这些场并不仅仅局限于微带线的正下方,而是会延伸到周围的空间。这些延伸出去的场称为边缘场。

6c1d9c2e-9ec7-11ee-8b88-92fbcf53809c.jpg


边缘场 根据电磁场基本理论,变化的电场产生感应电流,变化的磁场产生感应电压。那么,当一个网络(静态网络)的布线进入另一网络(动态网络)的边缘场时,一旦动态网络上的信号电压和电流发生变化,将会引起边缘场的变化,边缘场的变化又将在静态网络上感应出噪声电压或电流,这就是串扰产生的物理根源。 这种两个网络之间通过场相互作用被称做耦合,耦合又可以分为容性耦合和感性耦合,而把耦合电容和耦合电感分别称做互容和互感. 互容和互感都对串扰有贡献,但要区别对待。当返回路径是很宽的均匀平面时,如PCB上的布线,容性耦合和感性耦合大体相当。因此,要精确预测耦合传输线的串扰,两种因素都必须考虑。如果返回路径不是很宽的均匀平面,比如引线,虽然容性耦合和感性耦合也都存在,但串扰主要来自于互感。这时,如果动态网络上有一个快速变化的电流,如上升、下降沿,将会在静态网络上引起不可忽视的噪声。  

感性耦合干扰抑制方法 1) 干扰源系统的电气参数应使电流变化的幅度和速率尽量小; 被干扰系统应该具有高阻抗; 2)减少两个系统的互感,为此让导线尽量短,间距尽量大,避免平行走线,采用双线结构时应缩小电流回路所围成的面积; 3)对于干扰源或干扰对象设置磁屏蔽,以抑制干扰磁场。 4)采用平衡措施,使干扰磁场以及耦合的干扰信号大部分相互抵消。如使被干扰的导线环在干扰场中的放置方式处于切割磁力线最小(环方向与磁力线平行),则耦合的干扰信号最小;另外如将干扰源导线平衡绞合,可将干扰电流产生的磁场相互抵消。

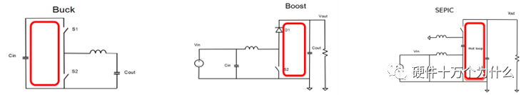
感性耦合干扰抑制实例 那么我们要分析如何抑制高频电流环路的引起的噪声源?高频电流环路可以看成是磁偶极子,磁矩,磁场强度随着电流和环路面积而增大,那么可以通过降低电流和减小面积来实现, 首先,我们需要找出不同拓扑的高频电流环路。如下图,红色的环路便是di/dt变化比较大的电流高频环路,可以看到BUCK电路,电流高频环路存在于输入电容和两个开关管形成的闭合环路,而BOOST电路作为对偶拓扑,电流高频环路存在于输出电容和两个开关管。而SEPIC电路的电流高频环路存在于开关管和两个电容形成的环路中。 可以看到高频电流环路存在于开关管和连接开关管的电容形成的回路,因为电流变化最剧烈的通常在开关管之间,电流实在两个开关管之间切换,而通常电感由于电流不能突然变化,di/dt受到限制,而不是我们重点考察高频电路环路的部分。

6c279f1c-9ec7-11ee-8b88-92fbcf53809c.png

找到高频电流环路后,我们需要抑制该噪声源引起的近场磁场。最有效的方式就是减少该环路的面积,通常电流大小需要满足功率输出的要求,不能随意减小。 最简单的方式就是选用集成MOSFET的同步BUCK,来替换非同步的BUCK。如图,选用同步的SOT23-8的BUCK芯片,输入电容可以靠近芯片放置,高频电流环路远小于左边的非同步BUCK,对外的辐射要小很多。

04   共模干扰与差模干扰

共模干扰(Common-mode):两导线上的干扰电流振幅相等,而方向相同者称为共模干扰。

6c3c55e2-9ec7-11ee-8b88-92fbcf53809c.jpg

差模干扰(Differential-mode):两导线上的干扰电流,振幅相等,方向相反称为差模干扰。

6c472a30-9ec7-11ee-8b88-92fbcf53809c.jpg

 

6c6c56de-9ec7-11ee-8b88-92fbcf53809c.jpg

共模(Common mode)是指存在于两根或多根导线中,流经所有导线的电流都是同极性的,差模(Differential mode)是指在导线对上的电流极性是相反的。 共模干扰的干扰电流在电缆中的所有导线上幅度/相位相同,它在电缆与大地之间形成回路流动,见图(a)。差模干扰的干扰电流在信号线与信号地线之间流动,见图(b)。 由于共模干扰与差模干扰的干扰电流在电缆上的流动方式不同,对这两种干扰电流的滤波方法也不相同。因此在进行滤波设计之前必须了解所面对的干扰电流的类型。

6c784b42-9ec7-11ee-8b88-92fbcf53809c.png

电压电流的变化通过导线传输时有二种形态,我们将此称做“共模”和“差模”。设备的电源线、电话等的通信线、与其它设备或外围设备相互交换的通讯线路,至少有两根导线,这两根导线作为往返线路输送电力或信号。但在这两根导线之外通常还有第三导体,这就是“地线”。干扰电压和电流分为两种:一种是两根导线分别做为往返线路传输;另一种是两根导线做去路,地线做返回路传输。前者叫“差模”,后者叫“共模”。 串模干扰(差模干扰)与共模干扰(接地干扰)。以主板上的两条PCB走线(连接主板各元件的导线)为例,所谓串模干扰,指的是两条走线之间的干扰;而共模干扰则是两条走线和PCB地线之间的电位差引起的干扰。

扼流圈 抑制共模干扰的主要方法是应用共模扼流圈。共模扼流圈是共模插入损耗中起主导作用的电感元件。它是在一个磁环/闭合磁路的上下两个半环上,分别绕制相同匝数但绕向相反的线圈。

6c99b908-9ec7-11ee-8b88-92fbcf53809c.png

差模干扰指的是干扰电压存在于信号线及其回线之间。干扰回路则是在导线与回线构成的回路中流动。 抑制差模干扰的主要方法是应用共差扼流圈。差模扼流圈是差模插入损耗中起主导作用的电感元件。它采用单个绕组结构绕制,而不像共模扼流圈那样在一个磁芯上采用两个相同绕组的结构。

6ca732f4-9ec7-11ee-8b88-92fbcf53809c.png

共模电感是一个以铁氧体为磁芯的共模干扰抑制器件,它由两个尺寸相同,匝数相同的线圈对称地绕制在同一个铁氧体环形磁芯上,形成一个四端器件,要对于共模信号呈现出大电感具有抑制作用,而对于差模信号呈现出很小的漏电感几乎不起作用。原理是流过共模电流时磁环中的磁通相互叠加,从而具有相当大的电感量,对共模电流起到抑制作用,而当两线圈流过差模电流时,磁环中的磁通相互抵消,几乎没有电感量,所以差模电流可以无衰减地通过。电源噪声是电磁干扰的一种,其传导噪声的频谱大致为10kHz~30MHz,最高可达150MHz。根据传播方向的不同,电源噪声可分为两大类:一类是从电源进线引入的外界干扰,另一类是由电子设备产生并经电源线传导出去的噪声。这表明噪声属于双向干扰信号,电子设备既是噪声干扰的对象,又是一个噪声源。 若从形成特点看,噪声干扰分串模干扰与共模干扰两种。差模干扰是两条电源线之间(简称线对线)的噪声,共模干扰则是两条电源线对大地(简称线对地)的噪声。因此,电磁干扰滤波器应符合电磁兼容性(EMC)的要求,也必须是双向射频滤波器,一方面要滤除从交流电源线上引入的外部电磁干扰,另一方面还能避免本身设备向外部发出噪声干扰,以免影响同一电磁环境下其他电子设备的正常工作。此外,电磁干扰滤波器应对串模、共模干扰都起到抑制作用。 大部分电路设计中,共模电感的取值通常是5-33mH,典型值是10-33mH,也可根据共模电感的计算公式计算出电感量的最小值。 6cb115b2-9ec7-11ee-8b88-92fbcf53809c.png X1为频率为f时的阻抗值。本次选择的是33mH/3A的共模电感。

05   什么是共模残压

共模电压(common mode voltage):在每一导体和所规定的参照点之间(往往是大地或机架)出现的相量电压的平均值。或者说同时加在电压表两测量端和规定公共端之间的那部分输入电压。

差模电压(symmetrical voltage):一组规定的带电导体中任意两根之间的电压。所以差模电压又称对称电压。

在规定波形,标称放电电流冲击氧化锌阀片,阀片两端测到的电压峰值,称为残压。残压与压敏电压的比值,残压比。雷击,闪电会在输入/输出电源线上产生瞬间高压,大电流,影响用户设备稳定运行,严重时会造成设备损坏。避雷器按接法分可分为共模接法和差模接法两种:避雷器接在相线之间或相线与零线之间称为差模接法,即所谓横向保护。避雷器接在相线与地线之间或零线与地线之间称为共模接法,即所谓纵向保护。

消除共模干扰

(1)采用屏蔽双绞线并有效接地 (2)布线时远离 高压线,更不能将高压电源线和信号线捆在一起走线 (3)采用 线性稳压电源或高品质的 开关电源(纹波干扰小于50mV) (4)使用差分式电路 (5)在信号线或电源线中串联共模扼流圈、在地与导线之间并联电容器、组成LC滤波器进行滤波,滤去共模传导噪声。 消除差模干扰 (1)前提是减小共模干扰,不然共模干扰可能转化为差模干扰 (2)采用差模扼流圈。

审核编辑:黄飞

 

温馨提示:以上内容整理于网络,仅供参考,如果对您有帮助,留下您的阅读感言吧!
相关阅读
本类排行
相关标签
本类推荐

CPU | 内存 | 硬盘 | 显卡 | 显示器 | 主板 | 电源 | 键鼠 | 网站地图

Copyright © 2025-2035 诺佳网 版权所有 备案号:赣ICP备2025066733号
本站资料均来源互联网收集整理,作品版权归作者所有,如果侵犯了您的版权,请跟我们联系。

关注微信