全球最实用的IT互联网信息网站!

AI人工智能P2P分享&下载搜索网页发布信息网站地图

当前位置:诺佳网 > 电子/半导体 > EMC/EMI设计 >

什么是电源滤波器 常用电源滤波器电路形式

时间:2024-04-02 09:27

人气:

作者:admin

标签:

导读:什么是电源滤波器 常用电源滤波器电路形式-开关电源噪声根据其耦合方式分为:差模干扰、共模干扰,差模干扰定义为线-线之间的对称性干扰,而共模干扰定义为线/线对参考点的干扰...

01、什么是电源滤波器 电源滤波器是由电容、电感和电阻组成的滤波电路,又称为"电源EMI滤波器",是一种双向无源网络。使用电源滤波器的目的是抑制开关电源产生的噪声干扰,防止外部的电磁噪声干扰开关电源本身的工作状态,也防止外部电磁噪声干扰开关电源输出端设备的工作状态,同时也抑制有其他设备产生的电磁噪声通过电源线传播的EMC问题。

02、电源滤波器组成:

开关电源噪声根据其耦合方式分为:差模干扰、共模干扰,差模干扰定义为线-线之间的对称性干扰,而共模干扰定义为线/线对参考点的干扰,共模干扰存在对称性的共模干扰和非对称性的共模干扰,非对称性的共模干扰往往会转换成差模干扰。 电源滤波器即要滤除差模干扰的同时也要滤除共模干扰,实际上电源滤波器是差/共模混合滤波器。根据噪声干扰的幅值、噪声干扰的频带宽度、噪声干扰的阻抗特性、再结合产品电磁兼容测试标准的要求来科学的设计电源滤波器的电路。    

ef960ea6-f089-11ee-a297-92fbcf53809c.png

电源滤波器电路组成

上图是简单的电源滤波器电路,其中C1、C2位置的电容称为差模电容,也叫X电容,主要作用是旁路开关电源内部产生的差模干扰噪声,防止流入阻抗稳定网络(LISN)导致电源端传导骚扰测试超标;C3、C4位置的电容称为共模电容,也叫Y电容,主要作用是旁路开关电源内部产生的共模干扰噪声;L是共模电感,也称为共模扼流圈,主要是衰减开关电源产生的共模电流,由于非理性性共模电感存在漏感,造成共模电感实际上有差模电感的滤波作用。

电源滤波器主要器件说明

03、常用电源滤波器电路形式:

单相电源滤波器主要电路形式

ef9f3ed6-f089-11ee-a297-92fbcf53809c.png

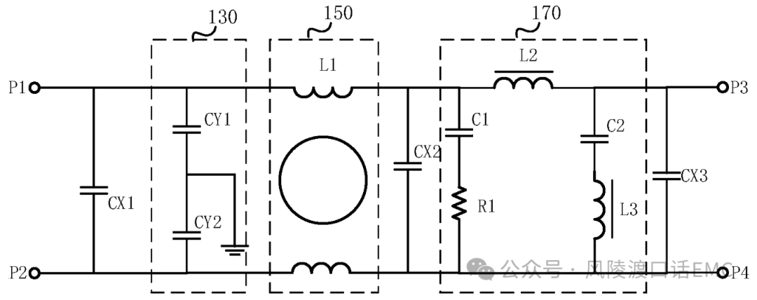
单相多级电源滤波器电路

efacfe86-f089-11ee-a297-92fbcf53809c.png

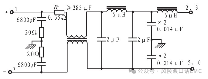
单相π型电源滤波器电路

efbdaae2-f089-11ee-a297-92fbcf53809c.png

单相多级差模+单级共模电源滤波器电路    

三相电源滤波器主要电路形式

efd75e42-f089-11ee-a297-92fbcf53809c.png

三相单级电源滤波器电路

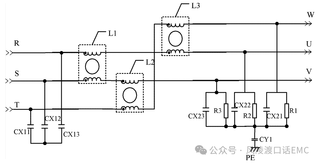
efdf3fea-f089-11ee-a297-92fbcf53809c.png

   

三相多级电源滤波器电路

三项电源滤波器成品

04、电源滤波器衡量指标:

电源滤波器的主要衡量指标包括:滤波性能技术指标、安全性能指标、可靠性性能指标、环境法规指标等。

4.1、滤波性能指标

插入损耗是衡量电源滤波器滤波性能优劣的重要指标,用dB来表示,是指滤波器接入前后负载上功率的比值,原则上dB数越大说明滤波器抑制噪声的能力越好。电源滤波器的插入损耗分为差模插入损耗和共模插入损耗。

f003f970-f089-11ee-a297-92fbcf53809c.png

电源滤波器插入损耗曲线

虚线部分表示差模插入损耗曲线,实线部分表示共模插入损耗曲线,滤波器的插入损耗通常都是在50ohm阻抗下的测试结果,实际应用中噪声源端的阻抗是不确定的,负载端的阻抗对于电源端传导来说是确定的50ohm,而与实际应用中的负载端阻抗来说也是不确定,所以通常滤波器插入损耗仅作为电源滤波器选型的参考。     电源滤波器插入损耗曲线可以使用网络分析仪测试获得,具体测试方法参考国际标准CISPER17:2011和国标GB/T7343-2017;电源滤波器插入损耗还可以通过电路仿真软件进行仿真获得,仿真的准确性取决于电路建模精度。

f020cb22-f089-11ee-a297-92fbcf53809c.png

电源滤波器插入损耗仿真曲线

4.2、安全性能指标

电源滤波器属于安全管制元件,需要符合对应的安全法规标准要求,对应的国际标准是UL1283、EN60939等。主要测试项包含绝缘耐压、漏电流、L-N线残压、温升、额定电流。 绝缘耐压: 耐压测试是检验电器、电气设备、电气装置、电气线路等承受过压能力的主要方法,是检查电源滤波器是否达到额定耐受电压,以满足对电源滤波器绝缘水平的要求。 绝缘测试一般是用绝缘耐压测试仪进行测试,绝缘电阻测试是一种定性测试,主要是检查电源滤波器的绝缘水平的要求,两者主要区别是试验电压不同。 漏电流: 漏电流测试是一种特定的安全测试,检测电路内部缺陷及绝缘故障,维护电气设备安全的运行。对于电源滤波器来说Y电容的数量、总容量大小是影响其漏电流的重要因素。  

  L-N线残压测试: 为防止拔掉电源线时,人手触摸到电源插接头时,有触电的风险,安规标准中对拔掉电源线L-N残压有明确规定,对于电源滤波器来说X电容放电速度是影响残压的重要因素。 额定电流: 电源滤波器的额定电流要大于负载工作时的最大电流,且需要预留余量。电源滤波器内的共模电感的线径需要符合额定电流要求,防止过流损坏,建议电源滤波器的额定电流是负载工作电流的1.5倍,最少保持1.2倍。 3.3、电源滤波器可靠性 电源滤波器除滤波性能指标、安全指标之外,可靠性指标更容易被大家所忽略,也是电源滤波器制造成本占比很大的部分,影响电源滤波器可靠性的因素主要有:器件焊点的焊接质量、器件间连接的可靠性、接插件连接的可靠性、接插件插拔耐受性、器件使用材料本身的可靠性、长期寿命试验验证等。 3.4、环保指标要求 电源滤波器使用的电子元件、接插件、焊锡、PCB、塑胶材料等都需要符合相应的环境标准要求,比如欧盟的RHOS、WEEE等。如何保证电源滤波器内的所有器件都符合法律法规要求需要一套来料检验管控体系,如何保证电源滤波器生产过程中的过程管控、质量检验也至关重要。

审核编辑:黄飞

 

温馨提示:以上内容整理于网络,仅供参考,如果对您有帮助,留下您的阅读感言吧!
相关阅读
本类排行
相关标签
本类推荐

CPU | 内存 | 硬盘 | 显卡 | 显示器 | 主板 | 电源 | 键鼠 | 网站地图

Copyright © 2025-2035 诺佳网 版权所有 备案号:赣ICP备2025066733号
本站资料均来源互联网收集整理,作品版权归作者所有,如果侵犯了您的版权,请跟我们联系。

关注微信