全球最实用的IT互联网信息网站!

AI人工智能P2P分享&下载搜索网页发布信息网站地图

当前位置:诺佳网 > 电子/半导体 > EMC/EMI设计 >

RCD吸收电路:开关电源高频干扰的有效消除器

时间:2024-04-25 09:58

人气:

作者:admin

标签:

导读:RCD吸收电路:开关电源高频干扰的有效消除器-我们以反激电源为例,理想情况下,随着MOS管的通断,MOS管的源极也就是我们的共模电压干扰源的波形是一个梯形波,但是由于变压器原边...

开关电源中除了我们常规介绍的差模噪声源和共模噪声源,还存在一些其它的噪声源也应该解决,这些高频噪声源同样会带来电磁兼容问题,因此我们需要关注。这里介绍两种干扰源,一种是MOS管的通断带来的高频振荡噪声,另一种是整流二极管的反向恢复带来的高频振荡噪声。针对这种高频振荡可以设计吸收电路来解决。

我们首先来看下高频振荡对信号频谱分量的影响。下图为一个普通梯形波和边沿过冲梯形波的频谱分量,我们可以看出,这种过冲和下冲振荡明显提升了信号的高频谐波分量,因此引入了更多的高频噪声,容易带来EMC问题。

641c9d48-02a1-11ef-a297-92fbcf53809c.png

图 高频振荡对信号频谱的影响

(1)开关管吸收电路带来的高频振荡

我们以反激电源为例,理想情况下,随着MOS管的通断,MOS管的源极也就是我们的共模电压干扰源的波形是一个梯形波,但是由于变压器原边存在漏电感,MOS管的源极和漏极之间还有寄生电容,当开关管突然关闭时候形成LC振荡电路产生振荡。

6438c48c-02a1-11ef-a297-92fbcf53809c.png

图 反激电源

645488ac-02a1-11ef-a297-92fbcf53809c.png

图 反激电源MOS管波形

6485dcae-02a1-11ef-a297-92fbcf53809c.png

图 开关管源漏极之间电压波形和电流波形

从上图可以看出,开关管源漏极电压存在高频振荡。我们知道,开关管源漏极之间大的dv/dt是我们的共模噪声源,现在由于振荡,进一步增加了该电压的高频分量,针对这种振荡问题,我们需要设计吸收电路来解决。

以下为反激电源两种吸收电路。

64b9a1ec-02a1-11ef-a297-92fbcf53809c.png

图 第一种反激电源RCD吸收电路

64d8d38c-02a1-11ef-a297-92fbcf53809c.png

图 第二种反激电源RCD吸收电路

通过合理的设计吸收电路,选择合适的R和C的值,可以有效缓解电路的高频振荡,从而减少高频分量。RC的设计过程我们可以详细查阅相关资料,搜索关键词开关电源RCD吸收电路可以查到。

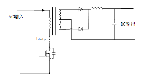
(2)整流二极管电路带来的高频振荡

64f5bee8-02a1-11ef-a297-92fbcf53809c.png

图 接在开关电源次级整流二极管两端的缓冲电路

6513cece-02a1-11ef-a297-92fbcf53809c.png

图 采用RCD前后整流二极管两端电压波形图

由于整流二极管存在反向恢复尖峰电压,会产生大量的振铃,成为电路的高频差模干扰源,这些高频噪声源可以被传导到电源的次级输出,也可以通过变压器耦合到电源的初级,从而给电路带来差模噪声。

当将二极管并联一个RC吸收电路后,可以有效降低电路的高频噪声,同时限制二极管两端产生的高频振荡电压在二极管和RC电路形成的小回路中流动,减少对电路其它部分的影响。由于RCD回路中有高频电流流动,因此该回路面积要尽可能的小,从而减小对外的环路辐射。RC的典型值是470pF和10欧姆。

另一种方法是每个整流二极管串联一个磁珠,增加线路高频阻抗,从而减小高频振铃的幅度,最有效的方法是磁珠和吸收电路想结合。

对于整流二极管带来的高频振荡,我们主要关注次级整流器,因为二极管工作在比初级整流器高得多的电流水平,是主要的干扰源。

审核编辑:黄飞

 

温馨提示:以上内容整理于网络,仅供参考,如果对您有帮助,留下您的阅读感言吧!
相关阅读
本类排行
相关标签
本类推荐

CPU | 内存 | 硬盘 | 显卡 | 显示器 | 主板 | 电源 | 键鼠 | 网站地图

Copyright © 2025-2035 诺佳网 版权所有 备案号:赣ICP备2025066733号
本站资料均来源互联网收集整理,作品版权归作者所有,如果侵犯了您的版权,请跟我们联系。

关注微信