全球最实用的IT互联网信息网站!

AI人工智能P2P分享&下载搜索网页发布信息网站地图

当前位置:诺佳网 > 电子/半导体 > EMC/EMI设计 >

电缆屏蔽是否能解决所有EMC难题?

时间:2023-10-11 10:48

人气:

作者:admin

标签:

导读:电缆屏蔽是否能解决所有EMC难题?-以太网和高速 SerDes 通信具有高达 GHz 的功率谱覆盖范围,这对车载无线电系统有潜在影响。...

1

背景

1.1 为什么我们需要讨论电缆屏蔽? 

传统总线系统 LIN、CAN、CAN-FD 和 FlexRay 使用非屏蔽电缆运行;

速度等级越高,电压幅值越小,

- 对噪音更敏感,

- 更多串扰和噪声耦合效应;

以太网和高速 SerDes 通信具有高达 GHz 的功率谱覆盖范围,这对车载无线电系统有潜在影响。

601e9f8e-6742-11ee-939d-92fbcf53809c.png

6030766e-6742-11ee-939d-92fbcf53809c.png

1.2 使用屏蔽电缆被视为一种解决方案

如今,屏蔽电缆已经在汽车中用于特定应用:例如,侧重于模拟数据应用的无线电天线;

如今,屏蔽电缆也用于无线电天线附近的数据通信。A/FM:振幅/频率调制

DAB:数字模拟广播 

DVB:数字视频广播

PSD:功率谱

LIN:本地互联网络

CAN:控制器局域网

CAN-FD:灵活的数据速率 CAN

1.3 我们打算通过使用屏蔽电缆来实现什么?

通过使用屏蔽电缆,目的是通过以下目标防止现有噪声源进入敏感子系统:

1. 减少电场引起的电容耦合干扰; 

2. 通过低阻抗路径消除共模干扰;

3. 用屏蔽消除感应耦合磁场辐射,

- 对于 STP 电缆,这是通过绞合信号导体对实现的,  

- 然而,对于单芯电缆,如果屏蔽层上的电流与信号导体上的电流相等且相反,则可以消除这些辐射

4. 获得额外的 EMC 裕度è适当的回路面积减少和适当的屏蔽终端耦合衰减(不平衡和屏蔽衰减)

6034df38-6742-11ee-939d-92fbcf53809c.png

未直接连接使用屏蔽电缆的期望是: 

- 防止和消除耦合磁场噪声源。这与屏蔽接地回路面积以及如何实现屏蔽接地端接密切相关。因此,通过减少回路面积和适当的屏蔽端接,可以实现电缆屏蔽对磁场噪声源的有效性。

2

 新旧系统的实现

2.1 过去的数字音频广播(DAB)频率

传统总线系统(如 LIN、CAN、CAN-FD、FlexRay)仅使用低于临界频率的频率,如调频(FM)或 DAB 频段 

− 在过去,振幅调制(AM)频带对于 EMC 挑战更为关键

现代数字系统伴随着新的挑战: 

- 例如 DAB,它需要高质量的无线电接收; 

- 为了有效地使用 DAB,无线电天线设计师提高了相应天线的灵敏度;

6041b514-6742-11ee-939d-92fbcf53809c.png

巴伐利亚州农村地区的功率谱,DAB 比 FM 电台低 15dB

2.2 过去,DAB 频率不受影响 

下图显示了近距离操作 DAB 测试接收器对 1000BASE-T1UTP 数据链路的影响:

604fe4fe-6742-11ee-939d-92fbcf53809c.png

DAB 容易受到 1000BASE-T1 数据流量的干扰

605eeb48-6742-11ee-939d-92fbcf53809c.png

宝马改变了 1000BASE-T1 场景从 UTP 到 STP

2.3 多端口连接器–过去与现在

过去一代多端口连接器

6070c0e8-6742-11ee-939d-92fbcf53809c.png

现在一代多端口连接器

607db8d4-6742-11ee-939d-92fbcf53809c.png

608338ea-6742-11ee-939d-92fbcf53809c.png

10MHz 以下几乎没有串扰效应;

经典总线系统从 10 到 100MHz 每十倍增加 10dB 没有问题;

对 100BASE-T1 的影响很小,100MHz 以上每十倍增加 15dB;

1000BASE-T1 和串行解串影响。

 2.4 之前:线对对称性用于 EMI 预防 

大多数 EMC 问题都是通过使用双绞线和差分对电缆来解决的,

- 为了部分满足高速信号传输要求,需要定义电缆拓扑。 

60962e50-6742-11ee-939d-92fbcf53809c.png

2.4.1 100BASE-T1:

由于功率谱密度(PSD)高于 AM 波段,低于 FM 波段,因此这种方法效果良好。

它还将线对对称性的影响作为 EMI 预防的主要方法

609dc9c6-6742-11ee-939d-92fbcf53809c.png

2.4.2 1000BASE-T1:

对电缆、连接器和共模扼流圈的对称方法进行了约束:串扰得到了一个新的主要限制参数。 

Nyquist 频率为 375MHz 

60aede32-6742-11ee-939d-92fbcf53809c.png

3

 电缆屏蔽的挑战 

3.1 预计将采用哪些电缆屏蔽-接地噪声耦合机制?

ECU 内部产生的噪音 

60b8749c-6742-11ee-939d-92fbcf53809c.png

直接噪声源对地耦合

60c26ae2-6742-11ee-939d-92fbcf53809c.png

 

60cbcd3a-6742-11ee-939d-92fbcf53809c.png

通过接地分布的噪声耦合

60d0365e-6742-11ee-939d-92fbcf53809c.png

3.2 电缆屏蔽层上的感应噪声耦合示例

3.2.1 沿信道噪声从源耦合到屏蔽

60dc1e7e-6742-11ee-939d-92fbcf53809c.png

3.2.2 测试设置

60e52f0a-6742-11ee-939d-92fbcf53809c.png

60ed86d2-6742-11ee-939d-92fbcf53809c.png

噪声耦合插入损耗

60f31c96-6742-11ee-939d-92fbcf53809c.png

至~25MHz 的范围噪声耦合增加;

然后它会保持在一定的基准水平,但会产生共振

共振随电缆长度及其接地线连接长度而变化;作为噪声源的二阶 

附加的接地端子会改变共振 

3.3 屏蔽电缆是否能防止接地谐振?

3.3.1  EMC 测试设置

610afaaa-6742-11ee-939d-92fbcf53809c.png

测试结果的初步评估——未观察到任何异常

然后,观察到光学接口 EMI 噪声高于 kHz 范围内的限值 

ECU 内的 DC/DC 转换器通过添加沿光学接口接地线的电阻器内部 ECU 噪声应保持较低

预先检查接地系统的谐振/阻抗行为 

电缆屏蔽既不能防止也不能消除接地谐振

611bdb86-6742-11ee-939d-92fbcf53809c.png

4

 防止屏蔽干扰的方法 

4.1 确定系统地面概念定义的优先级 

为了及早防止电缆屏蔽干扰,必须在初始系统设计阶段定义特定的系统接地配置

4.1.1 通用完整系统地面方案 

−  根据信号类型、频率和电压水平定义接地。

613517fe-6742-11ee-939d-92fbcf53809c.png

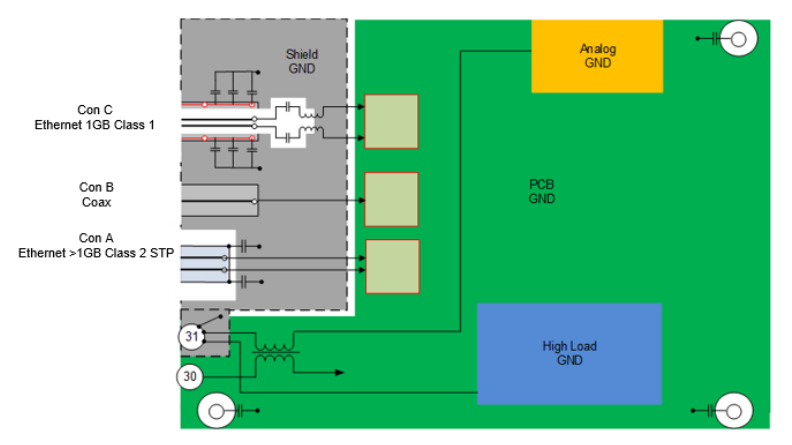
4.1.2 在子系统内定义接地方案

614ef552-6742-11ee-939d-92fbcf53809c.png

4.1.3 系统与子系统地面实施之间必须存在相关性 

4.2 电缆屏蔽终端和接地回路的关键注意事项 

交流耦合电容器应该用在屏蔽的第二端 

- 这有助于在高频时保持屏蔽连接,并减少屏蔽接地回路面积,以达到在低频时所需的断开接地回路“传输回路”范围有助于最小化磁场 

- ECU-ECU 和回路内的显示强度以及感应噪声电流连接需要进行自适应

屏蔽接地低阻抗路径这对最大限度地提高效率至关重要

6154a312-6742-11ee-939d-92fbcf53809c.png

单端口连接器端接(例如在串行器处) 多端口连接器终端(例如反序列化器)

现场接地环路动作接收或传输单极天线——传导和辐射微耦合 

将屏蔽接地回路面积减少到设计的“传输回路”范围内,有助于最大限度地降低电磁感应强度,从而减少产生的噪声

6166d064-6742-11ee-939d-92fbcf53809c.png

5

 结论 

能够使用屏蔽电缆对于当前和未来的高数据速率通信系统至关重要。

然而,至关重要的是,必须采用正确且计划周密的系统实施方法。首先,预先定义整个系统接地配置,并在此基础上定义相应的一般屏蔽接地方法。

途径:

通常,接地层并不理想,因此会导致阻抗变化;

电缆屏蔽对感应耦合噪声的影响最小,但能有效地消除电场噪声源;

在初始系统设计阶段定义系统接地配置至关重要;

− 子系统内的单点屏蔽接地也有利于消除公共接地阻抗,

− 多点系统接地方案往往在高频下运行得更好;

电缆屏蔽效能受其端接方式的影响,

− 低阻抗屏蔽接地路径对于实现最大屏蔽效益至关重要;

电缆屏蔽实施还应针对根本噪声源。

编辑:黄飞

 

温馨提示:以上内容整理于网络,仅供参考,如果对您有帮助,留下您的阅读感言吧!
相关阅读
本类排行
相关标签
本类推荐

CPU | 内存 | 硬盘 | 显卡 | 显示器 | 主板 | 电源 | 键鼠 | 网站地图

Copyright © 2025-2035 诺佳网 版权所有 备案号:赣ICP备2025066733号
本站资料均来源互联网收集整理,作品版权归作者所有,如果侵犯了您的版权,请跟我们联系。

关注微信