全球最实用的IT互联网信息网站!

AI人工智能P2P分享&下载搜索网页发布信息网站地图

当前位置:诺佳网 > 电子/半导体 > EMC/EMI设计 >

浅谈TL DCDC EMI传导问题

时间:2023-10-18 10:55

人气:

作者:admin

标签:

导读:TL DCDC 该拓扑无需高频隔离变压器,体积小,效率高,功率密度高。适应于高压双向大功率应用场景。...

TL DCDC 该拓扑无需高频隔离变压器,体积小,效率高,功率密度高。适应于高压双向大功率应用场景。

图片

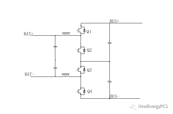
buck充电运行模式

图片

图片

Q1,Q3导通 ,Q2,Q4关断电感电流上升。Vbat=1/2Vbus

根据KVL:

1/2Vbus+VL1+VL2=Vbat ,VL1=VL2 ,VL=1/2Vbat -1/4Vbus

BAT-对BUS-电压为:1/2Vbat-1/4Vbus+1/2Vbus

Q2,Q4导通 ,Q1,Q3关断电感电流上升。Vbat=-1/2Vbus

根据KVL:

-1/2Vbus+VL1+VL2=Vbat ,VL1=VL2 ,VL=1/4Vbus+1/2Vbat

BAT-对BUS-电压为:1/2Vbat+1/4Vbus

图片

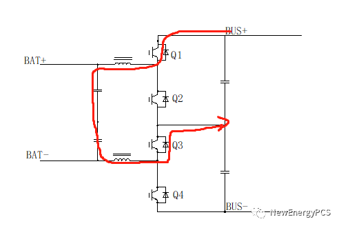
Q1,Q4导通 ,Q2,Q3关断电感电流上升Vbat=Vbus

根据KVL:

Vbat +VL1+VL2=Vbus,VL1=VL2,

BAT-对BUS-电压为:1/2Vbus-1/2Vbat

图片

Q1,Q4关断,Q2,Q3导通电感电流下降。Vbat=0

BAT-对BUS-电压为: -1/2Vbat+1/2Vbus

由上分析可知输出电压由0和1/2Vbus 合成输出电压时,电压BAT-对BUS-电压为为定值,在开关周期内电位不对称会产生共模电压。

输出电压由0和Vbus 合成输出电压时,电压BAT-对BUS-电压为为定值,在开关周期内电位对称不会产生共模电压,开关周期内电位不对称产生共模电压的原因是D<0.5,Q1,Q4错相180°导通。

boost 放电模式与buck 充电模式相同

仿真波形:

70kW 输入1000V,输出600V Q1,Q4错相180°导通仿真波形:

图片

共模电压波形

图片

模电压和输出电压纹波

图片

电感电流波形

70kW 输入1000V,输出600V Q1,Q4同步导通仿真波形:

图片

共模电压波形

图片

差模电压和输出电压纹波

图片

电感电流波形

温馨提示:以上内容整理于网络,仅供参考,如果对您有帮助,留下您的阅读感言吧!
相关阅读
本类排行
相关标签
本类推荐

CPU | 内存 | 硬盘 | 显卡 | 显示器 | 主板 | 电源 | 键鼠 | 网站地图

Copyright © 2025-2035 诺佳网 版权所有 备案号:赣ICP备2025066733号
本站资料均来源互联网收集整理,作品版权归作者所有,如果侵犯了您的版权,请跟我们联系。

关注微信