全球最实用的IT互联网信息网站!

AI人工智能P2P分享&下载搜索网页发布信息网站地图

当前位置:诺佳网 > 电子/半导体 > EMC/EMI设计 >

光伏逆变器漏电流检测RCMU与EMC问题的探讨

时间:2023-10-20 11:27

人气:

作者:admin

标签:

导读:在现如今的电子类产品设计中,由于相关认证法规的强制要求,对产品和人身安全认知的加强,产品的EMC等级要求变的十分苛刻。...

前言

在现如今的电子类产品设计中,由于相关认证法规的强制要求,对产品和人身安全认知的加强,产品的EMC等级要求变的十分苛刻。整机设计完成后的EMC调试问题会需要花到大量的时间精力去克服。一旦在暗室中测试出现异常,就意味着机器需要做相应的整改。同时EMC的问题排查相对其他问题会难上很多因为看不见摸不着,又被大家调侃为玄学问题。小到某颗电容的摆放位置,大到整个机型拓扑都可能影响到最终结果。其中漏电流传感器RCMU作为监测微小电流的敏感器件与EMC问题联系紧密。

  • 什么是辐射抗扰

EMC检测的全称是电磁兼容性检测(Electro MagneticCompatibility),其定义为“设备和系统在其电磁环境中能正常工作且不对环境中任何事物构成不能承受的电磁骚扰的能力” 该定义包含两个方面的意思:首先,该设备应能在一定的电磁环境下正常工作,即该设备应具备一定的对外界的电磁抗扰度(EMS);其次,该设备自身产生的电磁骚扰不能对其他电子产品产生过大的影响,即电磁骚扰(EMI)。辐射抗扰度(RS:Radiated susceptibility)则是电磁抗扰度中最基本的测试项,也是较难排查的一项。

图片

  • EMC****辐射抗扰度测试参数了解

频率与场强的要求:

日常生活中,许多设备都能产生特定频率的电磁场辐射源,对电子设备的正常工作产生干扰。比如无线电台,固定或移动式无线电发射台等。一般实验频率为80MHz1GHz/6GHz,范围与现阶段使用的无线通讯频率有关,现在许多无限通讯设备使用2.4GHz,或高达5.6GHz。而光伏逆变器主要频率范围为:30MHz1GHz。

场强的要求大小和使用场所相关。3V/m通常用在消费类电子,10V~30V/m用在工业类,汽车要求则会更高。

图片

调制种类:

EMC试验中通常有以下3种调制

-CW:连续波

-AM:振幅调制(1KHz 80%)

-PM:脉冲调制

图片

AM的变化梯度比较大,一般摸底测试的时候,更倾向于用AM波来对设备的抗扰能力进行摸底测试。

相比于工业标准,车规的测试要求则会高很多。

频率范围:低频从200MHz1GHz,高频为1GHz3.4GHz。

场强大小:汽车类应用都会有较高的场强要求,特别是车载器件,100V/m~140V/m是很长见的要求。

  • 基于电磁强度的环境分类

电磁波种类及场强

图片

根据《环境电磁波卫生标准》GB 9175-88的要求,对于一级标准的定义:

指在该环境电磁波强度下长期居住、工作、生活的一切人群(包括婴儿、孕妇和老弱病残者),均在会受到任何有害影响的区域;新建、改建或扩建电台、电视台和雷达站等发射天线,在其居民覆盖区内。对于二级标准的定义:为中间区,指在该环境电磁波强度下长期居住、工作和生活的一切人群(包括婴儿、孕妇和老弱病残者)可能引起潜在性不良反应的区域;在此区内可建造工厂和机关,但在许建造居民住宅、学较、医院和疗养院等,已建造的必须采取适当的防护措施。

注:超过二级标准地区,对人体可带来有害影响;在此区内可作绿化或种植农作物,但禁止建造居民住宅及人群经常活动的一切公共设施,如机关、工厂、商店和影剧院等;如在此区内已有这些建筑,则应采取措施,或限制辐射时间。

而各种环境领域产品的电磁辐射设计要求也正是基于以上标准。

  • 光伏逆变器中抗扰度测试的要求(射频电磁场辐射抗扰度)

根据NB/T 32004确认逆变器的抗扰度的要求

频率范围:80MHz~1000MHz

天线极化方向为:水平和垂直方向

场强大小:10V/m(非调制)

正弦波1KHz,80%幅度调制

性能判据等级:A

测试模型:

图片

测试判据:漏电检测部分关系到机器是否正常运行,所以判据要求A级。

  • 逆变器中常见的与剩余电流检测相关EMC问题

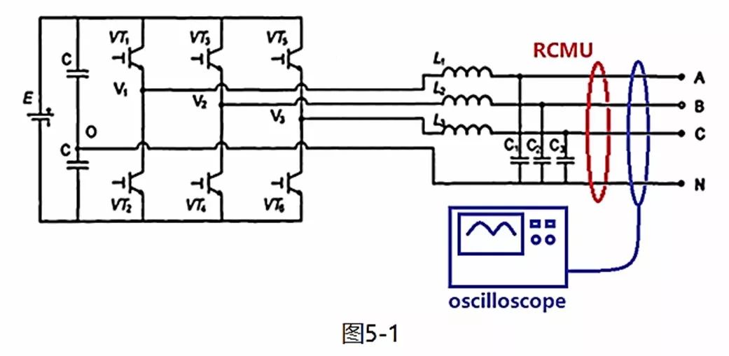
逆变器漏电流的检测报警原理:

RCMU漏电流传感器通过ADC实时采集逆变器输出矢量和,一般采集平均值或均方根来进行控制计算。当计算值达到保护阈值时,逆变器发生报警。

图片

而逆变器中引起漏电流报警的EMC相关问题较常见的有以下几点:

(1) PV输入源上有干扰,导致输出矢量不平衡

(2) 内部个别部件的辐射干扰过大或传导线路耦合干扰

(3) 系统对传感器的供电本身不稳定

(4) 漏电流传感器失效

【变器输出矢量不平衡】

RCMU实时检测到了真实的剩余电流,正常的逆变器在运行时多少会出现输出不平衡现象,尤其是在开机和关机阶段有较大的不平衡波形存在。这和继电器吸合及整个机器的拓扑设计等有一定关系,但如果不平衡现象过大的话,则应考虑是否有外界干扰引入。例举PV源上的干扰问题

逆变器开机阶段提示漏电流异常,报警。检测逆变器内部漏电流传感器输出波形有较大的跃动及毛刺。同时,在交流并网端也检测到了一个相似的波形。排查后发现整个干扰的引入源在逆变器的DC源上,在DC源的线上增加多个共模磁环后,PV源上共模干扰被滤除干净。

图片

改善方式:可以通过在直流源输出线上增加共模电感来滤除干扰。

【器件本身供电漂移较大】

单电源供电传感器,供电电压范围有一定要求,当供电受到异常干扰时或者供电本身不稳定,并且超出了标称可允许范围。其对应的输出也会不再可靠。一般的表现特性为供电有一定偏移,输出端会有对应的偏移量。

图片

改善方式:供电的不稳定可以通过在5V端增加 LDO或者选用稳定性更好的电源芯片来加以优化。

【漏电流传感器失效,如雷击浪涌】

逆变器作为光伏系统中重要的组成部分,在电网回路中担任着重要的角色。同时也需要承受电网波动不稳所带来的负面影响。并网回路中的差共模,浪涌问题最为常见,需确保并网回路上的器件有足够大的承受能力。逆变器的工作环境也决定了外界的恶劣天气,如雷击浪涌同样需要克服。

图片

改善方式:RCMU通过ASIC芯片内部集成防护方式结合外部防护器件,可对器件进行双重防护,大大提高器件本身的抗浪涌耐压能力。

【设备中本身存在过强的干扰源】

一般传感器(按照CE认证要求)都能过工业的10V/m场强要求。但当内部的模块产生的场强超过该强度后,就极有可能触发误报警。产生源可以是通讯模块及高频器件等。如果是通讯模块,由于决定发射功率的是基带,这意味着很难通过修改通讯模块来改善通讯所带来的干扰。

图片

改善方式:在发射源无法优化的情况下,可以提升受干扰者的抗扰度能力。以漏电流传感器RCMU为例,通过自身PCBA布局及SOC芯片设计,减小干扰回路,可以大大提升了抗扰度能力。使其承受场强远超工业标准,甚至能达到高达140V/m场强的辐射抗扰要求。

【改善抗扰度能力的方式(PCB优化)】

图片

结尾

当一个行业或者环境日渐成熟后,市场大环境对产品本身的要求就会不断提升。现今国产逆变器在全球范围内都享誉盛名,但这是很多逆变器厂家前期摸着石头趟河趟出来的。还是拿EMC问题举例,早先大家都对EMC问题轻视,欧系逆变器厂家借此作为拦路虎,惊退一大批业界厂家。而后国内厂家痛定思痛,全力将其克服,更有痛下决心,自建10m暗室的标杆企业。

确实,系统中EMC的处理会难于一般的设计问题,改善方案从最初的围堵形式为主:套共模电感、加屏蔽罩等方式,逐渐升级为从设计思路上去规避问题。即只要了解EMC特性,有针对有目的地去设计产品,便可以大大降低成品系统的EMC风险性。

温馨提示:以上内容整理于网络,仅供参考,如果对您有帮助,留下您的阅读感言吧!
相关阅读
本类排行
相关标签
本类推荐

CPU | 内存 | 硬盘 | 显卡 | 显示器 | 主板 | 电源 | 键鼠 | 网站地图

Copyright © 2025-2035 诺佳网 版权所有 备案号:赣ICP备2025066733号
本站资料均来源互联网收集整理,作品版权归作者所有,如果侵犯了您的版权,请跟我们联系。

关注微信