全球最实用的IT互联网信息网站!

AI人工智能P2P分享&下载搜索网页发布信息网站地图

当前位置:诺佳网 > 电子/半导体 > EMC/EMI设计 >

新型的有源EMI滤波器(AEF)电路分析

时间:2023-10-30 10:49

人气:

作者:admin

标签:

导读:新型的有源EMI滤波器(AEF)电路分析-本成果提出了一种新型的有源EMI滤波器(AEF)电路。该有源电路是无变压器结构的,其理念是可以根据数学计算从阻抗的角度简单高效地进行计算及...

研究背景

开关电源的频繁使用会产生严重的电磁干扰 (EMI) 噪声,从而影响邻近的电路和设备。无源 EMI 滤波器作为传统的解决方案,已被广泛用于系统设计中用来降低噪声;但是无源器件例如电感、电容等尺寸和重量都较大,同时电感带宽通常较低,因此在很多应用中要用到高阶滤波器才能获得足够的衰减。随着第三代功率半导体器件及电路拓扑的发展,无源滤波器的体积已成为提高功率密度的限制因素之一。采用有源EMI滤波器可以减小滤波电路的体积重量,这一点在功率密度敏感的系统中有很大的优势,因此逐渐引起了业界关注。

成果简介

本成果提出了一种新型的有源EMI滤波器(AEF)电路。该有源电路是无变压器结构的,其理念是可以根据数学计算从阻抗的角度简单高效地进行计算及设计。然后根据以上设计出的参数搭建了有源电路原型,并配合其他的无源EMI滤波器(PEF)电路,将其构建为一个混合 EMI 滤波器 (HEF) 模块。实验表明,对于50W DC-DC 1/8砖式转换器,在满载(10A)情况下,该混合 EMI 滤波器 (HEF) 模块在配合使用有源电路时可以比仅使用无源滤波电路时实现10dB以上的降噪性能提升。

亮点提炼

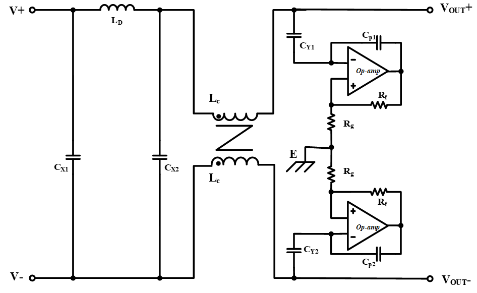
图1为将有源EMI滤波器(AEF)安装在无源EMI滤波器(PEF)电路中的原理图。该电路同时包含有源部分和无源部分,因此被称为混合EMI滤波器(HEF),用以进行进一步的验证和评估性能。该HEF滤波模块的照片如图2。

fa761ec8-630e-11ee-939d-92fbcf53809c.png

图1 含有AEF及PEF的混合滤波(HEF)模块原理图

fa8e9746-630e-11ee-939d-92fbcf53809c.png

图2 HEF滤波模块照片

图3为HEF滤波模块的评估板照片,该评估板包括HEF模块部分及砖式DC-DC电源部分。

fabf4274-630e-11ee-939d-92fbcf53809c.png

图3 HEF滤波模块评估板照片

图4为EMI测试的实验平台,该测试在用于测试传导噪音的屏蔽房中进行,其中包括供电电池、LISN、评估板及阻性负载。DC/DC 直流开关电源模块的工作条件为 Vin = 12V、Vout = 5V 和 Iout = 10A(满载)。 12V 铅酸电池用于提供输入直流电源。频谱分析仪(HMS-X,ROHDE & SCHWARZ)用于测量LISN(LI-125A COM-POWER CORPORATION)输出端子的噪声水平。

fae4b216-630e-11ee-939d-92fbcf53809c.png

图4 传导EMI噪音测试平台

图5和图6为测得的EMI噪声频谱。图5中浅蓝色曲线代表DC-DC电源转换器的裸噪声频谱,即测量中没有滤波器。深蓝色曲线代表包含PEF和AEF的混合滤波电路模块(HEF)后的噪声频谱。在低频段(300kHz至500kHz),最大降噪幅度可达30dB以上。在高频(约7MHz至30MHz)下,可实现约10dB的降噪。在中频,最多有超过5dB的谐波降噪效果。

图6为使用HEF模块测试时,将AEF部分通电/关断测得的EMI噪声频谱的比较。浅蓝色曲线代表包含PEF和AEF的混合滤波电路模块(HEF)在AEF部分断电的情况下的噪声频谱,即只有PEF部件正常工作。深蓝色曲线表示AEF上电时的噪声频谱,即HEF模块的PEF部分和AEF部分都正常工作,与图5中深蓝色曲线相同。

fb0c2080-630e-11ee-939d-92fbcf53809c.png

图5 混合滤波模块及裸噪音测试结果对比

fb2eff42-630e-11ee-939d-92fbcf53809c.png

图6 混合滤波模块及无源滤波部分测试结果对比

结果表明,图5中低频段的30dB降噪主要来自PEF部分,而图6中高频的10dB降噪效果主要来自AEF部分。这证明了我们提出的AEF电路在高频段的有效性。

前景与应用 

通过采用我们提出的AEF技术,可以减小EMI滤波器器件的尺寸和重量,以避免传统无源设计中常见的过度设计。该技术也可以应用于许多其他不同的系统,例如AC/DC,DC/AC等。同时,由于检测及注入点采用电容方式,不包含磁性器件,因此带宽较高,尤其适用于基于第三代功率半导体的高频高功率密度设计中进行降噪。

完成人与研究团队介绍

 

许丹婷

许丹婷,博士,香港应用科技研究院助理主任工程师,2018年加入应科院集成电路与系统部门,主要研究方向包括有源EMI滤波技术和DC/DC电路设计。她参与了多个香港政府项目和客户项目的电力电子产品设计,拥有超过5年的R&D产品设计经验,特别是关于负载点电源(PoL)DC-DC转换器和有源及无源EMI滤波器的设计。曾经在国际知名电力电子期刊及会议中发表论文6篇,并申请/获得授权美国专利6项。在加入ASTRI之前,她在2018年于香港大学电子及电机工程系取得博士学位。

香港应用科技研究院(应科院)由香港特别行政区政府于2000年成立,为港府所属最大的研究机构,其使命是透过应用科技研究提升香港的竞争力。应科院的主要科技研发领域可归纳于四个技术部门,包括:可信及人工智能技术、通讯技术、物联网感测与人工智能技术、集成电路及系统。而技术研发主要应用在六项重点范畴:智慧城市、金融科技、新型工业化及智能制造、数码健康科技、专用集成电路及元宇宙。多年来,应科院致力培养研究及创科人才,并凭着其技术创新及对工商业界和社区的杰出贡献而屡获国际殊荣。截至2022/23年度,应科院已将接近1,400项技术转让给业界,并于中国内地、美国及其他国家获授超过1,000项专利。

编辑:黄飞

 

温馨提示:以上内容整理于网络,仅供参考,如果对您有帮助,留下您的阅读感言吧!
相关阅读
本类排行
相关标签
本类推荐

CPU | 内存 | 硬盘 | 显卡 | 显示器 | 主板 | 电源 | 键鼠 | 网站地图

Copyright © 2025-2035 诺佳网 版权所有 备案号:赣ICP备2025066733号
本站资料均来源互联网收集整理,作品版权归作者所有,如果侵犯了您的版权,请跟我们联系。

关注微信