全球最实用的IT互联网信息网站!

AI人工智能P2P分享&下载搜索网页发布信息网站地图

当前位置:诺佳网 > 电子/半导体 > EMC/EMI设计 >

esd是如何产生的?esd防护措施又有哪些?

时间:2023-11-01 15:27

人气:

作者:admin

标签:

导读:esd是如何产生的?esd防护措施又有哪些?-真空或低压气里移动的电子或离子的作用下,整流放大,振荡,开关等作用的管球(包括真空管,放电管,光电管,阴极射线管 等)。物体加热时...

01静电发生的原理

63ac502e-7881-11ee-939d-92fbcf53809c.png

所有物体是由带(+)电电子和带(-)电电子构成。在通常状态下,质子带的正电荷电量与电子带的负电荷电量相同,所以原子整体上呈电中性。中性的原子会因摩擦、接触或剥离等原因而导致电子发生移动——如果带上多余电子的话便会带负电;反之,如果失去电子的话便会带正电。静电发生在导体或半导体等所有物体上。

02物体带电形式

63b75924-7881-11ee-939d-92fbcf53809c.png

接触性带电:两个物体互相接触后分开时易发生静电。这种是我们周围常见到的静电现象。

63c1b70c-7881-11ee-939d-92fbcf53809c.png

摩擦带电:两个物体摩擦时发生热产生静电。静电由于接触的程度或表面的均匀度、接触压力、磨力、分离速度等不同而电荷量不同。

63d86812-7881-11ee-939d-92fbcf53809c.png

传递带电:用塑料袋包装的部品易发生静电。当塑料袋、塑料等带电体接触部品时易产生静电,也就是不带电体处在带电体的电场内时易产生静电。

63e8f9ca-7881-11ee-939d-92fbcf53809c.png

剥离带电:粘贴的标签或塑料揭下来时易发生静电,轴和皮带滚动分离时也容易产生静电。

63f65534-7881-11ee-939d-92fbcf53809c.png

喷射带电:液体或气体等喷射时喷射粒子和孔之间发生摩擦而产生静电。气枪或冷却风扇等属于喷射带电体(喷射后碰上物体时也会发生)。

6408a770-7881-11ee-939d-92fbcf53809c.png

热电子放出带电:真空或低压气里移动的电子或离子的作用下,整流放大,振荡,开关等作用的管球(包括真空管,放电管,光电管,阴极射线管 等)。物体加热时发出电子,温度升高时最外层轨道的电子能量增加使电子容易从原子上分离 。

6414ef44-7881-11ee-939d-92fbcf53809c.png

光电子带电:光线与材料的表面反应留下正电荷,也就是说紫外线(太阳线)照射电子产品时间过长易产生静电。

03静电发生序列

64231006-7881-11ee-939d-92fbcf53809c.png

该序列是按带电量多少由正到负排序,最上是带(++)电子最多,依次减弱至最下为带(--)电子最多

04静电引发的不良

643112b4-7881-11ee-939d-92fbcf53809c.jpg

 

643c0d18-7881-11ee-939d-92fbcf53809c.png

 

6455a390-7881-11ee-939d-92fbcf53809c.png

 

643c0d18-7881-11ee-939d-92fbcf53809c.png

任何PCB如果被接触或接近人、包装、电缆或其他可能产生大电位差的物体,就可能受到静电放电的影响。当这种电压差足够大时,就会形成电流通道,产生一个强烈的电流脉冲。随着电流脉冲的发展,会在元件和PCB电路板上的导体中产生高温。在极端场强和放电电流的情况下,PCB电路板可以被损坏,元件也可以被摧毁。

05

常见器件静电敏感度

种类 ESD电压范围(V)
V MOS 30-1800V
MOS FET  100-200V
GA AS FET 100-300V
EP ROM 100V
J FET 140-7000V
SAW 150-500V
OP-AMP 190-2500V
C MOS(INPUT PROTECTED) 250-3000V
SCHOTTKY DIODES 300-2500V
FILM RESISTORS 300-3000V
BIPOLAR TR‍ 380-7000V
ECL (P.C.B LEVEL)‍ 500V
SCR 680-1000V

 

06生产储存过程中静电发生量

64709678-7881-11ee-939d-92fbcf53809c.png

ESD 2000V

问题点:部品包装袋ESD2KV

对策:换用防静电包装袋

ESD 10000V

问题点:IC防止在静电材质的泡沫上

对策:使用IC JIC

6485a2f2-7881-11ee-939d-92fbcf53809c.png

 

6492c87e-7881-11ee-939d-92fbcf53809c.png

ESD 9000V

问题点:IC防止在静电材质的泡沫上

对策:使用IC JIC

649f6fa2-7881-11ee-939d-92fbcf53809c.png

ESD 5000V

问题点:部品与包装袋混放

对策:清除包装袋

ESD 2000V

问题点:部品盒材料不防静电

对策:铺设防静电MAT

64a9c466-7881-11ee-939d-92fbcf53809c.png

 

64b53dd2-7881-11ee-939d-92fbcf53809c.png

ESD 7000V

问题点:胶带和文件夹含高静电

对策:记录夹不得放置在PCBA上,胶带改用其他无静电材质的胶带。

其他静电发生量,例如地面走动,ESD1000-5000V。不戴静电环在作业台上作业,ESD800-1000V。坐在椅子上摩擦,500-1000V。塑料台TAPE,ESD5000V。

07PCB板级ESD保护

在PCB上实施ESD保护的目标是防止ESD电流流入电路,并通过低阻抗连接将其引导至地。然而,在正常条件下,组件仍然需要对受保护线路传输的信号保持无影响。也就是说ESD保护电路或组件只有在发生ESD事件时才应作出响应,并且必须在其上升时间内迅速进行,以便将ESD脉冲引导出去。

通常情况下,最好将ESD脉冲引导到系统中的地线上。按优先顺序排列的最佳选择为:

1.与地线相连的机箱接地。

2.机箱与系统地线相连,连接点远离可能发生ESD的地方。

3.PCB上的防护环,与第2种情况相同,有相同的系统地线连接。

4.系统地线。

最佳情况是将地线从PCB中移开,这就是为什么机箱接地在ESD保护和在故障发生时候作为电流的释放点上是首选的原因。

在一些靠近潜在ESD源(如连接器)的集成电路的输入/输出(I/O)上使用的一种电路是Zener二极管(瞬态电压抑制器)。这个小电路使用了4个Zener二极管,在ESD事件期间反向偏置,创建一个并联连接,用于ESD电压/电流,并保护负载组件。这应该被放置在源非常接近的地方,以便电流可以立即被导向地线。

64c586e2-7881-11ee-939d-92fbcf53809c.png

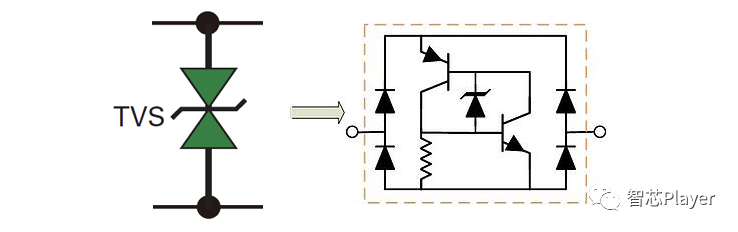
另一个选择是TVS二极管,这是在重要接口上实现ESD保护的另一种常见方法。尽管我们称这个组件为二极管,但它不仅仅是一个简单的二极管,如下面的等效电路所示。

64cfd89a-7881-11ee-939d-92fbcf53809c.png

其他ESD保护装置包括气体放电管和简单的压敏电阻。放电管通常用于电力浪涌(如Littelfuse组件),而不是用于快速ESD事件。在使用其作为ESD保护装置之前,请确保检查数据手册并了解该组件的响应时间。

USB以太网I2CRS-485RS-232等数字接口的ESD保护通常会在连接器和包含该接口的IC之间使用TVS二极管。除此之外,还需要对任何金属连接器护罩和未使用的引脚进行屏蔽。您的元器件数据手册通常会提供一些指导方针,以确保ESD保护。一些公司还在数据手册中列出了特定的ESD等级,这些等级可能符合特定的行业标准(例如汽车或电信标准),在设计可能容易受到ESD影响的设备时,您可以选择这些元器件。

08

生产制造过程中ESD保护

64dea42e-7881-11ee-939d-92fbcf53809c.png

静电防止用MAT按用途分类为TABLE、MAT和FLOOR MAT,按材质分类为传导材质和绝缘材质。

 

防静电服按材质不同分类。我们穿着的工作服是均匀排布含有金属纤维的材质,这类防静电服是最常用而有效的!类似晴伦类的衣物静电现象很严重。

64f7ccec-7881-11ee-939d-92fbcf53809c.png

等离子风机对不能接地的绝缘类(PIASTIC、VINYI等)有相当好的效果,但不同产品特性也不同,使用时要好好看说明书。(安全距离、清扫周期、同位元素、使用时的的校正周期等需注意)

65064aa6-7881-11ee-939d-92fbcf53809c.png

防静电液(防静电用SPRAY)分两类:

1. 用导静电性物质喷射物体表面,此时能接地。

2. 化学物质吸收空气中的潮气成为导静电性或防静电性,防止发生静电。

这样处理的物体当除去表面的潮湿层后,将不能发挥防静电的性能。也就是说虽然涂抹了防静电液,但时间过长会失去效果,所以要周期性确认处理。

09

人体对静电的主观感受

 

人体带电点位 电冲击的程度 备注
1.0KV 没感觉 发生微弱的放电音
2.0KV 手指尖有感觉但不疼  
2.5KV 吓一跳,好像碰上针尖,但不疼  
3.0KV 有点疼,用针轻轻刺一下的感觉 能见到放电的火光
4.0KV 手指头有轻微痛感,感觉用针刺一下 手指尖上放电火光
5.0KV 手心或胳膊腕子因电冲击感觉痛 (注)人体静电容量90PF
6.0KV 手指头好疼,感觉胳膊被电冲击
7.0KV 手指头和手心上有强烈的疼痛和麻木的感觉
8.0KV 手心和胳膊感觉麻木
9.0KV 手腕强烈疼痛,感觉麻木
10.0KV 手全部疼痛,感觉触电
11.0KV 手指头有强烈的麻木,整个手被强烈电冲击
12.0KV 因强烈的电冲击,身体有触电的感觉

 

10如何通过布局来保护PCB免受ESD影响?

6510bbee-7881-11ee-939d-92fbcf53809c.png

1.使用地平面:在PCB布局中,将地平面(GND)覆盖整个PCB,并确保地线连接良好。地平面可以提供对ESD的良好屏蔽和放电路径。

2.管理信号线:将信号线和地线尽可能地走在一起,并保持它们的平行距离最小。这有助于减小ESD对信号线的干扰。

3.使用差分信号:对于敏感的高速信号,使用差分信号传输可以提供更好的抗ESD能力。

4.添加滤波器:在信号线上添加滤波器可以帮助抑制ESD和其他噪声。

5.使用保护元件:在PCB布局中合理放置ESD保护元件,如TVS二极管、瞬态电压抑制器等。这些元件可以吸收和分散ESD能量,保护其他电子元件。

6.避免尖锐边缘:在布局中尽量避免尖锐的边缘,因为尖锐的边缘会增加ESD击穿的风险。

7.地线和电源线分离:将地线和电源线分开布置,以减少ESD对电源线的影响。

8.地线的回流:尽可能使用直接回流连接地线,以提供更好的ESD放电路径。

通过采取这些布局措施,可以有效地保护PCB免受ESD的影响,提高电路的可靠性和稳定性。

 

 

 

 

编辑:黄飞

 

温馨提示:以上内容整理于网络,仅供参考,如果对您有帮助,留下您的阅读感言吧!
相关阅读
本类排行
相关标签
本类推荐

CPU | 内存 | 硬盘 | 显卡 | 显示器 | 主板 | 电源 | 键鼠 | 网站地图

Copyright © 2025-2035 诺佳网 版权所有 备案号:赣ICP备2025066733号
本站资料均来源互联网收集整理,作品版权归作者所有,如果侵犯了您的版权,请跟我们联系。

关注微信