全球最实用的IT互联网信息网站!

AI人工智能P2P分享&下载搜索网页发布信息网站地图

当前位置:诺佳网 > 电子/半导体 > EMC/EMI设计 >

如何避免滤波高频噪声?

时间:2023-11-19 09:28

人气:

作者:admin

标签:

导读:如何避免滤波高频噪声?-60dB的PSRR意味着输入端的任何波动都会在输出端衰减1000倍,改善线性调整率的主要方法是增加控制电路的增益。控制回路的增益越高,输出端的误差就越小;可...

原文作者:zxf1809721203

噪声是电源设计中的一个老问题。对于电源而言,我们需要的是电源输出中的噪声要足够低。电源噪声是电磁干扰的一种,其传导噪声的频谱大致为10kHz~30MHz,最高可达150MHz。电源噪声,特别是瞬态噪声干扰,其上升速度快、持续时间短、电压振幅度高、随机性强,对微机数字电路易产生严重干扰。  

纹波是一种有规律的、周期性的电信号,它是由一个或多个幅度和频率相等的正弦波按照一定比例相加而形成的。纹波通常是由人为操作或故障引起的,例如电路中的不匹配或故障的设备。

噪声是一种无规律的、随机的电信号,它是由许多不同的波形和频率的信号组成的。噪声通常是由自然界中的电磁干扰或电路中的杂散电流引起的。

0f523d3c-85fa-11ee-939d-92fbcf53809c.jpg

在电信号处理中,纹波和噪声的区别是非常重要的。因此,在电信号处理过程中,常常需要对信号进行滤波,以去除纹波干扰,同时保留有用的信息

当然了,这两种现象都是叠加在我们想要的完美直流输出上的无用信号。纹波的来源一般是周期性的输入频率,以及控制芯片的开关频率,比如AC-DC电源的输入频率为50-60赫兹。无论我们使用的开关芯片有多好,AC输入频率的一部分都会通过开关电路泄漏输出端。

以输入信号为参考的纹波量主要由我们设计的线性调整率决定,这与电源抑制比(PSRR)的概念类似。也就是说,线性稳压器允许将多少输入信号传递到输出。它不仅是控制芯片自身的功能,也是整个电路的工作原理

60dB的PSRR意味着输入端的任何波动都会在输出端衰减1000倍,改善线性调整率的主要方法是增加控制电路的增益。控制回路的增益越高,输出端的误差就越小;可以通过环路控制来处理输入纹波;还可以使用更大的输入电容器,这将减少直流输入总线上的纹波,因此控制环路的PSRR将适用于更小的偏差。

除了输出中的固有纹波之外,控制芯片参考电压和所有其他噪声源都会产生随机噪声。我们可以采用滤波的方法来处理噪声,可以使用滤波器去除电源中的噪声,就像使用滤波器去除信号中的噪声一样。

事实上,我们可以将输出电容器视为滤波器的一部分,它对电源电路的输出阻抗作出反应,通过增加输出电容的值将降低噪声。

不过,需要注意的是,电容器同时具有等效串联电阻(ESR)和等效串联电感(ESL)。虽然选择具有较低ESR和ESL的电容器可以降低噪声,但某些电源电路使用ESR来提供误差信号,以进行输出电压反馈。所以,如果随意减小电容的ESR,比如用陶瓷电容器代替电解电容器,则可能会使电源工作不稳定。

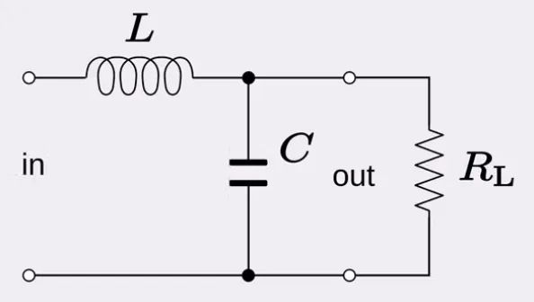
除了电源的输出电容之外,还可以添加一个串联电感器和另一个滤波电容器,以进一步降低输出噪声。电感器以可忽略的损耗传递直流电流,同时提供高频阻抗,电容器也可以滤除噪声。从本质上讲,电感器是增加电源的高频输出阻抗,从而我们可以使用更小的电容器更有效地对其进行滤波。

但需要注意的是,添加LC电路的问题在于它们具有自谐振频率。因此,它可能会使电源不稳定或在瞬态负载变化后产生不可接受的振铃。如果电源提供的输出电流比较低,可以使用电阻器代替电感器。这会产生一个直流损耗,但电阻器也会增加输出滤波器的阻尼,一般不建议这样做。

0f5f2970-85fa-11ee-939d-92fbcf53809c.jpg

另外还应注意,电路板走线具有电感,比如CAN通信中使用双绞线是减少电感,以防止振铃和过冲尖峰的好方法,添加任何滤波器都可能会增加系统的启动时间和瞬态响应。所以,在进行滤波设计时,还要考虑滤波效率与启动时间的权衡。

编辑:黄飞

 

温馨提示:以上内容整理于网络,仅供参考,如果对您有帮助,留下您的阅读感言吧!
相关阅读
本类排行
相关标签
本类推荐

CPU | 内存 | 硬盘 | 显卡 | 显示器 | 主板 | 电源 | 键鼠 | 网站地图

Copyright © 2025-2035 诺佳网 版权所有 备案号:赣ICP备2025066733号
本站资料均来源互联网收集整理,作品版权归作者所有,如果侵犯了您的版权,请跟我们联系。

关注微信