全球最实用的IT互联网信息网站!

AI人工智能P2P分享&下载搜索网页发布信息网站地图

当前位置:诺佳网 > 电子/半导体 > EMC/EMI设计 >

二极管器件在ESD防护中的作用

时间:2023-12-04 14:18

人气:

作者:admin

标签:

导读:早期工艺都是使用单个反偏二极管作为ESD防护器件。但是这种设计方法只适用于大线宽工艺。随着工艺的进步,现阶段的ESD防护策略已经不建议二极管反偏击穿泄放ESD电流,因为现在的...

二极管在早期IC电路的ESD防护中一直扮演着重要角色。即便现在二极管依然在ESD防护中发挥着重要的作用。这期就讲一下二极管在ESD防护中的作用。在ESD防护中所应用的二极管分为两种:一种为二极管器件,一种为寄生二极管。这一期先讲一下二极管器件。

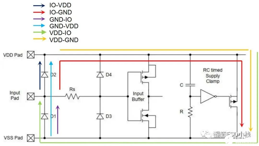
早期工艺都是使用单个反偏二极管作为ESD防护器件。但是这种设计方法只适用于大线宽工艺。随着工艺的进步,现阶段的ESD防护策略已经不建议二极管反偏击穿泄放ESD电流,因为现在的工艺下需要更大面积才能避免二极管发生热击穿。(随着线宽的减小热击穿与雪崩击穿的界限也愈加模糊) 一.端口的ESD防护 现阶段二极管通常与GCNMOS一起构成ESD防护网络,二极管应用于端口,GCNMOS作为Power Clamp,具体电路如下图所示。

640?wx_fmt=jpeg

图一.二极管+GCNMOS ESD网络工作原理图。 整个ESD网络的工作原理如图所示,整个网络中,二极管都工作在正向导通的情况下。通过二极管将IO端口的ESD泄放到VDD-Rail上,亦或是将GND-Rail上的ESD电路泄放到IO。当ESD电流进入VDD-Rail,RC触发单元开启NMOS沟道,形成泄放通路。(Power Clamp 只能被VDD-Rail上的ESD触发开启,具体细节可看前几期浅谈GCNMOS )如下图所示,笔者还见过另外一种ESD网络。

640?wx_fmt=jpeg

图二.二极管+GGNMOS ESD网络工作原理图。 图一的ESD网络属于频率触发机制,而该ESD网络属于电压触发机制。端口到GND的泄放路径的Trigger Voltage为正偏二极管+ GGNMOS,这种设计会提升ESD网络的Trigger Voltage。一般用于多电压域共地电路,如果多电压域采用GCNMOS作为Power Clamp,那么每个电压域都需要一个RC触发电路,面积不划算。 二.Gate Clamp 还可以用二极管实现Gate Clamp 技术。该技术简而言之就是使用二极管将MOS管的源/漏与栅端进行连接,利用二极管的钳位特性保护易出现失效的MOS管

640?wx_fmt=jpeg

图三.Gate Clamp应用实例。 通过控制二极管串的数量,调整Gate Clamp的Design Window使其在正常工作时关闭,发生ESD时开启。要求其开启电压要大于Absolute Max的1.1倍,小于栅漏的BreakDown Voltage 。从而实现对Main driver中NMOS的保护。

640?wx_fmt=jpeg

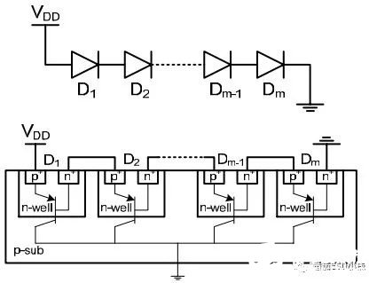
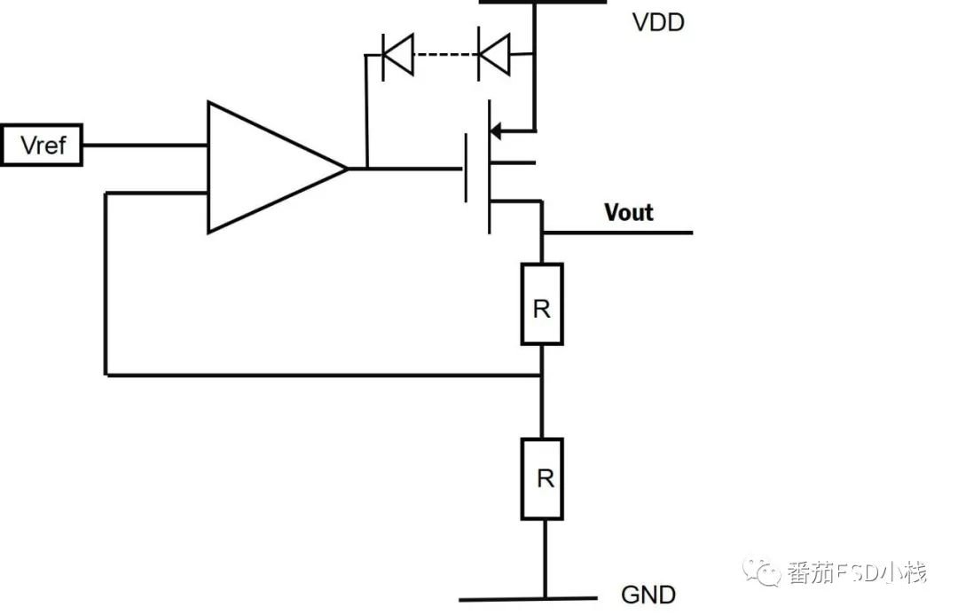
图四.LDO中Gate Clamp的应用。 另外笔者也对电源管理芯片中LDO的功率管设计过Gate Clamp技术,因为使用场景中VDD上会存在浪涌,为了保护LDO的功率管,在PMOS的源端与栅端连接了二极管串。通过控制二极管的数量,确保正常工作时VDD与误差放大器的压差无法开启Gate Clamp。当VDD发生浪涌时,通过Gate Clamp钳住功率管的VGS,起到保护的作用。(这个方案后续作废了,这里只是为从ESD保护的角度为读者提供思路,便于理解。) 三.二极管串 二极管串也可以作为Power Clamp,如图所示。

640?wx_fmt=jpeg

图五.二极管串及刨面图。

使用二极管串作为Power Clamp的工作原理与Gate Clamp类似,通过调整二极管的数量,控制二极管串的开启电压位于Design Window内。但是这种设计目前有两个弊端:

1.二极管是典型的Non-Snap-Back器件,其开启后IV特性还会表现出一定斜率,所以其防护性能不如GGNMOS等Snap-Back型器件

2.二极管串与衬底间存在寄生三极管,会构成达林顿组态从而导致开启电压的进一步降低。为了保持足够高的开启电压,需要串联更多的二极管,但是更多的二极管又会增强达林顿组态。所以二极管串作为Power Clamp的设计并不多见。

四.Locos-Bound 二极管与Polysilicon-Bound二极管 常见的二极管都是STI或者LOCOS作为隔离结构,但是现阶段为了提高ESD能力,出现了以Poly作为隔离结构的Polysilicon-Bound,具体如图所示。

640?wx_fmt=jpeg

图六.Locos-Bound diode与Polysilicon-Bound diode。 Locos-Bound diode阴极与阳极有源区间采用LOCOS作为隔离结构,而Polysilicon-Bound diode阴极与阳极间采用多晶硅作为隔离结构后者具有更加优秀的电流承载能力与更小的开启电阻,Polysilicon-Bound diode的二次击穿电流It2与开启电阻Ron都优于传统Locos-Bound diode。

640?wx_fmt=jpeg

图六.Locos-Bound diode与Polysilicon-Bound diode IV曲线对比。

640?wx_fmt=jpeg

图七.Locos-Bound diode与Polysilicon-Bound diode 开启电阻对比。

640?wx_fmt=jpeg

图八.Locos-Bound diode与Polysilicon-Bound diode电场分布图。 无论Locoss-Bound diode还是STI-Bound diode都会因为氧化物隔离而在有源区边缘引入应力,从而造成晶格适配形成势垒,使得电场在有源区与隔离的接触面更为集中。另一方面氧化物隔离的存在会使得电场线分布更加密集。反之,Polysilicon-Bound diode 整个N-Well较为均匀,晶格缺陷与位错较少。电场分布均匀,且电场线在有源区边缘也较为均匀。这使得Polysilicon-Bound diode具有均匀的电场分布和更加优秀的载流子迁移率。更为直观解释便是Polysilicon-Bound diode的载流子迁移路径更短(不需要绕过氧化物隔离),阱电阻更低,所以过电流能力强,开启电阻低。但是相对的,Polysilicon-Bound diode的击穿电压会略低于Locos-Bound diode(从数据上看差距并不明显)。

同时得益于器件内异质结电容的减少(异质结容值较小,只对ps级别的CDM放电产生影响),Polysilicon-Bound diode表现出更优异的CDM防护性能。如图所示,Polysilicon-Bound diode在VFTLP下的过冲电压远低于Locos-Bound diode,同时其对高频CDM具有良好的开启时间。

640?wx_fmt=jpeg

图九.Locos-Bound diode与Polysilicon-Bound diode在VFTLP下的过冲电压。

640?wx_fmt=jpeg

图十.Polysilicon-Bound diode在VFTLP不同上升脉冲下的过冲电压与开启时间。 针对CDM放电,开启时间的重要性远大于泄电流能力。所以Polysilicon-Bound diode针对CDM放电具有更加优异的表现。目前笔者所接触的国产工艺中还没有见过Fab提供Polysilicon-Bound diode的标准单元,可能SMIC的先进工艺会提供该二极管的pdk。相较于SCR笔者认为这种二极管推广难度更低,也确实能在一定程度上提高ESD性能。

审核编辑:黄飞

温馨提示:以上内容整理于网络,仅供参考,如果对您有帮助,留下您的阅读感言吧!
相关阅读
本类排行
相关标签
本类推荐

CPU | 内存 | 硬盘 | 显卡 | 显示器 | 主板 | 电源 | 键鼠 | 网站地图

Copyright © 2025-2035 诺佳网 版权所有 备案号:赣ICP备2025066733号
本站资料均来源互联网收集整理,作品版权归作者所有,如果侵犯了您的版权,请跟我们联系。

关注微信