全球最实用的IT互联网信息网站!

AI人工智能P2P分享&下载搜索网页发布信息网站地图

当前位置:诺佳网 > 电子/半导体 > EMC/EMI设计 >

如何使用LTspice获得出色的EMC仿真结果

时间:2023-12-18 11:15

人气:

作者:admin

标签:

导读:本文将介绍 如何通过开源LTspice 仿真电路来回答以下关键问题: (a) 我的系统能否通过EMC测试,或者是否需要增加缓解技术? (b) 我的设计对外部环境噪声的抗扰度如何? 为何要使用...

随着物联网互联设备和5G连接等技术创新成为我们日常生活的一部分,监管这些设备的电磁辐射并量化其EMI抗扰度的需求也随之增加。满足EMC合规目标通常是一项复杂的工作

本文将介绍如何通过开源LTspicewKgaomV-aOGALnu4AAAAoJMC_jk148.jpg仿真电路来回答以下关键问题:

(a)我的系统能否通过EMC测试,或者是否需要增加缓解技术?

(b)我的设计对外部环境噪声的抗扰度如何?

为何要使用LTspice进行EMC仿真?

针对EMC的设计应该尽可能遵循产品发布日程表,但事实往往并非如此,因为EMC问题和实验室测试可能将产品发布延迟数月。


通常,仿真侧重于电子设备的功能方面。但是,诸如 LTspice 之类简单的开源工具也可以用来仿真任何设备的EMC行为。由于许多人在家工作,并且EMC实验室的成本高昂(每天高达2000美元),因此准确的EMC仿真工具更显价值。花几个小时对EMC故障和电路修复情况进行仿真,有助于避免多次实验室测试迭代和昂贵的硬件重新设计。

为了发挥作用,EMC仿真工具需要尽可能准确。本系列文章会提供一些指南和LTspice EMC电路模型,这些模型经过仿真并与实际实验室测量结果非常吻合。

使用LTspice解决辐射和抗扰度问题

阅读本文后,您应该能够回答以下关键问题:

Q

我的系统是否有可能通过EMC测试?是否应该为共模电感、滤波电感或电容预留空间?

阅读本文后,您应该能够使用LTspice绘制降压转换器电源设计的差分和共模噪声图,并展示电路超过(失败)还是未超过(成功)传导辐射标准限值,如图1所示。

wKgaomV-aOKAI6VJAARuKk6hOJU864.png

图1. 差分和共模噪声的LTspice图,附有传导辐射限值线

Q

是否需要线性稳压器来为敏感负载提供稳定的电压?

阅读本文后,基于设计容许的降压输出纹波电压电平,您应该能够使用LTspice了解降压转换器的输出端是否需要LDO稳压器。此外,本文还提供了一个可配置的电源抗扰度(PSRR)测试电路。

用于传感器的降压转换器

MEMS振动传感器通常被置于一个小型金属外壳中,其直径通常为20 mm至30 mm,高度为50 mm至60 mm。带有数字信号链的传感器通常由长电缆提供9 VDC至30 VDC电源,功耗低于300 mW。为了能放入这种小型外壳内,需要高效率、宽输入范围的微型电源解决方案。

LT8618、LT8618-3.3 和 LT8604 是紧凑型高速降压开关稳压器,非常适合MEMS传感器应用。LT8618和LT8618-3.3已有相应的LTspice模型。LT8618具有良好的稳压能力,提供非常低的输出纹波,其峰峰值小于10 mV。然而,输出电容组的寄生电阻和电感会增加这种纹波,导致降压电路产生有害的传导辐射。容性负载、降压稳压器的输出开关寄生效应以及PCB设计和传感器外壳之间的耦合电容,都可能引起寄生效应。

提取和使用寄生值

接下来介绍工程师如何使用Würth REDEXPERT从实际电容中提取ESL和ESR寄生值,并使用LTspice进行电路仿真。在许多系统的输入端和输出端,电容和电感的寄生效应对EMI性能起着重要作用。为了降低系统输出纹波,分离各种寄生贡献有助于用户做出最佳选择。

我们使用LTspice和Würth REDEXPERT流程来讨论降压转换器的传导辐射仿真,如图2所示。对于降压转换器,通常来说,输出纹波与信噪比(SNR)相关,而输入纹波与EMC性能密切相关。

wKgaomV-aOKARISGAALeO8qQ3Hs004.png

图2. 使用LTspice进行传导辐射仿真的流程

概述图2所示的仿真方法之后,本文将使用 DC2822A LT8618演示板进行实际的实验室测量和仿真相关性分析。

使用Würth REDEXPERT数据的LTspice测试电路值

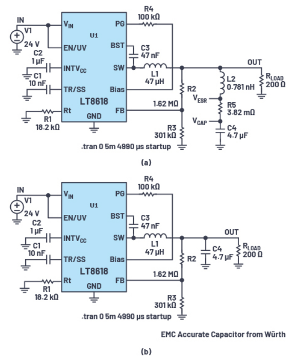
降压转换器的输出纹波电压是电容阻抗和电感电流的函数。为了获得更好的仿真精度,可以使用Würth REDEXPERT来选择4.7 µF输出电容(885012208040),并提取随频率变化的ESR和ESL。ESL和ESR有时会被加载到LTspice电容模型中,但快速检查将证明LTspice电容数据经常会忽略ESL。图3a和3b显示了两个等效电路:(a) 使用4.7 µF输出电容以及分立的ESL和ESR值;(b) 使用包含ESR和ESL参数的Würth电容。

wKgaomV-aOKAOSffAALcL1FqNLA337.png

图3. LTspice测试电路:(a) 使用4.7 μF电容以及分立的ESL和ESR值;(b) 使用包含ESR和ESL参数的Würth电容

REDEXPERT显示了许多元件的随频率而变化的阻抗,以帮助确定每个无源器件的关键寄生效应。这些寄生值稍后可以在LTspice模型中实现,从而能够单独评估其对总电压纹波的贡献。

如前所述,LT8618提供非常低的输出纹波,峰峰值小于10 mV。但是,当模拟容性负载和ESL的影响时,输出纹波电压为44 mV p-p。在频率范围内,电容ESL对噪声的贡献相当大,如图4的FFT图所示。

wKgaomV-aOWACXOMAAPAEDccP-U055.png

图4. FFT图显示了一个4.7 μF电容的纯电容、ESL和ESR各自对频谱的贡献

使用LTspice LISN电路评估降压输入端的EMI合规性

为了评估传导设置中的EMC合规性,大多数标准依赖于线路阻抗稳定网络(LISN)或人工电源网络(AMN)。这些器件具有类似的功能,位于电路电源和被测器件(DUT)——这里是降压转换器——之间。LISN/AMN由低通和高通滤波器组成。低通滤波器提供从低频电源(直流至几百赫兹)到DUT的路径。高通滤波器用于测量电源和返回电源线噪声。这些电压是在50 Ω电阻上测量,如图5和图6所示。在实际实验室中,该电压使用EMI接收器来测量。LTspice可用来探测噪声电压并绘制传导辐射测试频谱图。

wKgaomV-aOaAW188AAGBVPWMNb4605.png

图5. LISN置于电源和被测器件(DUT)之间

wKgaomV-aOaAXgrSAAKtESgmX9U346.png

图6. LISN内部的共模和差模干扰的表示

传导辐射可分为两类:共模(CM)噪声和差模(DM)噪声。区分CM和DM噪声很重要,因为EMI缓解技术可能对CM噪声有效,但对DM噪声无效,反之亦然。由于V1和V2电压同时输出,因此在传导辐射测试中可以使用LISN来分离CM和DM噪声,如图6所示

DM噪声在电源线和返回线之间产生,而CM噪声是通过杂散电容CSTRAY在电源线和接地参考平面(例如铜测试台)之间产生。CSTRAY实际上模拟了降压转换器输出端的开关噪声寄生效应。

图6对应的LTspice LISN电路如图7所示。为了获得更高的仿真精度,使用L5和L6电感来模拟LISN电源引线到测试电路的电感。电阻R10模拟测试板开槽接地层的阻抗。图7还包括用于模拟CSTRAY的电容C10。电容C11模拟传感器PCB和传感器机械外壳之间的寄生电容。

wKgaomV-aOaAT9XKAALJvGosVKE658.png

图7. LTspice LISN电路、LT8618降压转换器和寄生建模

运行仿真时,应设置LTspice以帮助LISN电路更快达到稳定状态,因为启动条件选择错误可能导致长期持续振荡。

确保取消勾选"Start External DC Supply Voltages at Zero"(从零启动外部直流电源电压),并根据需要指定电路元件的初始条件(电压和电流)。

图8显示了CM和DM噪声,使用的是从LISN端子V1和V2测得的LTspice FTT图。为了再现图6所示的算术运算,对于DM噪声,V1和V2相减后乘以0.5;对于CM噪声,V1与V2相加,结果乘以0.5。

wKgaomV-aOaADUMyAAG0pZD9Zqc986.png

图8. DM噪声(黑色)和CM噪声(蓝色)的LTspice FFT图

在实验室中,传导辐射通常以dBµV为单位进行测量,而LTspice的默认单位为1 dbV。两者之间的关系为1 dbV = 120 dBµV。

因此,DM噪声(以dBµV为单位)的LTspice表达式为

wKgaomV-aOaAG5jQAAAcR48Wk7Y126.png

CM噪声的表达式为

wKgaomV-aOaAOpUXAAAiwi7BHIU678.png

添加传导辐射限值线

LTspice FFT波形查看参数可以通过绘图设置文件进行编辑。使用LTspice FFT菜单,导航到"Save Plot Settings"(保存绘图设置)并点击保存。绘图设置文件可以使用文本编辑器打开,并且可以进行操作以添加EN 55022传导辐射限值线以及相关的EMC频率范围(10 kHz至30 MHz)和幅度(0 dBµV至120 dBµV)。

EN 55022传导辐射标准频率和幅度限值可以利用Excel进行操作,以提供正确的语法来复制和粘贴到LTspice绘图设置文件,如图9所示。线定义可以粘贴到绘图设置参数中,如图10所示。图10还显示了X频率和Y幅度参数。

wKgaomV-aOeAGTM3AAB6bQ7fMGw726.png

图9. 生成正确的语法以复制并粘贴到LTspice绘图设置文件

wKgaomV-aOeAK2OBAACIBuHGRXA863.png

图10. 添加传导辐射通过/失败线定义和频率/幅度刻度

图11显示了传导辐射限值线,以及降压电路的DM和CM传导辐射。电路在2.3MHz至30 MHz频段内未通过辐射测试。

wKgaomV-aOeAVHK1AAJMifrnbGo088.png

图11. LTspice FFT图和EN 55022传导辐射限值线

解决降压转换器EMI

为了降低电路的DM噪声,可以在输入轨上放置一个ESL和ESR非常低的电容,例如C12 22 µF Würth 885012209006,如图12所示。

wKgaomV-aOeAYtoMAAQTBXbljIs803.png

图12. 解决降压转换器辐射问题

为了降低CM噪声,可以从LTspice库中选择Würth共模扼流圈,例如250 µH 744235251(WE-CNSW 系列)。封装尺寸4.5 mm × 3.2 mm × 2.8 mm非常适合空间受限的MEMS传感器外壳。图13显示了问题解决后的降压转换器的FFT图。

wKgaomV-aOeAYEtrAAH_q8w6kBs331.png

图13. 解决降压转换器问题后的FFT图

使用DC2822A LT8618演示板的实际实验室测量和仿真相关性

本文为LTspice进行传导辐射仿真提供了指导。这些方法可用于任何降压转换器电路。现在我们将注意力转向使用DC2822A LT8618演示板的仿真和EMC实验室相关性,如图14所示。DC2822A演示板包括多个输入和输出电容,这些电容未包含在以前的仿真模型中(例如图7和图12)。图15中显示的LTspice模型包括这些电容,以及使用Würth REDEXPERT获得的电容ESL和ESR值。

wKgaomV-aOeAeMvVAAWnuaaqPvU332.png

图14. DC2822A LT8618演示板

wKgaomV-aOiAHQ-OAALzPhDlmPQ859.png

图15. DC2822A演示板VIN配置对应的LTspice模型

DC2822A演示板包括两个电源输入:VIN和VEMI。VIN输入电源轨绕过了PCB上使用的铁氧体磁珠。图15 LTspice模型对应于演示板VIN配置。图16显示了LTspice仿真的FFT,共模辐射在2 MHz时略微超过传导辐射限值线。

wKgaomV-aOiAcJ6TAAIRywe9nUM127.png

图16. DC2822A VIN配置对应的LTspice FFT图

为了减少仿真时间,并优化LTspice仿真与DC2822A演示板实验室测量的匹配度,相比之前的模型(图7和图12),我们对图15进行了以下更改:

  • 无需模拟外壳和PCB之间的100 pF电容,我们只为DC2822A演示板建模。

  • 从一开始就假设这个设计良好的PCB上的开关噪声可以忽略不计,之前,我们在图7和图12中估计了5 pF的开关噪声。

  • 忽略LISN和DC2822A演示板之间导线的非常小电感。

  • 添加1 kΩ电阻与50 µH LISN电感并联以减少仿真时间(缩短LISN建立时间)。

对图15电路进行上述改变之后,图17显示了LTspice仿真与EMC实验室中DC2822A演示板的实际测量的比较。LTspice仿真模型非常准确地预测到实际实验室辐射的主要峰值。

wKgaomV-aOiAbKSTAAKQidjcK6I277.png

图17. DC2822A VIN配置,LTspice和实际EMC实验室辐射的比较

通过铁氧体磁珠(EMI滤波器)VEMI轨测量,DC2822A演示板轻松符合60 dBµV的传导辐射限值线。事实上,在较低频率时,DC2822A演示板只有30 dBµV至35 dBµV的辐射。

传导抗扰度

有线状态监控传感器具有严格的抗扰度要求。对于铁路、自动化和重工业(例如纸浆和纸张加工)的状态监控,振动传感器解决方案需要输出低于1 mV的噪声,以避免在数据采集/控制器处触发错误的振动水平。这意味着电源设计向测量电路(MEMS信号链)输出的噪声必须非常低(低输出纹波)。电源设计还必须不受耦合到电源电缆的噪声的影响(高PSRR)。

如前所示,由于非理想的容性负载和突发操作,LT8618可能有数十毫伏的输出纹波。对于MEMS传感器应用,LT8618的输出端需要一个超低噪声和高PSRR的LDO稳压器,例如 LT3042。

针对抗扰度(PSRR)的灵活仿真电路

图18所示的LTspice电路可用来仿真LT3042的PSRR。图18所示的时域瞬变模型是交流扫描方法的替代方法。这种时域模型比交流方法更灵活,甚至允许用户对开关稳压器的PSRR进行仿真。仿真电路频率扫描电压输入轨的变化,并模拟输出电压的相应变化。换句话说,仿真评估如下方程:PSRRLT3042= 频率范围内(VIN变化)/(VOUT变化)。

wKgaomV-aOiACCjjAAMT0AmfwVc968.png

图18. 在10 kHz至80 MHz范围内仿真LT3042 LDO稳压器的PSRR

图18含有几个强大的语句。.meas和.step语句的组合使用户能够在LDO输入端添加电压噪声源,并在频率范围内测量电压输入阶跃变化情况下的LDO PSRR。

.meas语句

允许用户在一个时间范围内测量信号的峰峰值并将其输出到SPICE错误日志。图18测量了输入和输出纹波,并计算测量数据的PSRR。所有这些都输出到SPICE错误日志中。

.step语句

在单次仿真运行中,.step命令可用于扫描变量的一系列值。图18中的.step语句在50 Hz至10 MHz范围内阶跃改变V2电压源正弦波。

C2输出电容初始电压可设置为3.3V,以加快建立(和仿真)时间。这是通过编辑电容属性来完成的,通过禁用LTspice中的"Start External DC Supply Voltage at 0 V"选项可以进一步加快速度。

使用SPICE错误日志

仿真完成后,右键单击其中一个窗口,选择查看并选择SPICE错误日志(或使用Ctrl+L热键)。SPICE错误日志包含.meas语句的数据点。

要绘制.meas数据图,请右键单击错误日志并选择绘制阶跃.meas数据,右键单击空白屏幕以选择"Add Trace"(添加迹线,或使用Ctrl+A)并选择PSRR。右键单击x轴,选中单选按钮以显示对数刻度。这将显示PSRR随频率的变化,如图19所示。

wKgaomV-aOmAR-eTAAJbATf2FO0218.png

图19. 绘制LT3042 LDO稳压器的仿真PSRR图

原始LT3042数据手册曲线中的一些伪影不可见(约2 MHz),但整体形状和值与数据手册接近。

图20显示了频率范围内的输出电压纹波。在50 Hz至10 MHz范围内,它小于200 µV。在相同频率范围内,输入电压纹波为1 V p-p。LT3042为噪声敏感的MEMS解决方案提供了出色的PSRR和低噪声电源。

wKgaomV-aOmAVKHDAAJ_OzCLD5g701.png

图20. 绘制LT3042仿真输出电压纹波随频率的变化图

使用SPICE错误日志的.meas方法可用来仿真许多其他参数,包括:

  • 开关稳压器的PSRR

  • PSRR、电压差与频率三者的关系

  • PSRR与旁路网络的关系

  • RMS输出纹波与直流输入的关系

  • 效率与元件值的关系

总结

本文提供了LTspice仿真电路和方法,用以绘制降压转换器电源设计的差分和共模噪声图。本文让用户能够绘制传导辐射限值线,并帮助预测EMC实验室故障。仿真方法通过实验室测量得到验证,与LT8618 DC2822A演示板实测结果匹配。

在LT8618降压转换器的输出端使用LT3042 LDO稳压器,可为MEMS传感器应用提供超低噪声、高PSRR解决方案。针对PSRR的灵活仿真电路表明结果与LT3042数据手册有良好的一致性。在50 Hz至10 MHz范围内,即使存在较大的1 V p-p输入电压噪声,LT3042的仿真输出纹波也小于200 µV。

wKgaomV-aOqAOv6NAAAAjgjvZ2U871.png
温馨提示:以上内容整理于网络,仅供参考,如果对您有帮助,留下您的阅读感言吧!
相关阅读
本类排行
相关标签
本类推荐

CPU | 内存 | 硬盘 | 显卡 | 显示器 | 主板 | 电源 | 键鼠 | 网站地图

Copyright © 2025-2035 诺佳网 版权所有 备案号:赣ICP备2025066733号
本站资料均来源互联网收集整理,作品版权归作者所有,如果侵犯了您的版权,请跟我们联系。

关注微信