全球最实用的IT互联网信息网站!

AI人工智能P2P分享&下载搜索网页发布信息网站地图

当前位置:诺佳网 > 电子/半导体 > EMC/EMI设计 >

32款emc设计标准电路设计方案

时间:2023-08-02 09:21

人气:

作者:admin

标签:

导读:32款emc设计标准电路设计方案-01 AC24V接口EMC设计标准电路02 AC110V-220VEMC设计标准电路03 AC380V接口EMC设计标准电路04 AV接口EMC设计标准电路...

01 AC24V接口EMC设计标准电路

13775cc6-30c8-11ee-9e74-dac502259ad0.jpg

02 AC110V-220VEMC设计标准电路

138fda94-30c8-11ee-9e74-dac502259ad0.jpg

03 AC380V接口EMC设计标准电路

13992374-30c8-11ee-9e74-dac502259ad0.jpg

04 AV接口EMC设计标准电路

13a86596-30c8-11ee-9e74-dac502259ad0.jpg

05 CAN接口EMC设计标准电路

13bb2578-30c8-11ee-9e74-dac502259ad0.jpg

06 DC12V接口EMC设计标准电路

13cc8ade-30c8-11ee-9e74-dac502259ad0.jpg

07 DC24V接口EMC设计标准电路

13e93bf2-30c8-11ee-9e74-dac502259ad0.jpg

08 DC48接口EMC设计标准电路

13fc3c5c-30c8-11ee-9e74-dac502259ad0.jpg

09 DC110V接口EMC设计标准电路

140c3de6-30c8-11ee-9e74-dac502259ad0.jpg

010 DVIEMC设计标准电路

1420afa6-30c8-11ee-9e74-dac502259ad0.jpg

011 HDMI接口EMC设计标准电路

1431d34e-30c8-11ee-9e74-dac502259ad0.jpg

012 LVDS接口EMC设计标准电路

1445e03c-30c8-11ee-9e74-dac502259ad0.jpg

013 PS2接口EMC设计标准电路

14581fe0-30c8-11ee-9e74-dac502259ad0.jpg

014 RJ11EMC设计标准电路

146baa6a-30c8-11ee-9e74-dac502259ad0.jpg

015 RS232 EMC设计标准电路

1474c33e-30c8-11ee-9e74-dac502259ad0.jpg

016 RS485EMC设计标准电路

147dd438-30c8-11ee-9e74-dac502259ad0.jpg

017 SCART接口EMC设计标准电路

14954dd4-30c8-11ee-9e74-dac502259ad0.jpg

018 s-video接口EMC设计标准电路

14a7879c-30c8-11ee-9e74-dac502259ad0.jpg

019 USBDEVICE EMC设计标准电路

14b6fd26-30c8-11ee-9e74-dac502259ad0.jpg

020 USB2.0接口EMC设计标准电路

14c6c2e2-30c8-11ee-9e74-dac502259ad0.jpg

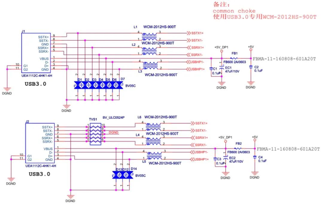
021 USB3.0接口EMC设计标准电路

14d98e4a-30c8-11ee-9e74-dac502259ad0.jpg

022 VGA接口EMC设计标准电路

14eccb7c-30c8-11ee-9e74-dac502259ad0.jpg

023 差分时钟EMC设计标准电路

14fe8f74-30c8-11ee-9e74-dac502259ad0.jpg

024 耳机接口EMC设计标准电路

150f1e02-30c8-11ee-9e74-dac502259ad0.jpg

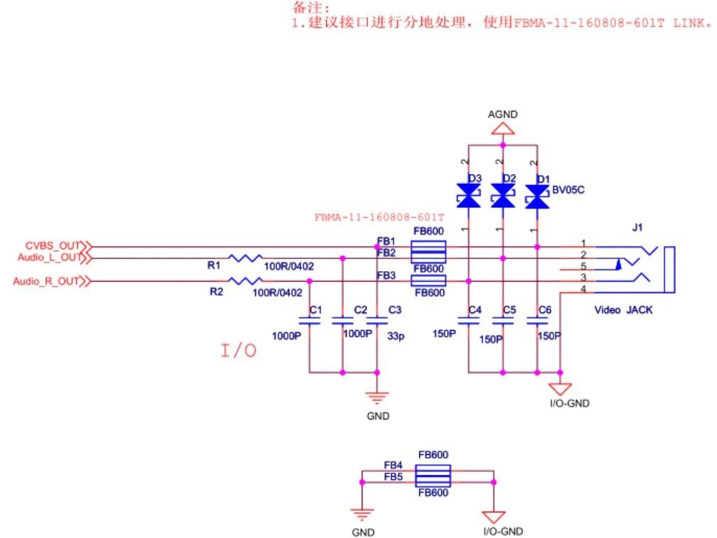
025 复合视频接口EMC设计标准电路

151f150a-30c8-11ee-9e74-dac502259ad0.jpg

026 汽车零部件电源口EMC标准设计电路

152e04e8-30c8-11ee-9e74-dac502259ad0.jpg


027 室内外天馈浪涌设计标准电路

1542b366-30c8-11ee-9e74-dac502259ad0.jpg

028 无源晶振EMC设计标准电路

1558f45a-30c8-11ee-9e74-dac502259ad0.jpg

029 有源晶振EMC设计标准电路

1568fb98-30c8-11ee-9e74-dac502259ad0.jpg

030 以太网EMC(EMI)设计标准电路

15794bc4-30c8-11ee-9e74-dac502259ad0.jpg

031 以太网EMC(浪涌)设计标准电路(差模要求较高方案)

158c49cc-30c8-11ee-9e74-dac502259ad0.jpg

032 以太网EMC(浪涌)中心抽头方案(节约空间)

15a2de58-30c8-11ee-9e74-dac502259ad0.jpg

编辑:黄飞

 

温馨提示:以上内容整理于网络,仅供参考,如果对您有帮助,留下您的阅读感言吧!
相关阅读
本类排行
相关标签
本类推荐

CPU | 内存 | 硬盘 | 显卡 | 显示器 | 主板 | 电源 | 键鼠 | 网站地图

Copyright © 2025-2035 诺佳网 版权所有 备案号:赣ICP备2025066733号
本站资料均来源互联网收集整理,作品版权归作者所有,如果侵犯了您的版权,请跟我们联系。

关注微信