全球最实用的IT互联网信息网站!

AI人工智能P2P分享&下载搜索网页发布信息网站地图

当前位置:诺佳网 > 电子/半导体 > EMC/EMI设计 >

LinkSwitch导致电磁兼容性问题,工程师何以解忧?

时间:2016-11-04 19:45

人气:

作者:admin

标签:

导读:LinkSwitch导致电磁兼容性问题,工程师何以解忧?-【导读】 电源是各种电子设备必不可少的重要组成部分,其性能的优劣直接关系到整个电子系统的安全性和可靠性。单片开关电源集成...

【导读】电源是各种电子设备必不可少的重要组成部分,其性能的优劣直接关系到整个电子系统的安全性和可靠性。单片开关电源集成电路由于其具有高集成度、高性价比、最简外围电路、最佳性能指标等优点,显示出了强大的生命力。随之带来的电磁兼容性问题也不容忽视,本文以真实案例为例讲解工程师如何化解LinkSwitch带来的电磁兼容性问题。

 

PI 公司于2002年9月推出的LinkSwitch(简称LNK)系列单片电源在正常工作时的开关频率一般在42kHz,不仅对前级电路带来很大的电磁兼容 问题,而且也对邻近的某些电子设备产生电磁干扰。故必须对整个电路进行电磁兼容(EMC)设计,使各个元件在复杂的电磁环境下都能正常运行。

 

1 LNK的电磁兼容性问题

 

开关电源产生电磁干扰最根本的原因,就是其在工作过程中产生的高di/dt与高dv/dt,它们产生的浪涌电流和尖峰电压形成了干扰源。开关管的驱 动波形、MOSFET漏源波形等矩形波在脉冲边缘时的高频变化对开关电源的基本信号造成了干扰。图1为由LNK构成开关电源的电路模型。下面具体分析图1 中噪声产生的原因和途径。

 

 

LinkSwitch导致电磁兼容性问题,工程师何以解忧?

 

图1 LNK开关电源电路模型

 

1.1 电源线引入的噪声

 

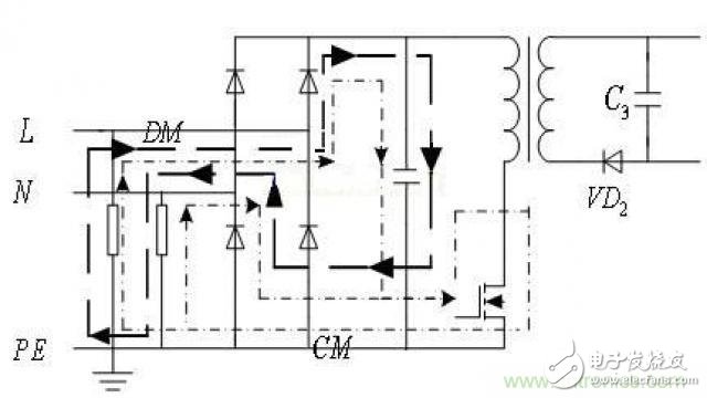
电源线噪声是电网中各种用电设备产生的电磁骚扰沿着电源线传播所造成的,对外表现为传导干扰和辐射干扰。传导干扰分为共模(Common Mode—CM)干扰和差模(Differential Mode—DM)干扰。共模干扰定义为任何载流导体与参考地之间的不希望有的电位差,差模干扰定义为任何两个载流导体之间的不希望有的电位差。由于开关电 路寄生参数的存在以及开关器件的高频开通和关断,使得开关电源在其输入端产生较大的共模干扰和差模干扰。图2即为图1的共模差模干扰的传播途径。在高频情 况下,由于dv/dt很高,激发变压器线圈间以及LNK的寄生电容,从而形成了共模干扰。如图2的黑体虚线所示。在高频情况下,在输入输出的滤波电容上产 生很高的di/dt,从而形成了差模干扰。如图2的淡体虚线所示。

 

 

LinkSwitch导致电磁兼容性问题,工程师何以解忧?

 

图2 共模、差模干扰传播途径

 

1.2 变压器产生的干扰

 

高频变压器是开关电源实现能量储存、隔离输出、电压变换的重要元件,在不考虑漏感以及开关动作时间时,高频工作下的MOSFET产生的波形应该是标 准的方波。但在实际变压器制作时,绕组漏感是不可避免的。由于漏感存在,开关闭合时,原边漏感将储存一定的能量,当开关关断时,储存的能量得到释放,使得 开关器件的两端出现电压关断尖峰,与原来的直流高压和感应电压叠加,可使MOSFET的漏极电压超过700V(LNK系列的MOSFET的漏极击穿电压为 700V),有可能影响开关的正常工作甚至损坏LNK。

 

1.3 输出整流二极管的尖峰干扰

 

理想的二极管在承受反向电压时截止,不会有反向电流通过。但实际二极管在承受反向电压时,PN结内储存的电荷在反向电场作用下被复合,形成反向恢复 电流,它恢复到零点的时间与结电容等因素有关。反向恢复电流在变压器漏感、引线电感以及二极管的结电容的影响下将产生强烈的高频衰减振荡,高频衰减振荡电 压与关断电压叠加,将形成一个相当大的关断电压尖峰。这个反向恢复噪声也是开关电源的一个主要干扰源。

 

1.4 分布电容及寄生参数引起的干扰

 

开关电源的分布电容主要为开关电源与散热器或外壳之间的分布电容、LNK的漏极与电源线之间的分布电容、变压器初次级之间的分布电容。以上的分布电容都可以传输共模干扰。

 

在高频下,普通的电阻电容电感都将呈高频寄生特性,这将对其正常工作产生影响。例如,高频工作时,导线寄生电感的感抗显著增加,这将使其变成一根发射线,即成了开关电源中的一个辐射干扰源。

 

2 EMC设计

 

图3为未考虑EMC设计时的EMI仿真曲线,根据广泛采用的GB9254中规定的标准曲线,可看出干扰强度超过规定标准了,必须对电路进行相应的抗干扰设计。

 

 

LinkSwitch导致电磁兼容性问题,工程师何以解忧?

 

图3 未考虑EMC设计的EMI仿真曲线

 

EMC设计应该从三个方面去考虑:

 

1) 减小干扰源产生的干扰信号

 

2) 切断干扰信号的传播途径

 

3) 增强敏感电路的抗干扰能力

 

2.1 输入侧滤波器设计

 

温馨提示:以上内容整理于网络,仅供参考,如果对您有帮助,留下您的阅读感言吧!
相关阅读
本类排行
相关标签
本类推荐

CPU | 内存 | 硬盘 | 显卡 | 显示器 | 主板 | 电源 | 键鼠 | 网站地图

Copyright © 2025-2035 诺佳网 版权所有 备案号:赣ICP备2025066733号
本站资料均来源互联网收集整理,作品版权归作者所有,如果侵犯了您的版权,请跟我们联系。

关注微信