全球最实用的IT互联网信息网站!

AI人工智能P2P分享&下载搜索网页发布信息网站地图

当前位置:诺佳网 > 电子/半导体 > EMC/EMI设计 >

ESD器件在保护电路中的应用

时间:2016-11-16 14:50

人气:

作者:admin

标签:

导读:ESD器件在保护电路中的应用-USB1.1、USB2.0、SD卡、MMC卡等接口,因为用户使用中经常性热插拔,板上的芯片非常容易受静电影响。这种应用场合不能使用普通的稳压管等信道进行保护,因...

  USBSD卡、MMC卡、DVI/HDMICAN接口,因为用户使用中经常性热插拔,板上的芯片非常容易受静电影响。这样对于接口就要加上保护器件防止损坏芯片。

  USB1.1、USB2.0、SD卡、MMC卡等接口,因为用户使用中经常性热插拔,板上的芯片非常容易受静电影响。这种应用场合不能使用普通的稳压管等信道进行保护,因为稳压管的反应速率太慢、且容性负载较大,会影响信道上的数据通信NXP特提供以下方案供客户参考。

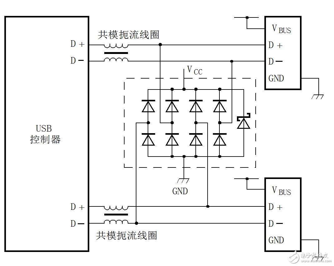
  一、USB2.0的保护(PRTR5V0U4D用于双路USB)

  下图为PRTR5V0U4D在双路USB应用中的连接示意图。

  

  图13.22 PRTR5V0U4D在双路USB中的应用

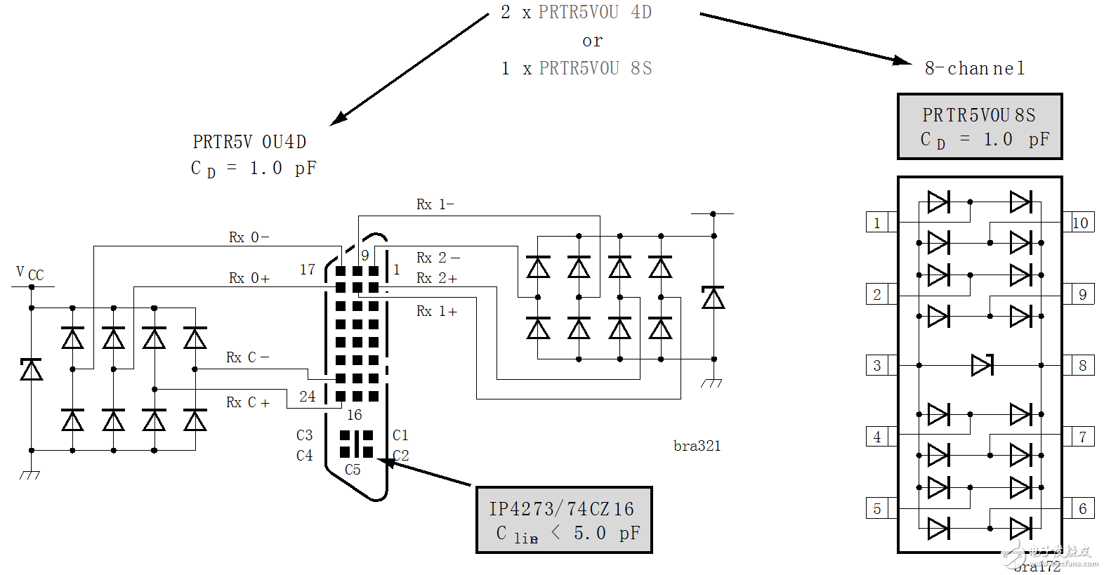
  二、SD卡的保护

  下图为PESD5V0L6AS / PESD5V0L6US 在SD卡保护电路中的连接示意图。

  Snap32

  图13.23 ESD器件在SD卡保护电路中的应用1

  下图为PESD3V3L4Ux / PESD5V0V4Ux 在SD卡保护电路中的连接示意图。

  Snap1

  图13.24 ESD器件在SD卡保护电路中的应用2

  三、MMC多媒体卡的保护

  下图为PESD3V3L4Ux / PESD5V0L4Ux / PESD3V3V4Ux / PESD5V0V4Ux 在MMC多媒体卡保护电路中的连接示意图。

  Snap34

  图13.25 PESD器件在MMC多媒体卡保护电路中的应用

  四、DVI/HDMI的保护

  DVI和HDMI接口已常用于数字视频音频和显示平板的连接。由于高频信号(最高达1.6GHz)的处理要求这些数据线配置极低的线路电容。Philips提供了独特的1pF的线路电容保护器件。性能继续维持8 kV的可接触的IEC61000-4-2标准。下图为NXP ESD器件在DVI / HDMI接口保护电路中的连接示意图。

  

  图13.26 NXP ESD器件在DVI / HDMI接口保护电路中的应用

  五、独立Audio/Video的保护

  下图为PRTR5V0U4D / PESD5V0L4Ux在独立Audio/Video接口保护电路中的连接示意图。

  未标题-11

  图13.27 ESD保护器件在独立Audio/Video接口保护电路中的应用

温馨提示:以上内容整理于网络,仅供参考,如果对您有帮助,留下您的阅读感言吧!
相关阅读
本类排行
相关标签
本类推荐

CPU | 内存 | 硬盘 | 显卡 | 显示器 | 主板 | 电源 | 键鼠 | 网站地图

Copyright © 2025-2035 诺佳网 版权所有 备案号:赣ICP备2025066733号
本站资料均来源互联网收集整理,作品版权归作者所有,如果侵犯了您的版权,请跟我们联系。

关注微信