全球最实用的IT互联网信息网站!

AI人工智能P2P分享&下载搜索网页发布信息网站地图

当前位置:诺佳网 > 电子/半导体 > 可编程逻辑 >

基于FPGA的USB数据传输

时间:2025-08-06 14:47

人气:

作者:admin

标签:

导读:你也许会有疑问,明明有这么多通信方式和数据传输(SPI、I2C、UART、以太网)为什么偏偏使用USB呢?...

你也许会有疑问,明明有这么多通信方式和数据传输(SPI、、、)为什么偏偏使用USB呢?

原因有很多,如下:

1. 高速数据传输能力

高带宽 :USB提供了较高的数据传输速率,尤其是随着USB版本的升级(如USB 3.0及更高版本),其理论速度可达5 Gbps甚至更高。这对于需要高速数据传输的应用(如处理、实时数据采集等)尤为重要。

低延迟 :相比一些其他接口(如UART),USB的延迟更低,能够满足实时性要求较高的场景。

2. 通用性和兼容性

广泛的硬件支持 :几乎所有现代计算机和都配备了USB接口,这意味着使用USB进行通信可以轻松实现跨平台支持,无需额外的硬件适配。

标准化接口 :USB是一种标准化的接口,遵循统一的协议和规范。这不仅简化了开发过程,还确保了不同设备之间的互操作性。

3. 开发便利性

丰富的工具支持 :大多数开发工具(如Xilinx Vivo、 等)都提供了对USB接口的支持,简化了设计和验证过程。

成熟的驱动和库资源 :大量的现成驱动程序和库资源可以轻松集成到项目中,减少了软件开发的工作量。

4. 灵活的通信模式

全双工通信 :USB支持全双工通信模式,允许同时进行数据的上传和下载,提高了通信效率。

多种数据传输类型 :USB支持控制传输、批量传输、中断传输和同步传输等多种数据传输类型,能够适应不同应用场景的需求。

成本效益

低成本解决方案 :相比于一些高端接口(如PCIe),USB的成本较低,适合预算有限的项目。

减少外部组件需求 :由于USB的标准化和广泛支持,可以减少对外部组件的需求,从而降低整体硬件成本。

也正是因为如此,usb广泛应用于数据的采集和处理、视频和传输、系统开发等。

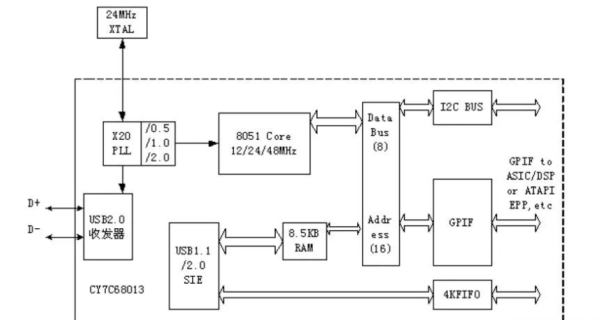
而我们今天即将要学习的,就是FPGA的USB传输,以FX2芯片为例

FX2

USB是一种通用的数据传输协议和接口标准,定义了设备与主机(如)之间的通信规则(如协议、特性、数据传输模式等);FX系列芯片(FX2, FX3)是(现)推出的USB,用于实现高速USB设备的功能。说的再简单,直白一点:USB是协议标准,FX芯片是实现这一标准的硬件载体

FX芯片可以

自动处理USB复杂协议,无需手动实现,

支持高速传输(FX2:支持USB2.0高速传输, 480Mbps; FX3则为 bps)

提供灵活的接口(GPIF,Slave FIFO)方便直接连接外设,

内置,可以通过固件配置USB功能

FX2内部结构图如下
3896d38a-6d1e-11f0-a18e-92fbcf53809c.jpg

FX2可以通过两种方式到FPGA,一个是(通用可接口)GPIF模式和从设备FIFO模式

GPIF:FX2是总线的主控者,用户自定义时序,灵活但开发复杂

Slave FIFO: FX2是被动的FIFO从设备,外部主控直接控制,简单但灵活性受限

38a42378-6d1e-11f0-a18e-92fbcf53809c.jpg

在实际项目中,Slave FIFO模式更常用(尤其是FPGA做为主控的场景),而GPIF模式需要更精确控制总线的特殊需求

回环测试

介绍

我们此处就以简单的回环测试为例,实现FPGA的Usb数据传输。

38adb6ae-6d1e-11f0-a18e-92fbcf53809c.jpg

所谓回环测试,就是说由 PC 发送数据到 FX2 芯片的 OUT 端点 2,然后再由主机将端点 2 中的数据读出,拷贝到IN 端点 6。使用 FPGA 设计 SlaveFIFO 读取和写入接口逻辑,将端点 2 中的数据读出,然后写入端点 6 中,再由电脑从端点 6 中将数据读回,从而实现数据的回环。

代码

module FiFo #(

Depth = 512,

Width = 16

)

(

input fifo_clk,

input t_n,

input wri_busy,

input read_busy,

input fifo_flush,

input [Width-1:0]din,

output reg fifo_full,

output reg fifo_empty,

output reg [Width-1:0] dout

);

localparam ADDR_Width =$clog2(Depth);

//计数多加一位,防止溢出

reg [ADDR_Width:0] write_occupancy;

reg [ADDR_Width:0] read_occupancy;

wire [ADDR_Width:0] next_write_occupancy;

wire [ADDR_Width:0] next_read_occupancy;

//fifo 地址

wire [ADDR_Width-1:0] next_write_ptr;

reg [ADDR_Width-1:0] write_ptr;

wire [ADDR_Width-1:0] next_read_ptr;

reg [ADDR_Width-1:0] read_ptr;

reg [Width-1:0] data_array[Depth-1:0];

wire write_enable;

wire read_enable;

// 写使能和读使能逻辑

assign write_enable = !write_busy && !fifo_full;

assign read_enable = !read_busy && !fifo_empty;

// 下一个指针和计数器计算

assign next_write_ptr = (write_enable) ? (write_ptr + 1) : write_ptr;

assign next_read_ptr = (read_enable) ? (read_ptr + 1) : read_ptr;

assign next_write_occupancy = fifo_flush ? 10'd0 : (write_enable ? (write_occupancy + 1) : write_occupancy);

assign next_read_occupancy = fifo_flush ? 10'd0 : (read_enable ? (read_occupancy + 1) : read_occupancy);

// 满/空状态判断(基于下一个计数器值)

wire [ADDR_Width:0] next_occupancy_diff = next_write_occupancy - next_read_occupancy;

wire next_fifo_full = (next_occupancy_diff >= Depth);

wire next_fifo_empty = (next_occupancy_diff == 0);

//更新指针

always @(posedge fifo_clk or negedge rst_n)begin

if(!rst_n)begin

write_ptr<=0;

read_ptr<=0;

end else if(fifo_flush)begin

write_ptr<=0;

read_ptr<=0;

end else begin

write_ptr<=next_write_ptr;

read_ptr<=next_read_ptr;

end//else

end//always

// 更行空/满

always @(posedge fifo_clk or negedge rst_n)begin

if(!rst_n)begin

fifo_full<=0;

fifo_empty<=1;

end else if (fifo_flush)begin

fifo_full<=0;

fifo_empty<=1;

end else begin

fifo_full<=next_fifo_full;

fifo_empty<=next_fifo_empty;

end

end//always

// 读/写计数

always @(posedge fifo_clk or negedge rst_n)begin

if(!rst_n)begin

write_occupancy<=0;

read_occupancy<=0;

end else if(fifo_flush)begin

write_occupancy<=0;

read_occupancy<=0;

end else begin

write_occupancy<=next_write_occupancy;

read_occupancy<=next_read_occupancy;

end//else

end//always

//输出数据

always @(posedge fifo_clk or negedge rst_n)begin

if(!rst_n)dout<=0;

else if(fifo_flush) dout<=0;

else dout<=data_array[read_ptr];

end//always

//数据写入存储阵列

always @(posedge fifo_clk)begin

if(write_enable)

data_array[write_ptr]<=din; 

end

// 溢出警告

always @(posedge fifo_clk) begin

if (fifo_full && write_busy) begin

$display("ERROR: %m: Fifo overflow at me %t", $time);

$finish;

end

end // always

// 下溢警告

always @(posedge fifo_clk) begin

if (fifo_empty && read_busy) begin

$display("ERROR: %m: Fifo undelow at time %t", $time);

$finish;

end

end // always

// synthesis translate_on

endmodule

FX2_SF

module FX2_SF(

input clk,

input reset_n,

inout [15:0] fx2_fdata, // 双向数据总线

output [1:0] fx2_fa, // FIFO地址选择

output fx2_slrd, // 读使能(低有效)

output fx2_slwr, // 写使能(低有效)

output fx2_sloe, // 输出使能(低有效)

input ep6_full_flag, // EP6满标志(可写)

input ep2_empty_flag, // EP2空标志(可读)

input fx2_ifclk, // 接口时钟(60MHz)

output fx2_pkt_end, // 包结束脉冲

output fx2_clear, // 复位信号

output fx2_slcs // 片选(常低)

);

//------------------------ 参数优化 ------------------------//

localparam [1:0]

LOOPBK_IDLE = 2'd0,

LOOPBACK_READ = 2'd1,

LOOPBACK_WT_ep6_full = 2'd2,

LOOPBACK_WRITE = 2'd3;

localparam [1:0]

FIFO_ADDR_READ = 2'b00, // EP2

FIFO_ADDR_WRITE = 2'b10; // EP6

//------------------------ 信号声明 ------------------------//

reg [1:0] current_state, next_state;

// FIFO控制信号

wire fifo_wr_en;

wire fifo_rd_en;

reg [15:0] fifo_din;

wire [15:0] fifo_dout;

// FX2接口信号

reg slrd_n;

reg slwr_n;

reg sloe_n;

reg [1:0] faddr_n;

reg pkt_end_n;

//------------------------ 接口分配 ------------------------//

assign fx2_slwr = slwr_n;

assign fx2_slrd = slrd_n;

assign fx2_sloe = sloe_n;

assign fx2_faddr = faddr_n;

assign fx2_pkt_end= pkt_end_n;

assign fx2_slcs = 1'b0; // 常使能

assign fx2_clear = 1'b0; // 未使用

// 三态总线控制

assign fx2_fdata = (slwr_n == 1'b0) ? fifo_dout : 16'hzzzz;

//------------------------ 状态机 ------------------------//

always @(posedge fx2_ifclk or negedge reset_n) begin

if(!reset_n) current_state <= LOOPBACK_IDLE;

else current_state <= next_state;

end

always @(*) begin

next_state = current_state;

case(current_state)

LOOPBACK_IDLE: //ep2为空, 上位机可传输数据

if(ep2_empty_flag) next_state = LOOPBACK_READ;

LOOPBACK_READ:

if(!ep2_empty_flag) next_state = LOOPBACK_WAIT_ep6_full;

LOOPBACK_WAIT_ep6_full:

if(ep6_full_flag) next_state = LOOPBACK_WRITE;

LOOPBACK_WRITE: begin

if(!ep6_full_flag || fifo_empty)

next_state = LOOPBACK_IDLE;

end

default: next_state = LOOPBACK_IDLE;

enase

end

//------------------------ 控制信号生成 ------------------------//

always @(*) begin

// 默认值

slrd_n = 1'b1;

sloe_n = 1'b1;

slwr_n = 1'b1;

faddr_n = FIFO_ADDR_READ;

pkt_end_n = 1'b1;

case(current_state)

LOOPBACK_READ: begin

faddr_n = FIFO_ADDR_READ;

slrd_n = !ep2_empty_flag; // 有数据时持续读取

sloe_n = !ep2_empty_flag;

end

LOOPBACK_WRITE: begin

faddr_n = FIFO_ADDR_WRITE;

slwr_n = !(ep6_full_flag && !fifo_empty);

// 在最后一次写入后生成包结束脉冲

pkt_end_n = (slwr_n == 1'b0) ? 1'b0 : 1'b1;

end

endcase

end

//------------------------ FIFO接口 ------------------------//

assign fifo_wr_en = (current_state == LOOPBACK_READ) && !slrd_n;

assign fifo_rd_en = (current_state == LOOPBACK_WRITE) && !slwr_n;

// 数据输入

always @(posedge fx2_ifclk) begin

if(fifo_wr_en)

fifo_din <= fx2_fdata;

end

FiFo #(

.Depth(512),

.Width(16)

) u_fifo (

.fifo_clk (fx2_ifclk),

.rst_n (reset_n),

.write_busy (1'b0), // 外部无写阻塞

.read_busy (1'b0), // 外部无读阻塞

.fifo_flush (1'b0), // 禁用自动flush

.din (fifo_din),

.fifo_full (fifo_full),

.fifo_empty (fifo_empty),

.dout (fifo_dout)

);

wire clk_96m;//生成96M用于ILA采样

pll pll_inst(

.clk_out1(clk_96m),

.clk_in1(clk)

);

//------------------------ 调试模块注释 ------------------------//

ila_0 ila_0_inst(

.clk(clk_96m), // input wire clk

.probe0(fx2_fdata), // input wire [15:0] probe0

.probe1(fx2_faddr), // input wire [1:0] probe1

.probe2(ep2_empty_flag), // input wire [0:0] probe2

.probe3(ep6_full_flag), // input wire [0:0] probe3

.probe4(fx2_sloe), // input wire [0:0] probe4

.probe5(fx2_slwr), // input wire [0:0] probe5

.probe6(fx2_slrd), // input wire [0:0] probe6

.probe7(fifo_empty), // input wire [0:0] probe7

.probe8(fifo_full), // input wire [0:0] probe8

.probe9(fifo_flush) // input wire [0:0] probe9

);

endmodule

温馨提示:以上内容整理于网络,仅供参考,如果对您有帮助,留下您的阅读感言吧!
相关阅读
本类排行
相关标签
本类推荐

CPU | 内存 | 硬盘 | 显卡 | 显示器 | 主板 | 电源 | 键鼠 | 网站地图

Copyright © 2025-2035 诺佳网 版权所有 备案号:赣ICP备2025066733号
本站资料均来源互联网收集整理,作品版权归作者所有,如果侵犯了您的版权,请跟我们联系。

关注微信