全球最实用的IT互联网信息网站!

AI人工智能P2P分享&下载搜索网页发布信息网站地图

当前位置:诺佳网 > 电子/半导体 > 可编程逻辑 >

异步复位异步释放会有什么问题?FPGA异步复位为

时间:2024-01-24 09:32

人气:

作者:admin

标签:

导读:一般来说,复位信号有效后会保持比较长一段时间,确保 register 被复位完成。但是复位信号释放时,因为其和时钟是异步的关系,我们不知道它会在什么时刻被释放。...

一般来说,复位信号有效后会保持比较长一段时间,确保 register 被复位完成。但是复位信号释放时,因为其和时钟是异步的关系,我们不知道它会在什么时刻被释放。

首先看图1,考虑复位信号在两个时钟沿之间被释放的情况。Reset 信号从 Device Pin 到 Flip-Flop 的延迟最大不能超过“Max Time Available”,如果延迟超过了这个限制,那么复位信号的释放会进入 Setup Time 要求的区间,导致 Flip-Flop 进入亚稳态。当时钟频率变高,时钟周期变短,不难发现,要满足这个要求是越来越难的。

1c3763b0-ba48-11ee-8b88-92fbcf53809c.jpg

图1 - Reset timing diagram, deasserted between clock edges

前面我们提到过,因为是异步信号,我们无法确保信号的释放在一个确定的区间。如图2所示,对于 Flip-Flop 来说,异步信号的释放可能在A区间,也可能在B或者C区间。假设现在我们的设计中包含三个 Flip-Flop,分别为FF1,FF2 和 FF3。FF1 的复位释放落在A区间,所以 FF1 会在复位信号释放后的第一个时钟沿有效,FF3 的复位释放落在C区间,那么 FF3 会在复位信号释放后的第二个时钟沿有效,而 FF2 的复位释放落在B区间,所以 FF2 可能会进入亚稳态。

1c40eafc-ba48-11ee-8b88-92fbcf53809c.jpg

图2 - Reset deasserted asynchronously to the clock

不同的 FF 因为复位信号释放的位置不同而在不同的时刻有效,这会对设计造成影响吗?

假如我们的设计是如图3所示的情况,是不会对设计的功能造成影响的。在复位释放之后,任何有问题的数据会被Pipeline排出去,经过4个cycle之后,这个pipeline便会恢复到正常的工作状态。

1c4468ee-ba48-11ee-8b88-92fbcf53809c.jpg

图3 - Reset for a pipeline

但如果我们的设计是如图4所示。被复位的FF是状态机的状态,那么复位释放后很有可能状态机会被复位到一个无效的状态,影响正常的功能。

1c483a96-ba48-11ee-8b88-92fbcf53809c.jpg

图4 - Reset for a one-hot state machine

什么是同步释放 ?

从上一部分的内容我们发现,异步信号的异步释放会导致 FF 在不同的时刻有效,甚至进入亚稳态,从而影响设计的功能运行。如何避免这个问题呢?考虑同步释放。顾名思义,同步释放就是让复位信号的释放过程与时钟同步,从而确保所有 FF 在同一时刻有效。

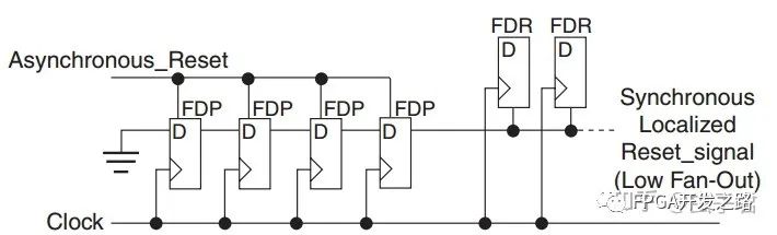
如图5所示,是异步复位同步释放的电路设计。FDP的个数决定复位信号保持的长度,最少要有两个。当复位信号释放后,FDP chain 会将接地的0逐级pipe到最后一个FDP输出,因为该FDP的输出是和Clock同步的,所以FDR的复位释放便是和Clock 同步的。

1c5e5a4c-ba48-11ee-8b88-92fbcf53809c.jpg

图5 - Async reset with sync dessertion

最后一个FDP不是仍然是异步复位异步释放么,会不会这个FDP因为异步释放进入亚稳态,那么其输出的复位信号也不确定从而导致复位失败?

答案是不会。FDP会进入亚稳态的条件是什么?一是异步释放非常贴近时钟沿,二是 FDP 输入D在时钟沿附近发生跳变。根据这个电路设计,FDP的输入D时不会在异步释放时发生跳变的,所以FDP不会进入亚稳态。

异步复位同步释放的时序约束

异步复位同步释放的电路我们已经设计好了,如何进行时序约束呢?

对于 FDR,我们可以不用考虑的。因为工具会分析复位信号的 Recovery Time 和 Removal Time 来确保时序收敛。如果发现 Recovey Time 或者 Removal Time 的违反,我们可能需要看一下 reset tree 或者 clock skew。一般都是 Recovey Time的违反,类似于 Setup Time,可能是由于 reset path的延迟太长导致。

对于 FDP,D端是同步电路,而CLR输入端是异步信号,通过电路的设计我们已经避免的异步信号带来的问题,所以为了避免 false timing violation,我们可以对 FDP 的 CLR 端设置 false path。





审核编辑:刘清

温馨提示:以上内容整理于网络,仅供参考,如果对您有帮助,留下您的阅读感言吧!
相关阅读
本类排行
相关标签
本类推荐

CPU | 内存 | 硬盘 | 显卡 | 显示器 | 主板 | 电源 | 键鼠 | 网站地图

Copyright © 2025-2035 诺佳网 版权所有 备案号:赣ICP备2025066733号
本站资料均来源互联网收集整理,作品版权归作者所有,如果侵犯了您的版权,请跟我们联系。

关注微信