全球最实用的IT互联网信息网站!

AI人工智能P2P分享&下载搜索网页发布信息网站地图

当前位置:诺佳网 > 电子/半导体 > 可编程逻辑 >

基于FPGA的USB3.0回环传输测试方案

时间:2023-10-01 09:49

人气:

作者:admin

标签:

导读:本文开源一个FPGA项目: USB3.0 LoopBack 。基于FPGA的USB3.0通信方案有很多,其中非常好用的一款USB3.0芯片是 FT600/601Q 。...

本文开源一个FPGA项目: USB3.0 LoopBack 。基于FPGA的USB3.0通信方案有很多,其中非常好用的一款USB3.0芯片是 FT600/601Q

下面介绍一下这款FT600/601Q芯片的技术参数,控制信号、数据读写时序等,并利用官方提供的上位机软件进行数据回环测试。

FT600/601Q芯片

芯片技术参数

  • FT600&601Q芯片是FT最新推出的USB3.0 to FIFO interface IC,实现USB3.0与16/32bit并行IO接口之间的数据传输;
  • USB通信协议全部由芯片驱动自行完成,开发者无须考虑USB底层固件的编程
  • 支持USB3.0(5Gbps),向下兼容USB2.0(480Mbps and 12Mbps)传输;
  • 支持2种FIFO传输协议,最大传输可达400MB/s;
  • 高达8个可配置Endpoint;
  • 芯片内部有16K字节的缓冲区,可以进行数据的大吞吐量操作;
  • 支持远程唤醒功能;
  • 芯片支持多种IO电压:1.8V,2.5V,3.3V,
  • 通过16bit或32bit并行数据线和读写状态、控制线RXF、TXE、RD、WR,加上时钟CLK,使能OE信号线就可实现与CPU、FPGA的数据传输;
  • 工业级芯片,工作温度范围-40~85℃。

芯片内部架构

图片

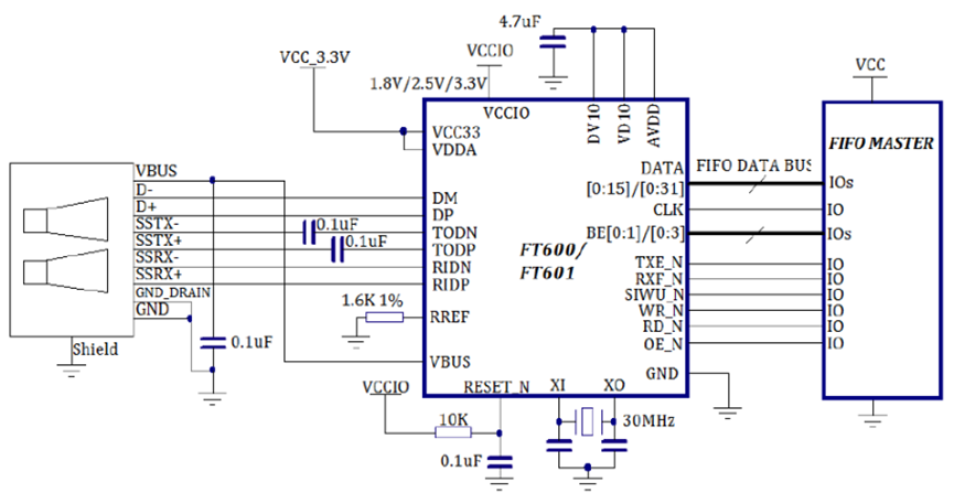
极简外围电路设计

图片

读写模式&时序

FT600/601Q常用读写模式为245 Synchronous FIFO模式和Multi Channel FIFO模式,本工程以芯片默认的245 Synchronous FIFO模式为例。

FT600/601Q读写模式是通过GPIO0GPIO1进行配置,具体配置方法如下图所示:

图片

245 Synchronous FIFO模式读写时序也非常简单,当RXF_N信号拉低时, 通知FPGA开始读任务,当TXE_N信号拉低时,通知FPGA开始写任务:

  • 245 Synchronous FIFO模式读时序

图片

  • 245 Synchronous FIFO模式写时序

图片

回环传输测试

采用官方提供的FT600 Data Loopback Demo App上位机软件进行 数据回环测试 ,每次读写4096字节数据,结果如下图所示:

图片

在Vivado工程中通过添加在线逻辑分析仪模块查看相关信号:

图片

另外,还可以采用官方提供的FT600 Data Streamer Demo App上位机软件进行Stream数据流传输测试,速度可以达到360MB/S左右:

图片

温馨提示:以上内容整理于网络,仅供参考,如果对您有帮助,留下您的阅读感言吧!
相关阅读
本类排行
相关标签
本类推荐

CPU | 内存 | 硬盘 | 显卡 | 显示器 | 主板 | 电源 | 键鼠 | 网站地图

Copyright © 2025-2035 诺佳网 版权所有 备案号:赣ICP备2025066733号
本站资料均来源互联网收集整理,作品版权归作者所有,如果侵犯了您的版权,请跟我们联系。

关注微信