全球最实用的IT互联网信息网站!

AI人工智能P2P分享&下载搜索网页发布信息网站地图

当前位置:诺佳网 > 电子/半导体 > 可编程逻辑 >

如何创建FPGA控制的机器人手臂?

时间:2023-10-24 17:26

人气:

作者:admin

标签:

导读:机器人技术处于工业 4.0、人工智能和边缘革命的前沿。让我们看看如何创建 FPGA 控制的机器人手臂。...

机器人技术处于工业 4.0、人工智能和边缘革命的前沿。让我们看看如何创建 FPGA 控制的机器人手臂。

介绍

机器人技术与人工智能和机器学习一起处于工业 4.0 和边缘革命的最前沿。

因此,我认为创建一个基础机器人手臂项目会很有趣,我们可以回过头来添加几个功能,例如:

  • 逆运动学 - 确定末端执行器的位置。
  • AI / ML - 操作期间的对象分类。
  • 网络控制——实现边缘远程控制。

此示例将使用一个机器人手臂,该机器人手臂在 Zynq SoC 的控制六个伺服系统。可以使用简单的软件界面或使用两个操纵杆进行直接控制。

伺服控制

我们需要做的第一件事是弄清楚如何控制伺服位置。伺服电机是最简单的驱动电机之一,也是机器人技术的理想选择,因为只要我们保持相同的驱动信号,它们就能保持相对位置。

那么伺服的驱动信号是什么呢?我们使用的同类伺服系统中的大多数都使用 60Hz PWM 波形。在 60Hz 波形的 16.66 ms 周期中,信号将在 0.5 ms 到 2.5 ms 之间为高电平。信号的持续时间将驱动伺服器在 0 到 180 度之间运动。

0.5 ms 脉冲驱动 0 度位置,而 2.5 ms 脉冲将驱动 180 度位置。因此,可以通过将信号驱动为 1.5 ms 脉冲来维持 90 度。

因此,增加或减少脉冲13.9 us宽度会使舵机移动 1 度。

接下来要解决的是如何生成驱动信号,PWM 扩展板(上图)使用四个 8 位寄存器来驱动每个 PWM 信号。

on 寄存器定义信号变高的计数,off 寄存器定义信号变低的计数。

因此,我们可以将开启时间设置为 0,然后定义关闭信号的计数,以获得所需的信号宽度。

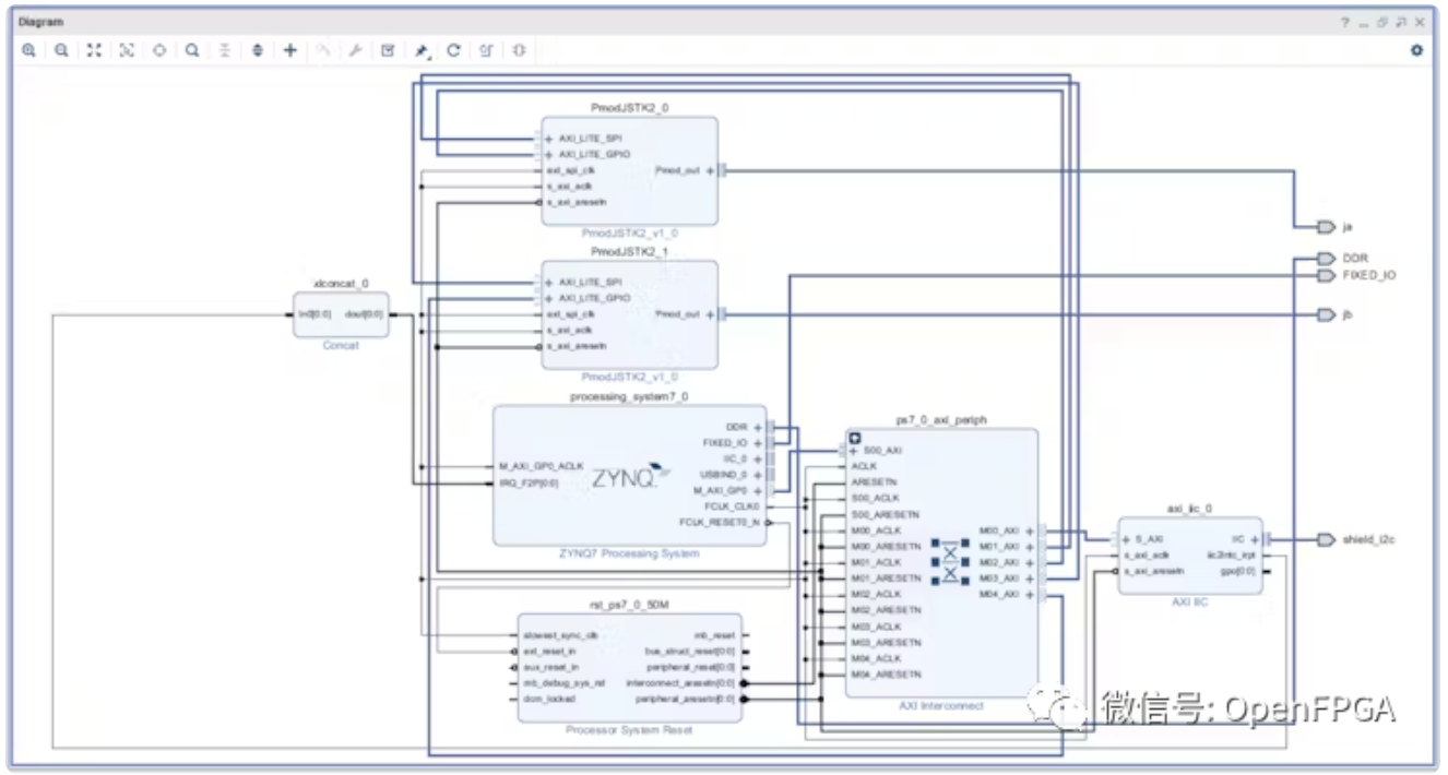
Vivado 构建

image.png

  • Zynq PS - 这是 Zynq 处理系统
  • AXI IIC - 在 PL 中实现的 I2C 接口

一旦完成了PL设计,我们就可以构建设计并将其导出到软件。

软件设计

我们将在软件中开发大部分应用程序。由于我们希望在多种模式下使用它,并在将来进行升级时使用它,因此我们需要一种模块化方法。

因此,为每个关节开发了一个可以根据需要调用和使用的函数。每个关节都能够接收无符号的 8 位值,然后将该 8 位值与 90 度 (1.5 ms) 脉冲宽度相加或相减,以获得所需的角度。

我这样做有几个原因:

  • 单个 RS232 字节可以包含所需的电机位置。
  • 从操纵杆读取的值也是 8 位。

因此,我们需要确保操纵杆和手臂之间的运动对齐。

两个操纵杆中,第一个连接到 JA,第二个连接到 JB(JA和JB是PMOD接口,就是普通的GPIO)。

JA 当沿 X 方向移动时,将向前或向后移动手臂;当沿 Y 方向移动时,它将上下移动手臂。

JB 在 X 方向移动时会旋转手腕,在 Y 方向移动时会上下移动手腕。

每个移动函数的代码都非常相似,并且可以在后面提供的代码找到,但是,下面提供了向上向下函数以供参考

void up_dwn(u8 YData){  
 SendBuffer[0] = 0x0A;  
 SendBuffer[1] = 0x00;  
 XIic_Send(iic.BaseAddress,IIC_SLAVE_ADDR,(u8 *)&SendBuffer, sizeof(SendBuffer),XIIC_STOP);  
 SendBuffer[0] = 0x0B;  
 SendBuffer[1] = 0x00;  
 XIic_Send(iic.BaseAddress,IIC_SLAVE_ADDR,(u8 *)&SendBuffer, sizeof(SendBuffer),XIIC_STOP);  
 SendBuffer[0] = 0x0C;  
 u16 signal;  
 if( YData < 128 ){  
  signal = 122 + (YData * 1.91);  
 }  
 else if (YData == 128){  
  signal = 369;  
 }  
 else{  
  signal = 369 + ((YData - 128) * 1.91);  
 }  
 u8 cent_l_off, cent_h_off;  
 cent_l_off = (u8)signal;  
 cent_h_off = (u8) (signal >>8);  
 SendBuffer[1] = cent_l_off;  
 XIic_Send(iic.BaseAddress,IIC_SLAVE_ADDR,(u8 *)&SendBuffer, sizeof(SendBuffer),XIIC_STOP);  
 SendBuffer[0] = 0x0D;  
 SendBuffer[1] = cent_h_off;  
 XIic_Send(iic.BaseAddress,IIC_SLAVE_ADDR,(u8 *)&SendBuffer, sizeof(SendBuffer),XIIC_STOP);  
 }

软件应用程序结构的其余部分是:

  • 初始化 PWM 扩展板和 Pmod 操纵杆。
  • 对手臂进行自检并将所有伺服系统定位在 90 度。
  • 通过 RS232 接收命令或来自操纵杆的命令。

当然,如果我们希望在命令中进行硬编码来执行重复任务,我们也可以。

初步测试

一旦 Vivado 构建和初始软件可用,下一步就是确保软件能够正确移动伺服系统。

当移动操纵杆时,可以使用示波器测量 PWM 信号。

随着操纵杆的移动,脉冲宽度逐渐从 0.5 ms 变为 2.5 ms。

image.png

温馨提示:以上内容整理于网络,仅供参考,如果对您有帮助,留下您的阅读感言吧!
相关阅读
本类排行
相关标签
本类推荐

CPU | 内存 | 硬盘 | 显卡 | 显示器 | 主板 | 电源 | 键鼠 | 网站地图

Copyright © 2025-2035 诺佳网 版权所有 备案号:赣ICP备2025066733号
本站资料均来源互联网收集整理,作品版权归作者所有,如果侵犯了您的版权,请跟我们联系。

关注微信