全球最实用的IT互联网信息网站!

AI人工智能P2P分享&下载搜索网页发布信息网站地图

当前位置:诺佳网 > 电子/半导体 > 可编程逻辑 >

简谈基于fpga设计9/7小波变换原理

时间:2018-08-17 09:52

人气:

作者:admin

标签:

导读:大家好,又到了每日学习的时间了,今天我们来聊一聊基于fpga设计9/7小波变换原理。 9/7小波变换包括行变换,列变换。 期中行变换包括第一步行变换,第一步行更新,第二步行变换,...

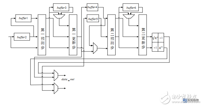
大家好,又到了每日学习的时间了,今天我们来聊一聊基于fpga设计9/7小波变换原理。

9/7小波变换包括行变换,列变换。

期中行变换包括第一步行变换,第一步行更新,第二步行变换,第二步行更新。

列变换包括第一步列变换,第一步列更新,第二步列变换,第二步列更新。

145352ojju7v4x4vgbvxxv.png


145402kpwrrhi5n6xcpc6m.png


期中第二步行更新后要进行列变换,在这里要进行串行转并行。

最后解交织部分是把低频信息放在一起,高频信息放在一起。
温馨提示:以上内容整理于网络,仅供参考,如果对您有帮助,留下您的阅读感言吧!
相关阅读
本类排行
相关标签
本类推荐

CPU | 内存 | 硬盘 | 显卡 | 显示器 | 主板 | 电源 | 键鼠 | 网站地图

Copyright © 2025-2035 诺佳网 版权所有 备案号:赣ICP备2025066733号
本站资料均来源互联网收集整理,作品版权归作者所有,如果侵犯了您的版权,请跟我们联系。

关注微信