全球最实用的IT互联网信息网站!

AI人工智能P2P分享&下载搜索网页发布信息网站地图

当前位置:诺佳网 > 电子/半导体 > 可编程逻辑 >

FPGA学习系列:18. 数码管的设计

时间:2018-06-18 19:24

人气:

作者:admin

标签:

导读:设计背景: 数码管是一种半导体发光 器件 ,其基本单元是发光二极管。 数码管在我们的许多设计中都又用到,数码管的显示原理简单和显示效果清晰在我们的工业中的到了广泛的应用...

设计背景:

数码管是一种半导体发光器件,其基本单元是发光二极管数码管在我们的许多设计中都又用到,数码管的显示原理简单和显示效果清晰在我们的工业中的到了广泛的应用。

数码管的应用很广泛,涉及众多领域,我们就拿数显仪表这个领域来讲,数显仪表是数字式显示仪表的简称,显示器常用的有LED、LCD为显示元件。

设计原理:

本次的设计是设计一个数码管的显示模,其设计原理图如下:

image.png

数码管显示分为的动态和静态显示,为了让人眼可以看清数码管的显示,我们一般驱动数码管的频率为1K - 10K 之间。

顾名思义,七段数码管就是使用七段点亮的线段来拼成常见的数字和某些字母,这种显示方式我们在数字电路中非常容易见到。再加上右下角显示的小数点,实际上一个显示单元包括了8根信号线。根据电路设计的不同,这些信号线可能高有效也可能低有效。我们通过FPGA控制这些线段的亮灭,达到显示效果。

对于多个数码管的显示模块,将每一个都连接到FPGA的管脚会耗用大量FPGA的管脚资源。因此我们同样引入一种类似矩阵键盘的扫描方式。任何时刻我们只使用8根信号点亮一个数码管,但是8个数码管是随着时钟步调交替点亮的,只要时钟的速度够快,我们观察到数码管就好像几个同时点亮一样。

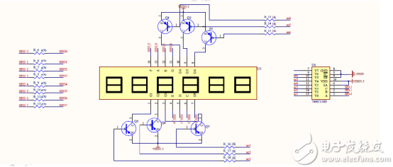
我们的开发板使用的动态显示来循环扫描显示。其原理图如下所示:

image.png

如图所示,我们的开发板使用的是六位共阳极数码管,六个PNP型三极管分别作为六组数码管电源的输入开关,也就是我们常说的位选信号,PNP三极管为低电平导通,所以我们的位选信号低有效。在这里,为了节约FPGA的IO资源,我们把六个位选信号连接到了三八译码器74HC138D。

从我们的板子硬件原理图上我们可以看清,我们的数码管是红阳极,就是是给一个低电平就是点亮数码管的一个段,那么8段全部给8b0000000那么数码管显示的就是8这个数字了,我们用的是循环显示,是通过sel引脚来选择哪一个数码管亮,也就是说我们的sel的三位为3b000的时候也就是选择第一个数码亮,3b001第二个数码管亮依次类推。

设计架构图:

image.png

设计代码:

顶层模块

0moduleseg_x(clk,rst_n,sel,seg7);//顶层端口

1 inputclk; //输入

2 inputrst_n;

3 output[2:0]sel; //输出

4 output[7:0]seg7;

5

6 wire[23:0]num;

7

8 num_in num_in( //例化输入模块

9 .clk(clk),

10 .rst_n(rst_n),

11 .num(num)

12 );

13

14 seg seg( //例化数码管模块

15 .clk(clk),

16 .rst_n(rst_n),

17 .sel(sel),

18 .seg7(seg7),

19 .data_in(num)

20 );

21endmodule

设计模块

0moduleseg(clk,rst_n,sel,seg7,data_in);//端口定义

1

2 inputclk;

3 inputrst_n;

4 input[23:0]data_in;//输入6个灯的数据

5

6 outputreg[2:0]sel;

7 outputreg[7:0]seg7;

8

9 parameters0 =3'b000;

10 parameters1 =3'b001;

11 parameters2 =3'b010;

12 parameters3 =3'b011;

13 parameters4 =3'b100;

14 parameters5 =3'b101;

15

16 `defineT1ms 50_000 //定义1k的计数值

17 //`define T1ms 5

18 reg[15:0]count;

19 wireflag;

20 always@(posedgeclk ornegedgerst_n)

21 if(!rst_n)

22 begin

23 count <=15'b0;

24 end

25 else

26 if(count ==`T1ms-1)//计数到1MS

27 begin

28 count <=15'b0;

29 end

30 else

31 begin

32 count <=count +1'b1;

33 end

34

35 assignflag =(count ==`T1ms-1)?1'b1:1'b0;//标志位赋值

36

37 reg[2:0]state;

38 reg[3:0]num;

39 always@(posedgeclk ornegedgerst_n)

40 if(!rst_n)

41 begin

42 sel <=3'b0;

43 state <=3'b0;

44 num <=4'b0;

45 end

46 else

47 begin

48 case(state)

49 s0:begin

50 if(flag)

51 state <=s1;//亮第一个灯,给24位数据的 4

52 else

53 begin

54 sel <=3'b000;

55 num <=data_in[23:20];

56 end

57 end

58 s1:begin

59 if(flag) ////亮第2个灯,给24位数据 4

60 state <=s2;

61 else

62 begin

63 sel <=3'b001;

64 num <=data_in[19:16];

65 end

66 end

67 s2:begin

68 if(flag) //亮第3个灯,给24位数据的 4

69 state <=s3;

70 else

71 begin

72 sel <=3'b010;

73 num <=data_in[15:12];

74 end

75 end

76 s3:begin

77 if(flag) //亮第4个灯,给24位数据的4

78 state <=s4;

79 else

80 begin

81 sel <=3'b011;

82 num <=data_in[11:8];

83 end

84 end

85 s4:begin

86 if(flag) //亮第5个灯,给24位数据的4

87 state <=s5;

88 else

89 begin

90 sel <=3'b100;

91 num <=data_in[7:4];

92 end

93 end

94 s5:begin

95 if(flag) //亮第6个灯,给24位数据的4

96 state <=s0;

97 else

98 begin

99 sel <=3'b101;

100 num <=data_in[3:0];

101 end

102 end

103 default:state <=s0;

104 endcase

105 end

106

107 always@(*) //数码管的译码模块

108 begin

109 case(num)

110 0:seg7 =8'b1100_0000;

111 1:seg7 =8'b1111_1001;

112 2:seg7 =8'b1010_0100;

113 3:seg7 =8'b1011_0000;

114 4:seg7 =8'b1001_1001;

115 5:seg7 =8'b1001_0010;

116 6:seg7 =8'b1000_0010;

117 7:seg7 =8'b1111_1000;

118 8:seg7 =8'b1000_0000;

119 9:seg7 =8'b1001_0000;

120 10:seg7 =8'b1000_1000;

121 11:seg7 =8'b1000_0011;

122 12:seg7 =8'b1100_0110;

123 13:seg7 =8'b1010_0001;

124 14:seg7 =8'b1000_0110;

125 15:seg7 =8'b1000_1110;

126 default:;

127 endcase

128 end

129endmodule

输入模块

0modulenum_in(clk,rst_n,num);//端口定义

1 inputclk;

2 inputrst_n;

3

4

5 output[23:0]num;

6

7 assignnum =24'h123456;//给输入一个值,便于下次直接调用

8

9

10

11endmodule

测试模块

0`timescale1ns/1ps//时间精度

1

2moduleseg_tb;

3 regclk; //端口定义

4 regrst_n;

5

6

7 wire[2:0]sel;

8 wire[7:0]seg7;

9

10 initialbegin

11 clk =1'b1;

12 rst_n =1'b0;

13

14 #100.1rst_n =1'b1;

15

16 #200000

17 $stop;

18

19 end

20 always#10clk =~clk;//模拟时钟

21

22 seg_x seg_x_dut( //例化顶层模块

23 .clk(clk),

24 .rst_n(rst_n),

25 .sel(sel),

26 .seg7(seg7)

27 );

28endmodule

仿真:

image.png


在仿真中我们可以看到我们的设计是正确的,第一个灯亮的是f9,也就是也就是对应数码管显示的是1,a4就是2,和我们的输入是正确的。

温馨提示:以上内容整理于网络,仅供参考,如果对您有帮助,留下您的阅读感言吧!
相关阅读
本类排行
相关标签
本类推荐

CPU | 内存 | 硬盘 | 显卡 | 显示器 | 主板 | 电源 | 键鼠 | 网站地图

Copyright © 2025-2035 诺佳网 版权所有 备案号:赣ICP备2025066733号
本站资料均来源互联网收集整理,作品版权归作者所有,如果侵犯了您的版权,请跟我们联系。

关注微信