全球最实用的IT互联网信息网站!

AI人工智能P2P分享&下载搜索网页发布信息网站地图

当前位置:诺佳网 > 电子/半导体 > 可编程逻辑 >

FPGA的电源管理不简单,五个设计死角一定不可忽

时间:2018-03-16 11:57

人气:

作者:admin

标签:

导读:关于为FPGA应用设计优秀的电源管理解决方案已经有许多技术讨论,因为这不是一项简单的任务。 此任务的一个方面涉及找到合适的解决方案并选择最合适的电源管理产品,另一方面则是...

关于为FPGA应用设计优秀的电源管理解决方案已经有许多技术讨论,因为这不是一项简单的任务。此任务的一个方面涉及找到合适的解决方案并选择最合适的电源管理产品,另一方面则是如何优化用于FPGA的实际解决方案。

寻找合适的电源解决方案

寻找功率FPGA最佳解决方案并非易事。许多供应商推销某些适用于FPGA的产品。什么使得选择专门为FPGA供电的DC-DC转换器不多。一般而言,所有功率转换器都可用于为FPGA供电。针对某些产品的建议通常基于以下事实:许多FPGA应用需要多个电压轨,例如用于FPGA内核,I / O以及用于DDR存储器终端的附加轨道。通常将PMIC(电源管理集成电路)(其中多个DC-DC转换器全部集成到单个调节器芯片中)为首选。

一种寻找为特定FPGA供电的良好解决方案的流行方式是使用许多FPGA供应商提供的预先存在的电源管理参考设计。这是优化设计的一个很好的起点。然而,这种设计的修改往往是必要的,因为带有FPGA的系统通常需要额外的电压轨和负载,这些电源轨也需要供电。对参考设计的补充通常也是必要的。需要考虑的另一件事是FPGA的输入功率不是固定的。输入电压很大程度上取决于实际的逻辑电平以及FPGA正在实施的设计。完成对电源管理参考设计的修改后,它将与参考设计的原始建议看起来有所不同。

图1图1. LTpowerCAD工具选择合适的DC-DC转换器来为FPGA供电。

LTpowerCAD可用于为各个电压轨提供电源解决方案。它还提供了一系列参考设计,为设计人员提供了一个很好的起点。可从ADI公司网站免费下载LTpowerCAD。

一旦选择了电源架构和单个电压转换器,我们就需要选择合适的无源元件并设计电源。当这样做时,我们需要牢记FPGA的特殊负载要求。

这些是:

个人目前的要求

电压轨排序

电压轨的单调上升

快速功率瞬态

电压准确度

个人电流要求

任何FPGA的实际电流消耗在很大程度上取决于用例。不同的时钟和不同的FPGA内容需要不同的功率。因此,在FPGA系统设计过程中,典型FPGA设计的最终电源规格必然会发生变化。FPGA制造商提供的功耗估算工具有助于计算解决方案所需的功率级别。在构建实际硬件之前,这些信息非常有用。尽管如此,FPGA的设计需要是最终的,或者至少接近最终的,以便利用这种功率估计器获得有意义的结果。

通常情况下,工程师会考虑最大的FPGA电流来设计电源。然后,如果事实证明,实际的FPGA设计需要更少的功率,它们会缩减电源。

电压轨序列

许多FPGA需要不同的电源电压轨才能以特定的顺序出现。在I / O电压上升之前,通常需要提供内核电压。否则一些FPGA将被损坏。为了避免这种情况,电源需要按正确的顺序排序。通过使用标准DC-DC转换器上的使能引脚,可以轻松完成简单的上电顺序。但是,通常还需要控制降序测序。仅启用引脚排序时,很难取得好的结果。更好的解决方案是使用具有高级集成式排序功能的PMIC,例如ADP5014图2中以红色表示可启动可逆向逆序排列的特殊电路模块。

图2图2. ADP5014 PMIC,集成了对灵活的上行和下行排序的支持。

图3显示了使用此设备完成的排序。ADP5014上的延迟(DL)引脚可以轻松调整上行和下行时序的时间延迟。

如果使用单独的电源,附加的测序芯片可以负责所需的开/关顺序。LTC2924就是一个例子,它可以控制DC-DC转换器的使能引脚来打开和关闭电源,或者它可以驱动高端N沟道MOSFET来连接和分离FPGA到某个电压轨。

图3图3.多个FPGA电源电压的启动和关闭顺序。

电压轨的单调上升

除了电压排序之外,启动过程中电压的单调上升也可能是必要的。这意味着电压只会线性上升,如图4中的电压A所示。此图中的电压B显示电压不是单调上升的示例。当负载在启动过程中开始以一定的电压电平拉动大电流时会发生这种情况。防止这种情况的一种方法是允许更长时间的电源软启动并选择能够快速提供大量电流的电源转换器。

图4图4.电压A单调上升,电压B不单调上升。

快速功率瞬变

FPGA的另一个特点是FPGA非常迅速地开始绘制高电流。它们在电源上造成高负载瞬态。出于这个原因,许多FPGA需要大量的输入电压去耦。陶瓷电容器在VCORE和器件的GND引脚之间使用非常紧密高达1 mF的值非常普遍。这种高电容有助于减少对电源的需求,以提供非常高的峰值电流。但是,许多开关稳压器LDO具有指定的最大输出电容FPGA的输入电容要求可能超过电源允许的最大输出电容。

电源不喜欢巨大的输出电容,因为在启动期间,该电容组看起来像是开关稳压器输出端的短路。有这个问题的解决方案。长时间的软启动时间可以使大电容器组上的电压稳定地升高,而无需电源进入短路电流限制模式。

图5图5.许多FPGA的输入电容要求。

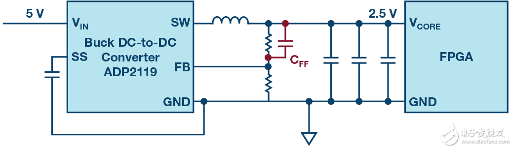
某些电源转换器不喜欢过度输出电容的另一个原因是该电容值成为调节环路的一部分。集成环路补偿的转换器不允许输出电容过大,以防止稳压器的环路不稳定。如图6所示,通常可以通过使用高端反馈电阻上的前馈电容来影响控制环路。

图6图6.前馈电容允许在没有环路补偿引脚可用时进行控制环路调整。

对于电源的负载瞬态和启动行为,包括LTpowerCAD,尤其是LTspice的开发工具链非常有用。一种有助于建模和仿真的效果是将FPGA的大输入电容与电源的输出电容去耦。图6显示了这个概念。虽然POL(负载点)电源趋向于位于负载附近,但通常在电源和FPGA输入电容之间存在一些PCB走线。当电路板上有多个彼此相邻的FPGA输入电容器时,离电源最远的那些输入电容器对电源的传输功能的影响较小,因为它们之间存在一些电阻,但也会有寄生线迹电感。这些寄生电路板电感可以允许FPGA的输入电容大于电源输出电容的最大极限,即使所有电容连接到电路板上的同一节点。在LTspice中,寄生曲线电感可以添加到原理图中,并且可以模拟这些影响。当电路建模中包含足够的寄生元件时,仿真结果接近实际。

图7图7.电源输出电容和FPGA输入电容之间的寄生去耦。

电压准确度

FPGA电源的电压精度通常需要非常高。只有3%的变化容差带是相当普遍的。例如,在3%的电压精度窗口内保持Stratix V内核电源电压为0.85 V,就需要一个仅为25.5 mV的完整容限。这个小窗口包括负载瞬变后的电压变化以及直流精度。同样,包括LTpowerCAD和LTspice在内的可用电源工具链在电源设计过程中对于严格的要求至关重要。

最后一条建议是关于选择FPGA输入电容器。为了快速提供大电流,通常选择陶瓷电容器。他们为此目的很好地工作,但他们需要被选择,以便他们的真实电容值不会随直流偏置电压下降。一些陶瓷电容器,尤其是Y5U类型的陶瓷电容器,当其直流电压偏置到最大额定直流电压时,它们的真实电容值只会降低到标称面值的20%。

温馨提示:以上内容整理于网络,仅供参考,如果对您有帮助,留下您的阅读感言吧!
相关阅读
本类排行
相关标签
本类推荐

CPU | 内存 | 硬盘 | 显卡 | 显示器 | 主板 | 电源 | 键鼠 | 网站地图

Copyright © 2025-2035 诺佳网 版权所有 备案号:赣ICP备2025066733号
本站资料均来源互联网收集整理,作品版权归作者所有,如果侵犯了您的版权,请跟我们联系。

关注微信