全球最实用的IT互联网信息网站!

AI人工智能P2P分享&下载搜索网页发布信息网站地图

当前位置:诺佳网 > 电子/半导体 > 可编程逻辑 >

最全最详细的继电器的选型规范

时间:2017-12-11 09:38

人气:

作者:admin

标签:

导读:为了正确的选用继电器,需要了解继电器的特性,确认这些特性是否符合使用要求,如能在实际使环境中进行确认则更为可靠。继电器的选用原则参见表 1,在表中“必须确定”栏中有“...

为了正确的选用继电器,需要了解继电器的特性,确认这些特性是否符合使用要求,如能在实际使环境中进行确认则更为可靠。继电器的选用原则参见表 1,在表中“必须确定”栏中有“”号的项目被确定之后,就可选定一款继电器。如果有进一步的要求,需要进一步考虑“参考”栏中有“”号的相应项目。

以下对上表中的一些项目进一步说明1 触点1.1 触点负载确定继电器所能承受的负载是否满足使用要求时,除了需要确定负载的大小,还要确定实际负载的种类,因为不同的负载有不同的稳态值,见表 2。除非另有说明,一般说明书给出的负载是阻性负载。

显示了有代表性的负载与冲击电流和时间的关系。另外,根据继电器有不同动、静触点的极性也会影响电耐久性。

1.2 触点材料对于同一款继电器,不同的触点材料所适用的负载种类或范围略有不同。见表 3。

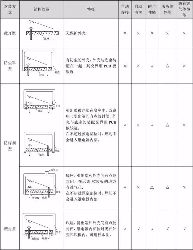
备注:(1) 每种继电器必须要考虑说明书中规定的最大电流值。(2) 一般条件充许时,最好在实际使用中进行试验确认。(3) 触点的覆金层对于中、小负载性能较好。但对于负载的情况,通常仅用于维护在继电器使用前的触点的初始接触性能。1.3 电耐久性除非另有说明,一般说明书显示的电耐久性是在额定负载、一定温度、负载比和动作频率下测得的标称值,因此对于其它负载种类和切换频率,电耐久性会不同。一般对于 2A 以上的负载,同一款继电器的防焊剂型和防尘罩型的电耐久性比塑封型的要长,因此在环境允许的条件下尽量使用防焊剂型和防尘罩型断电器以提高继电器使用寿命。2 线圈2.1 电压为了使继电器工作可靠,要保证工作线路能给继电器线圈供给额定电压。在采用晶体管驱动继电器时,由于晶体管本身固有的压降会导致施加在继电器线圈上的电压值低于驱动电路的各义值,建议在晶体管驱动电路电压为 5V 是选用 4.5V 规格的继电器。有时为了缩短继电器动作时间,可以在短时间内给线圈施加最大允许电压,但要确保继电器不会过热,甚至损坏。对于极化继电器,请确认线圈电压的极性。2.2 线圈电阻为了使继电器工作可靠,要保证工作线路能给继电器供给标称的线圈功耗,因此要选择合适的线圈电阻。3 性能3.1 封装方式为了保证继电器的可靠性,不同的封装方式对继电器的后加工有不同的要求,见表 4

备注:(1)“√”:好;“×”:不好;“△”:注意;(2)由于塑料具有一定的透气率,所以在有有害气体或要求防爆的情况下请使用密封型继电器。3.2 介质耐压和绝缘电阻请确认这两项参数能满足使用要求,而不会导致线路发生击穿、短路等情况。3.3 抗振动和抗冲击性能请确认这两项参数能满足使用要求,而不会导致继电器在使用过程中发生失效。4 使用环境4.1 环境温度一般在环境温度不超出说明书中所规定的范围时, 继电器均可正常工作。4.2 气氛在较大湿度、甚至会凝露,以及粉尘多的环境下,推荐使用塑封型继电器,因为较大的湿度易加速继电器结构零件的锈蚀,粉尘则易使继电器触点失效。在含有机硅的环境下,推荐使用密封型产品,因为有机硅会使继电器加速触点失效。在含 H2S、 SO2、 NO2 等有害气体的环境下,不能使用防焊剂型和防尘罩型,可用塑封型,并在实际使用中进行试验确认。在实际使用中,如果环境气氛比较好,那么推荐使用防尘罩型或防焊剂型继电器,因为防尘罩型或防焊剂型继电器可获得较塑封型更长的电耐久性。5 外形和安装5.1 外形和安装间隙一般继电器的外形尺寸都有一定的公差,因此在设计电路和安装间隙时,推荐按说明书中规定的最大尺寸进行设计5.2 焊接方式选择继电器的引出端均不含铅,推荐焊接温度和时间为: 240℃~260℃, 2s-5s。若需要进行回流焊,请确认说明书是否说明该款继电器可以进行回流焊。5.3 引出端形式可根据实际情况选择合适的引出端形状(表 6)和安装方法(表 7)

6 其它6.1 安全认证一般 UL/CUL 认证适用于北美洲, VDE 和 TüV 认证适用于欧洲,但由于这些认证的国际权威性,其它大部分国家也认可这些认证。

二、 继电器使用上的注意事项为了正确使用继电器,在选定继电器并了解其特性的同时,还需要了解一些使用上的注意事项,以确保继电器的可靠工作。继电器在使用中有以下其它注意事项:a) 继电器的使用应尽量符合产品说明书所列的各个参数范围。b) 额定负载和寿命是一个参考值,会根据不同的环境因素、负载性质与种类而有较大不同,因此最好在实际或模拟实际的使用中进行确认。c) 直流继电器尽量使用矩形波控制,交流继电器尽量使用正弦波控制。d) 为了保持继电器的性能,请注意不要使继电器掉落或受强冲击。掉落后的继电器建议不再使用。e) 继电器尽量使用于常温常湿,灰尘和有害气体少的环境中。有害气体包括含硫类、硅类和氧化氮类等等的气体。f) 对于磁保持继电器,在使用前应先根据需要将置于动作或复归位置。线圈施加电压时要注意极性、脉冲宽度。g) 对于极化继电器,请注意其线圈电压的极性(+、-)。除此之外还有其它注意事项,以下将大致参照“表 1 继电器的选用原则”的顺序逐一说明。

触点的注意事项触点是继电器中最重要的结构件,触点的使用寿命受触点材料、触点上的电压及电流值(特别是接通时及断开时的电压、电流波形)、负载种类、切换频率、环境情况、接触形式、触点回跳现象等的影响,触点失效多以触点的材料转移、粘连、异常消耗、接触电阻增大等故障现象出现,使用时需要注意。为更好的使用继电器,请参考以下记述的有关触点的注意事项。1.1负载一般在产品说明书中记载了阻性负载的大小, 但只有这些是不够的, 应该在实际的触点电路里进行试验确认。产品说明书中记载的最小负载并非继电器可以可靠切换的标准下限值,这个值由于通断频率、环境条件、被要求的接触电阻的变化、绝对值的不同,可靠程度是不同的。1.1.1电压触点电路的电压,在断开感性电路时存在大于电路电压的反向电压,该电压超高能量越大,导致触点的消耗量和材料转移量也增大,所以需要注意继电器触点所控制负载的类型和大小。同样电流下,继电器能可靠切换的直流(DC)电压值要比交流(AC)电压值要低得多,因为交流电流存在零点(电流为零的点),产生的电弧容易熄灭,而对直流,产生的电弧只能在触点间间隙达到一定值以后熄灭,使得电弧持续的时间较交流情况变得更长,加剧触点的消耗和材料转移。1.1.2电流触点闭合和断开时冲击电流对触点的影响很大。例如负载为电动机或者指示灯的时候,闭合时的冲击电流越大,触点的消耗理和材料转移就越多,更易导致触点粘接而不能断开,请在实际使用时进行确认。1.2使用上的注意事项1.2.1避免同一继电器既通断大负载又通断小负载因为通断较大负载时易产生触点飞溅物,它们会附着于通断微小负载的触点上,导致触点故障,因此,请避免同一继电器既通断大和又通断小负载。若不得不这样使用时,在安装时请将通断微小负载的触点置于通断较大负载的触点上方,但继电器的可靠性会受到影响。1.2.2两组触点并联的注意事项两组触点并联时可以提高接通的可靠性,但不能提高负载的能力,因为两组触点不可能同时打开或闭合。1.2.3关于触点动作与交流负载相位同步的问题继电器触点动作与所切换负载的交流电流相位同步时,如果触点总是在负载电压较高时接通或断开,如图2,会增中触点的粘接或材料转移,从而引起继电器过早失效,请在实际使用中确认是滞用随机相位通断。用计时器、微型计算机等驱动继电器时,有电源相位同步的情况。

1.2.4 高温下的电耐久性继电器在高温下使用时,电耐久性会比常温下使用要低,所以请在实际使用中进行确认。1.2.5 多组触点与负载的连接在有多组触点时,请把触点尽量排列在电源的同一极,负载在电源的另一极如图 3(a),这样可以防止触点与触点间存在电压差造成触点间短路的可能。避免象图 3(b)那样边接。

应避免因触点粘接、电弧导致的短路在电路中,应考虑以几点(参见图 4):1) 一般继电器的触点间隙都比较小,应考虑到可能由于触点间电弧引起短路的情况。请不要使用图 4(b)的电路。推荐使用图 4(a)所示电路,并在触点 Con1 和 Con2 动作之间设定一定的间隔时间。2)应该考虑在触点间粘接或错误动作造成短路时,也不应产生过电流,造成电路超负荷或烧损。3)注意不要使用图 4(d)所示的用两组转换触点构成电动机正、逆转电路。推荐使用图 4(c)所示电路,并在触点 Con1 和 Con2 动作之间投定一定的间隔时间。

1.2.7 避免触点组间短路

由于电气控制投备的小型化使得控制用元器件也趋于小型化,因此在使用有多组触点继电器时,请注意负载的种类及各组触点的电压差情况,推荐各组触点间最好不要存在过大的电压差,以避免触点组间短路。1.2.8 使用长导线时的注意点在继电器触点电路中,使用数十米以上的长导线时,由于导线内有寄生电容量存在,会产生冲击电流,请在触点电路上串联电阻(约 10Ω~50Ω),如图5。

1.2.9 磁保持继电器触点的注意事项在出厂时,一用典磁保持继电器均设置为复归状态,但在运输时或继电器安装时由于受到冲击等可能会变为动作关态,所以建设使用时(电源接入时)根据需要把它设置为必要的关态。1.3 触点保护1.3.1 冲击电流和反向电压接通电动机、电容、螺线管或灯负载时,会引起数倍于稳态电流的冲击电流。断开螺线管、电动机、接触器等感性负载时,会引起数百~数千伏的反向电压。一般常温常压下空气的临界绝缘破坏电压是 200~300V,所以如果反向电压超过此值的时候,在触点间就会产生放电现象。冲击电流和反向电压均会使触点受到很大损害, 明显缩短继电器的使用寿命, 因此适当的使用触点保护电路,可以提高继电器的使用寿命。1.3.2 触点的材料转移现象触点的材料转移现象是指一方的触点材料转移到另一方的触点上,材料转移严重时肉眼可见触点表面的凹凸情况,如图 6,这种凹凸易造成触点粘接。

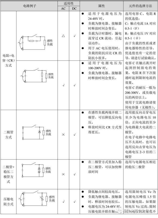
一般,触点的材料转移是由于大电流的单向流动或者容性负载的冲击电流造成,多发生在直流电路,一般表现为阳性凸、阴性凹的形状。因此适当使用触点保护电路、或使用抗材料转移较好的 AgSnO 触点,可缓解触点的材料转移现象。对于大容量的直流负载(数 A~数十 A),必须在实际应用中试验确认。1.3.3 触点的保护电路一般感性负载比电阻性负载更容易使触点受到损作,如果使用适当的保护电路可以使感性负载对触点的影响与电阻性负载基本相当,但请注意如果不正确使用,可能会产生反效果。表 7 是触点保护电路的代表性例子。

注意请避免使用表 8 中所列的触点保护电路。

1.3.4 安装保护元件时的注意事项在安装二极管、 C-R、压敏电阻等保护元件时,必须在负载或者触点的旁边安装。如果距离过远,保护的效果将会不理想。推荐在 50CM 以内安装。2 线圈的注意事项给线圈施加额定电压是使继电器的工作正常的基础。仅施加超过动作电压的电压时,继电器虽然可以工作,但是考虑到电源电压变动、温升等引起的变化,会影响继电器的正常工作,所以必须向线圈施加额定电压。2.1 类型2.1.2 交流动作型(以下简称为 AC 型)一般 AC 型继电器的工作电压基本上都是 50Hz(或 60Hz)的工频电压,建议尽量选用产品说明书上所列出的标准电压规格的产品。对于 AC 型继电器,因伴有涡流损失、磁滞损失和线圈效率降低等因素,所以其温升一般比 DC 型高。在超出额定电压±10%时,易产生蜂鸣声,所以请注意电源电压的变动。对于 AC 型继电器,线圈断电时,供电回路中不能有残留的直流分量电压,否则有可能导致继电器不能正常释放。而且残留的交流分量电压尽可能接近 0VAC,否则有可能导致继电器产生蜂鸣声。2.1.2 直流工作型(以下简称 DC 型)一般 DC 型继电器分多为电压驱动型,建议尽量选用产品说明书上所列出的标准电压规格的产品。

请确认说明书上各继电器线圈的电压极性, 如果附加了抑制用二极管或显示用器件时, 一旦线圈的电压接反,会引起继电器动作不良,或附加器件动作不正常,甚至会引出电路短路,线圈并联二极管或显示用器件(发光二极管),会导致继电器释放时间加长,有可能影响电耐久性,请注意。另外,对于极化继电器,如果线圈上施加的电压的极性与说明书规定的相反,则继电器不会工作。2.2 线圈输入电源2.2.1 交流线圈的输入电源为了使继电器稳定工作,请向线圈施加额定电压。如果向线圈施加(连续施加)不能使继电器完全动作的电压时,线圈会异常发热,致使线圈异常损耗。AC 型继电器的电源电压最好是正弦波形(sine curve),因为在正弦波形的情况下交流线圈能较好的抑制蜂鸣声,如果波形失真或畸变时,则这种抑制功能不能得到很好的发挥。图 7 显示了几种常见波形的例子。

如果在继电器的驱动电路上连接有电动机、螺线管、变压器等器件,当这些器件工作时,继电器线圈上的电压会降低,导致继电器的触点会发生抖动,从而引起触点的粘接、异常损耗、或不通。使用小型变压器时或没有充裕容量的变压器做电源而配线又较长时,或家庭用、商店用等配线较细时,也会出现类似线圈电压降低的现象。如果发生类似故障,请使用用步示波器等进行检测和正确调整。如果采用电动机等变动较大的负载,请根据用途将线圈的驱动电路和电力电路分开。如果交流继电器不能稳定工作时,可将交流变换为直流,然后选用适当的直流继电器。

2.2.2 直流线圈的输入电源为了稳定工作, DC 型继电器的线圈两端所加电压推荐使用波纹变化率小于±5%的线圈额定电压,否则继电器会工作不稳定,引起触点的粘接或异常损耗,特别是在继电器的驱动电路上连接有电动机、螺线管、变压器等器件时,这种情况更为明显。作为 DC 型继电器的电源,有蓄电池、带滤波电容的全波(如图 8)或者半波整流电路等,这些不同的电源种类会影响继电器的动作特性,所以请在实际使用中进行试验确认。

2.3 线圈的最大允许电压线圈的最大允许电压除了受限于线圈温升和线圈漆包线绝缘层材料的耐热温度(一旦超出耐热温度,线圈会发生局部短路,甚至烧坏)之外,还受到绝缘材料的热变形、老化的影响。特别是不能损坏其它机器、危害人体安全或引起火灾,因此要限制在一定的范围之内。所以请不要超出说明书中规定的值。

最大允许电压是可以加到继电器线圈上的电压的最大值,而不是允许连续施加的值。

2.4 线圈温升

2.4.1温升

在继电器动作过程中,线圈会发热使其温度升高。一般在接通时间为 2 分钟以下的脉冲电压下使用时,线圈温升值与接通(ON)时间、及接通与断开(OFF)的比例有关,各种继电器基本相同,参见表 9。

2.4.2 线圈温升引起的动作电压的变化线圈的温度上升会造成线圈电阻的增加,动作电压也会相应升高。铜线的电阻温度系数为每 1℃约升高 0.4%,线圈电阻会按这个比例增加。产品说明书中规定的动作电压、释放电压和复归电压均是在温度为 23℃时的值。在线圈温度高于 23℃时,有时动作电压会超出说明书的规定值,请在实际使用中进行试验确认。2.5 漏电流电路设计时,请注意避免在继电器不工作时有漏电流流过线圈,如图 9 所示。

2.6 线圈施加电压和动作时间AC 型电器根据给线圈施加电压时相位的不同,动作时间上会有偏差。DC 型继电器,虽然提高给线圈施加的电压,继电器的动作时间会适当加快,但触点闭合时的回跳也会变大,在额定负载下工作或冲击电流大的情况会引起寿命降低或者触点的粘接,所以需要注意。2.7 几只继电器的串并联使用几只继电器构成串并联电路时,请注意避免因旁通电流和漏电流而引起误动作,如图 10

2.8 线圈应避免施加渐增电压一般继电器在动作过程中,存在触点压力变化、触点抖动和接触不稳定等阶段,当在线圈上施加的电压是逐渐增加时,会使这一不稳定阶段的时间变长,影响继电器的使用寿命。为了尽量减少这种情况对继电器的影响,请尽量使用阶跃电压(采用开关电路)给线圈供电。2.9 电源线较长时的注意事项如果电源线较长时,请务必在测量继电器线圈两端的电压后,根据施加额定电压的原则选用继电器。如果在与动力线等并行进行长距离配线时,当线圈电源断开时,线圈两端会由于电线的寄生电容产生电压,造成释放不良,在这种情况下,请在线圈两端边接旁路电阻。2.10 长年连续通电线圈长期连续通电时,由于线圈自身发热会促使线圈绝缘材料的老化、特性劣化,因此在这种情况下,请使用磁保持型继电器。必须使用单稳态继电器时,请使用不易受外部环境影响的密封型继电器,并采用适当保护电路以防止万一接触不良或断线时造成损失。2.11 小频率通断通断频率低于 1 个月 1 次时,请定期检查触点接通情况,长期不通断触点时,触点表面可能会生成有机膜造成触点接触不良。2.12 线圈电蚀继电器长期放置在高温、高温的环境中或者连续通电时,如果将线圈接地容易使线圈被电蚀而引起断线,所以请尽量不要将继电器线圈接地。如果线圈不得不接地,请将继电器线圈端的控制开关设置在线圈的正极端。2.13 磁保持继电器线圈的注意事项2.13.1 线圈电压请确认线圈上施加电压的方向是否正确,否则继电器可能不动作。由于磁保持继电器的特性,不允许给线圈长期施加电压,以防止继电器过热烧毁。2.13.2 继电器的自锁请避免使用继电器自己的常闭触点切断自己的线圈,这样会因继电器动作的不稳定性造成故障是,如图 11

2.13.3 并联几只继电器使用的注意事项当磁保持继电器线圈与其它继电器线圈或螺线管并联时,请增加二极管防止反向电压影响继电器的正常工作。2.13.4 动作、复归时的最小脉冲宽度为了使磁保持继电器动作或者复归,请在线圈上施加超过说明书规定的动作或复归时间 5 倍以上时间的矩形额定电压,之后进行操作确认。如果脉冲宽度达不到上述要求,请在实际使用中进行试验确认。请避免在电源含有较多浪涌的条件下使用。2.13.5 双线圈型继电器的注意事项请不要同时向设定线圈和复位线圈施加电压,否则会使继电器异常发热、异常动作,甚至异常损耗。如图 12 所示,当电路上需要将动作线圈和复归线的任意一方端子连接起来,另一方的端子连在电源的同一极上时,请将要连接起来的两个端子直接连接(短路)再连接到电源上,这样可以保持两线圈之间的绝缘良好。

2.13.6 磁保持单线圈继电器的一种驱动电路如图 13 所示为磁保持单线圈继电器的一种驱动电路。当有输入信号时,电流给电容 C 充电,利用这一充电电流给线圈供电,使继电器动作,当去掉输入信号时,电容 C 上储存的电能通过三极管 Tr 和线圈 Coil 放电,使继电器复归。在使用该电路时,请在实际使用中确认电路参数。

3 性能3.1 塑封型继电器的注意事项塑封型继电器有良好的耐环境性,但使用时请注意以下事项以避免产生故障。3.1.1 关于使用环境塑封型继电器不适用于有特别气密性要求的环境,请避免在 86kPa~106kPa 以外的气压下使用。并避免在可燃性、爆炸性气体的环境中使用。这种情况下,请使用密封型继电器。3.1.2 关于清洗在焊接到印制板上后清洗印制板时,建议使用酒精系清洗液进行清洗。请避免超声波清洗,若采用超声波清洗,可能会导致线圈断线和触点的轻微粘接。3.2 振动、冲击继电器在受到较强冲击时,触点会瞬间开断,可能会导致误动作。因此在与其它会产生冲击的器件(如电磁开关、空气开关等)安装在同一板上时,必须采取对策以减小冲击对继电器的影响,如使冲击方向与继电器的触点开闭方向及衔铁的动作方向成直角,或将这些器件分别安将在不同板子上,或使用缓冲片等。另外,对于继电器长期处于振动环境中的情况下(如电压等),请避免与插座组合使用,建议将继电器直接焊接到板上子。3.3 运输时的振动、冲击、负重在运输继电器或装有继电器的装置时,若存在较大的振动、冲击和负重时,可能会导致继电器的功能障碍,请采取可将振动、冲击控制在允许范围内的缓冲包装。4 环境4.1 关于周围温度、环境请注意使用场所的环境温度不要超过产品说明书中规定的值。另外,周围环境中尘埃较多、或有硫化气体(SO2、 H2S 等)或有机气体的情况下,触点表面将生成硫化膜、氧化膜或附着尘埃,从而导致接触不稳定和触点故障,因此请选用密封型继电器。若选用塑封型继电器则需要在实际使用中试验确认。4.2 对继电器有害气体请避免在含有以下气体的环境中使用继电器。在这些环境中,塑封型断电器也不能避免在这些气体对触点的影响,请使用密封型继电器。4.2.1 硅环境若在继电器周围存在硅系物质(如硅橡胶、硅油、硅系涂料剂、硅填充剂等),它们会产生含硅的挥发气体,可能会导致硅附着于触点上引起接触不良。4.2.2 硫化气体(SO2、 H2S)硫化气体易使触点硫化,导致触点接触不良或不导通。4.2.3 氧化氮气体(NOX若在温度较高的环境中通断易产生电弧的负载,则电弧产生的 NOx 会与吸收自外部的水分发生反应生成硝酸,从而腐蚀内部的金属部分给断电器的工作带来障碍。请勿使用于温度高于 85%RH(20℃时的值)的环境。4.3 有水、药品、溶剂、油的环境请不要在继电器会附着到水、药品、溶剂、油等的环境中使用和储存断电器,因为水和药品会引起零件锈蚀、塑料老化,也会导致漏电损害继电器或电路,稀释剂和油会导致标示消失或零件老化。对于使用 PC 外壳的继电器,部分有机溶剂沾附后,还会导致外壳溶胀、开裂。4.4 使用、保管、运输时的环境使用、保管、运输时,请避免阳光直射、并保持常温、常温、常压。可进行使用、运输、保管的温、温度范围如图 14 中非阴影区所示,其中允许的温度随继电器的型式而不同。

推荐的使用、运输、保管的温、温度范围为:1) 温度: 0℃~40℃2) 湿度: 5%RH~85%RH3) 气压: 86kPa~106kPa4.4.1 高温环境在高湿环境中,周围温度急剧变化时,继电器内部可能会结露,从而导致继电器绝缘劣化、线圈断线、生锈等现象。这种环境的典型例子是进行海上运输的船上。结露是指在高湿环境下,温度由高温急速变为低温时,或将继电器由低温急速移至高温中时,水蒸气凝结变城水滴的现象。4.4.2 0℃以下的低温环境在 0℃以下的低温环境中请注意结冰现象。结冰可能会导致可动部分的粘合、动作延迟或阻碍动作等故障。结冰是指结露和异常高温环境中,附着于继电器上的水分在温度降至冰点以下时凝结成冰的现象。4.4.3 低温、低湿环境请注意在低温、低湿环境中,塑料可能会脆化

4.4.4 高温、高湿环境请注意继电器长时间(含运输期间)处于高温、高湿中时,触点表面易生成氧化膜,导致接触不稳定和触点故障,其它金属零件也容易发生氧化或锈蚀,从而产生功能障碍。4.4.5 表面贴装型(SMT 型)继电器的环境SMT 型继电器对湿度比较敏感,因而采用了防湿包装,保管时请注意以下几点:(1)防湿包装袋开封后,请尽早使用。(2)防湿包装袋开封后若需长期保管,建议使用有湿度控制的干燥器。5 外形和安装5.1 关于底视图与顶视图一般从继电器的 PCB 引出端面投影得到的是底视图,而从它的反方向(即继电器外壳顶面)投影得到的是顶视图。请在使用产品说明书和安装继电器时注意。5.2 安装方向除非另有说明,否则一般继电器的安装方向为任意方向,但为使继电器更为稳定和可靠的工作,安装方向也是需要良好考虑的。5.2.1 耐振动冲击性比较理想的安装方法是使触点的动作方向及衔铁的动作方向与振动冲击方向成直角。尤其是在线圈未通电的状态下,常闭触点的耐振耐冲击性较弱,如果安装方向适当将能保证它的性能。如图 15

5.2.2 接触可靠性安装时尽量使继电器的触点面呈竖直方向,这样不仅可避免垃圾、灰尘堆积,也在发生电弧时,使触点的飞溅物和磨损粉末难以附着在触点上。5.3 近距离安装近距离安装多个继电器时,热量的相互干涉可能会导致异常发热,为了避免热量聚集,请设置充分的安装间距。多个基板堆叠安装时,请注意不要使继电器的环境温度超过产品说明书的规定值。5.4 安装耳的安装为了防止破损、变形,安装时请使用垫圈。扭紧力矩请在(0.49~0.686) N·m(5~7)kgf·cm 范围内。为了防止松动,请使用弹簧垫圈。5.5 插入式端子的安装安装插入式端子的继电器时,插入强度请以 40N~70N(4kgf~7kgf)为准。5.6 超声波清洗

请不要使用超声波清洗方式清洗继电器,因为超声波会导致触点粘接、线圈断线等故障。5.7 直插型(THT)继电器的安装与焊接一般 THT 型继电器的安装与焊接分为以下几步,见图 16:

注意如果不小心使焊剂进入继电器,会损害继电器的功能。由于保护构造的不同会有不适合自动焊接或自动清洗的问题,所以请参阅“3.1 封装方式”中所述的构造和特征。5.7.1 安装请不要弯曲继电器的端子(如图 17),这样可能损害继电器的初始性能。请按照产品说明书上的安装孔位图正确加工印制板。请注意保持继电器的平稳。请注意安装用钩子的固定力太大的话可能会引起继电器内部发生故障。

5.7.2 涂抹助焊剂助焊剂请使用非腐蚀性的松香类系列,溶剂请使用化学作用较少的酒精。请薄而均匀的涂抹助焊剂,以防止其浸入继电器内部。对于蘸式涂抹,请保持助焊剂液面稳定。请调整位置使助焊剂不会溢到印制板的上面。请注意不要使助焊剂附着在继电器端子以外的部位,这样可能导致继电器的绝缘降低。请注意对于防尘罩和防焊剂型继电器,不要使用将印制板从上方深深按入蘸有助焊剂的海棉里的涂抹方式,如图 18 所示,这种方式会使助焊剂进入继电器内部。特别要注意的是防尘罩型。

5.7.3 预热为了改善焊接性能,请务必进行预热。请在温度为 100℃以下(印制板焊接面)、时间为 1 分以内的条件下进行预热。请注意不要使用因装置故障等原因而长时间放置于高温中的继电器,它们的初始性能可能己发生改变。5.7.4 焊接焊接注意事项见表 10

5.7.5 冷却自动焊接之后,为了避免因焊接时的热量使继电器或其它部件老化,请在焊接后立即通风冷却。塑封型继电器虽然能够进行清洗,但在刚焊接完成时,请不要将继电器立即送去清洗,因为突然接触较凉的清洗液可能会损坏继电器内部的密封性。5.7.6 清洗清洗时请阅表 11 选择清洗方法。

5.7.7 表面处理

为了防止印制板的绝缘劣化,需要进行表面处理时请注意以下事项。防尘罩型及防焊剂型,会因为表面处理剂进入继电器内部导致发生故障,因此请不要进行表面处理,或在表面处理之后再安装继电器。由于某此表面处理剂对继电器有不良影响,如溶解外壳等,因此请认真选择、并在实际使用时时行试验确认。表面处理剂的温度请不要超过继电器最高的使用温度,而且请在继电器冷至常温时,才能喷涂表面处理剂。关于涂层有以下建议,见表 12.

5.8 表面贴装型(SMT)继电器的安装与焊接一般 SMT 型继电器的安装与焊接分类以下几个,见图 19:

以下记述了将表面贴装型(SMT)继电器焊接在印制板上时的注意点,请作为实际使用时的参考。请注意不要在加工过程中损伤继电器。5.8.1 刷焊膏请选用松香类和不含氯的焊膏,因为氯可能导致继电器出脚和电路板腐蚀。请确认焊膏涂抹均匀,厚度为 0.15mm~0.2mm。5.8.2 安装在安装继电器时,除非说明书里另有声明,否则请将爪子的保持力高定在表 13 所规定的值以内。

5.8.3 运输请确保在运输过程中,继电器不会因受到振动等因素而脱落,以避免因此产生的焊接不良。5.8.4 回流焊接图 20 显示了红外线回焊时印制板板面的温度曲线,但得各继电器的条件可能会有所不同,因此请参阅各继电器的说明书,如果说明书中没有声明,可以使用图示温度曲线。

在刚焊接完成时,请不要将继电器立即送去清洗,因为突然接触较凉的清洗液可能会损坏继电器内部的密封性。请不要将继电器浸渍在焊剂槽中,这样会使塑料变形导致继电器故障。焊接状态请参考图 21。

清洗可进行热洗或浸渍清洗,清洗温度请控制在 40℃以下。请使用醇类或水类清洗液,而不要使用氟利昂、三氯乙烷、稀释剂或汽油进行清洗。请不要进行超声波清洗,否则会引起线圈断线和触点粘接。不当的焊接会导致断电器密封性能下降,此时避免对焊后继电器进行清洗或表面处理(浸涂保护剂)。6 其它注意事项6.1 安全上的注意点请注意在继电器正常工作时,如果用手触摸会有触电的危险。请注意在进行继电器(包括端子台、插座等连接部件)的安装、维护和故障处理时请先切断电源。请注意在进行端子连接时,请先对照产品说明书上的连接图,然后再正确连接。如果连接错误可能会引起无法预期的误动作、异常发热、着火等情况。如果发生触点粘接、接触不良、断线等不良时,会危害至其它财产,甚至生命时,请使用双重安全装置。6.2 长管状包装在使用长管关包装的继电器时,请不要摇摆包装管,使继电器受到冲击,这样可能导致继电器发生故障。如果该包装使用了止动塞,请将止动塞压入贴上继电器,避免继电器在包装管里晃荡。如图 22


温馨提示:以上内容整理于网络,仅供参考,如果对您有帮助,留下您的阅读感言吧!
相关阅读
本类排行
相关标签
本类推荐

CPU | 内存 | 硬盘 | 显卡 | 显示器 | 主板 | 电源 | 键鼠 | 网站地图

Copyright © 2025-2035 诺佳网 版权所有 备案号:赣ICP备2025066733号
本站资料均来源互联网收集整理,作品版权归作者所有,如果侵犯了您的版权,请跟我们联系。

关注微信