全球最实用的IT互联网信息网站!

AI人工智能P2P分享&下载搜索网页发布信息网站地图

当前位置:诺佳网 > 电子/半导体 > EMC/EMI设计 >

开关电源之EMI等效分析

时间:2024-12-06 10:32

人气:

作者:admin

标签:

导读:开关电源之--EMI等效分析 一、开关电源传导EMI 产生的根源 1、测试传导EMI 的线路图 LISN— Line Impedance Stabilization Network 源阻抗稳定网络(人工电源网络)。 LISN 是电力系统中电磁兼容中的...

开关电源之--EMI等效分析

一、开关电源传导EMI 产生的根源

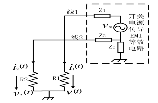
1、测试传导EMI 的线路图

7e19d20c-b15f-11ef-93f3-92fbcf53809c.jpg

LISN— Line Impedance Stabilization Network 源阻抗稳定网络(人工电源网络)。

LISN 是电力系统中电磁兼容中的一项重要辅助设备。它可以隔离电网干扰,提供稳定的测试阻抗,并起到滤波的作用。

LISN 是在进行传导干扰发射测试中,为了客观地考核受试设备(DUT)的干扰,在电网与受试设备之间加入的网络。该网络具有以下功能:

1)、在规定的频率范围内提供一个规定的稳定的线路阻抗。由于电网受各种因素影响,使其线路阻抗不稳定。可是,在传导干扰的测量中,阻抗是非常重要的。为了用电压法在进行传导发射电压的测量中能有一个统一的测试条件,而人为的拟制一个稳定的线路阻抗。一般在射频段提供50Ω网络阻抗。

2)、LISN 将电网与受试设备进行隔离。供给DUT 的电源必须是纯净的。否则,电网将会向DUT 注入干扰,EUT 也会向电网馈入干扰,这就会在EMC分析仪上搞不清哪些是EUT 上的干扰。所以,只有将二者隔离,测量结果才是有效的。

3)、利用LISN 的高通滤波器使DUT 产生的干扰信号耦合至EMC 分析仪上,并阻止电网电压加至EMC 分析仪。供电电源可以是直流,也可以是交流,图中用直流电压源表示,负载用直流电流源表示。

A:在供电电源低频段,上述EMI 测试线路可等效为:

7e2171d8-b15f-11ef-93f3-92fbcf53809c.jpg

此时L1 和L2 可等效为短路,C1 和C2 可等效为开路,低频电流(功率电流部分)不会流入LISN 的两个测试电阻,LISN 不影响开关电源的正常工作点。

B:在EMI 标准规定的频段内,上述EMI 测试线路可等效为:

7e2961f4-b15f-11ef-93f3-92fbcf53809c.jpg

此时L1 和L2 可等效为开路,C1 和C2 可等效为短路,无高频分量的输入电压源和负载也可分别等效为短路及开路,开关电源用其EMI 等效电路等效,它产生的EMI 因LISN 的存在,不会流进输入,而直接流进LISN 的两个电阻,其等效电路如下:

7e3712b8-b15f-11ef-93f3-92fbcf53809c.png

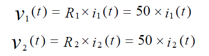
电阻R1 和电阻R2 两端的电压可以用如下式子进行标示:

7e3d2fd6-b15f-11ef-93f3-92fbcf53809c.png

V1(t) 和 V2(t) 分别是线1和线2上的EMI噪声电压,测试时用其频谱标示,单位为dB/uV,从这个等效电路可初步判断,开关电源产生传导EMI 的根源是开关电源内的高频源及到负载之途径的阻抗。实际交流电源的差模噪声是由摇摆的(脉动)电流产生的——但差模噪声源与电压源(电流在阻抗上形成一定的电压)更为相似。另一方面,共模噪声是由摇摆的电压引起的(快速变化的电压在寄生电容上形成快速变化的电流),但共模噪声源更像是电流源。这正是共模噪声更“顽固”的原因,像任何电流源一样,它们要求有流通的回路。因为其路径包括机架,所以外壳变成了高频天线

2、产生传导EMI的根源

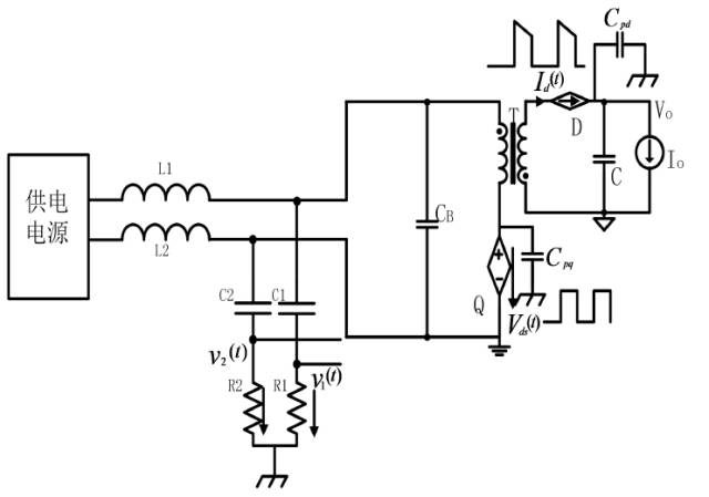
一个开关电源的传导EMI 等效电路,可用下面的一般结构加以表示:

7e446ed6-b15f-11ef-93f3-92fbcf53809c.png

从传导EMI 等效电路可知,产生传导EMI 的根源有三个,一个是EMI 源(在开关电源中,往往是功率开关器件电压或电流波形中的交流分量),一个是EMI 途径(与具体拓扑结构有关),再一个是EMI 的负载。等效电路中的EMI负载是固定的50Ω电阻,而变换的是EMI 源及EMI 途径(用EMI 阻抗等效)。如何确定用不同功率变换器、不同控制方式等等实现的开关电源之传导EMI 等效电路是分析和设计传导EMI 滤波器的关键,同时也是知道抑制传导EMI 的有力手段。

二、开关电源的传导EMI 等效电路

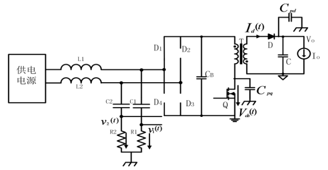
2、反激式开关电源的传导EMI 等效电路

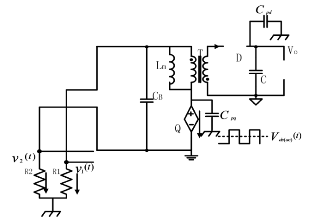
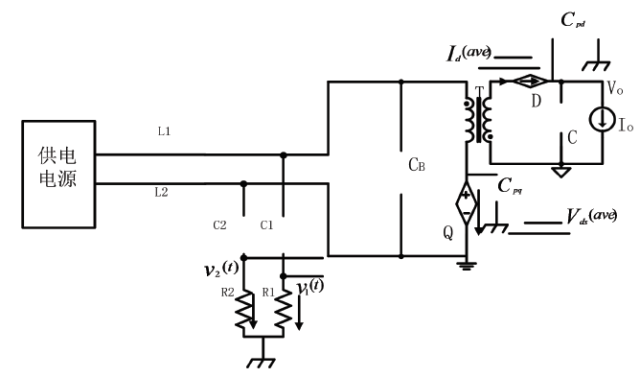
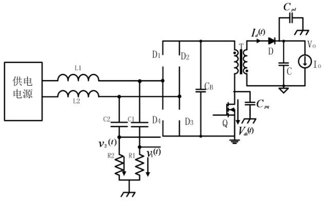
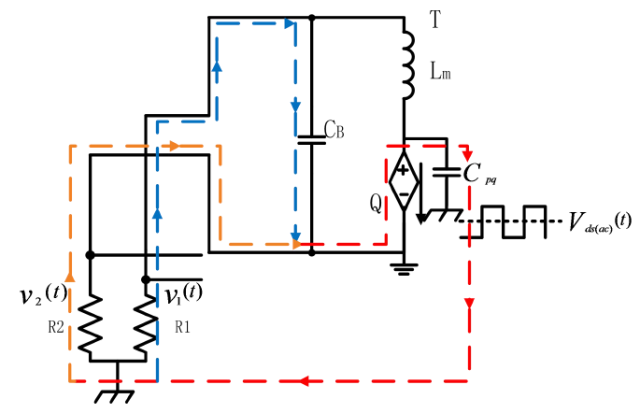
(1)电路原理

7e52759e-b15f-11ef-93f3-92fbcf53809c.png

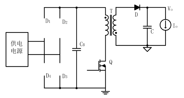
(2)两种工作模式

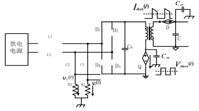
在半个电网周期内,输入整流桥有两种大的工作模式,即:整流桥工作模式Ⅰ和整流桥不工作模式Ⅱ。

7e5fb768-b15f-11ef-93f3-92fbcf53809c.jpg

(3)工作模式Ⅰ的EMI 等效电路推导

3-A、工作模式Ⅰ的等效电路(正负半周工作一样)

7e65570e-b15f-11ef-93f3-92fbcf53809c.png

在工作模式Ⅰ的情况下,两种工作工作模式在正负半周都会出现,此时整流桥是导通工作的。

3-A-1:工作模式Ⅰ在有LISN 时的等效电路

7e6d1584-b15f-11ef-93f3-92fbcf53809c.jpg

3-A-2:工作模式Ⅰ在有LISN 时的等效受控源电路

7e7419e2-b15f-11ef-93f3-92fbcf53809c.jpg

开关变换器的时变因素与非线性因素主要是由开关元件导致的。为了使变换器的等效电路成为线性电路,开关元件平均模型法采取了对开关元件直接进行分析的方法。

首先对开关元件的电压或电流变量在一个开关周期内求平均,并用以该平均变量为参数的受控源代替开关元件,得到等效的平均参数电路。平均参数等效电路消除了变量波形中因开关动作引起的脉动,即消除了时变因素,但仍然是一个非线性电路。这样的电路由于同时包含了直流分量与交流分量的作用,称为大信号等效电路。

其次,若使大信号等效电路中的各平均变量均等于其对应的直流分量,同时考虑到直流电路中稳态时电感相当于短路、电容相当于开路,可以得到变换器的直流等效电路,直流等效电路为线性电路;若使大信号等效电路中的各平均变量分解为相应的直流分量与交流小信号分量之和,即分离扰动,并忽略小信号分量的乘积项(即二阶微小量)使其线性化,再剔除各变量中的直流量,可以得到变换器的小信号等效电路,小信号等效电路也为线性电路。可见,开关元件平均模型法的指导思想仍然是求平均、分离扰动和线性化。

上图中开关管Q 等效为受控电压源,整流二极管D 等效为受控电流源。有源开关Q 时而接通是输入电压Vg,时而短路,用状态变量输入电压的平均值表征有源开关元件Q 的端电压是合理的,因此用一个电压控制的受控电压源来代替有源开关管Q;无源开关D 时而接通副边电感电流,时而开路,由于电感电流是一个状态变量,用电感电流的平均值表征无源开关元件D 的平均电流也是合理的,因此用一个电流控制的受控电流源代替无源开关元件D。

3-A-3:工作模式Ⅰ在有LISN 时的等效受控源平均电路(直流等效)

7e7b4604-b15f-11ef-93f3-92fbcf53809c.png

上图直流等效电路图中,电感L1 和L2 等效为短路,电容等效为开路。

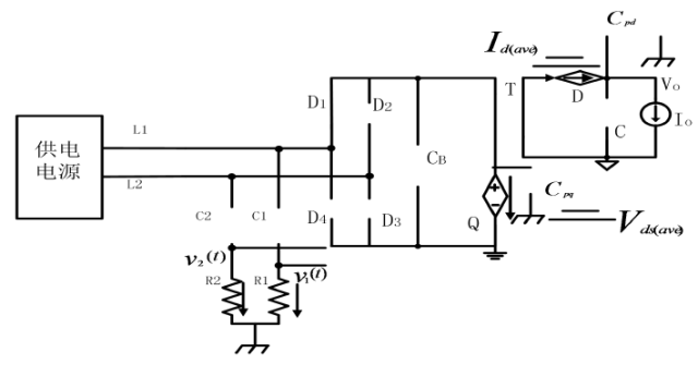
3-A-4:工作模式Ⅰ在有LISN 时的等效受控源平均电路(交流等效)

7e820868-b15f-11ef-93f3-92fbcf53809c.png

在交流等效中,输出负载、电感等效开路,电容、供电电源等效短路。从图中可以看到,开关管 Q的交流分量Vds(ac)(t)和二极管 D 的交流分量Id(ac)(t)可以进行傅里叶变换,分解成不同频率成分的正弦波,频率不一样,阻抗也随着变换,再利用叠加原理将不同频率成分形成的频谱幅度进行相加。

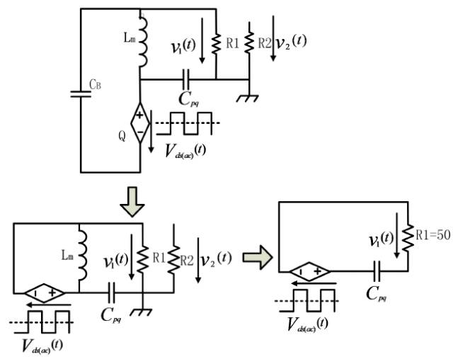
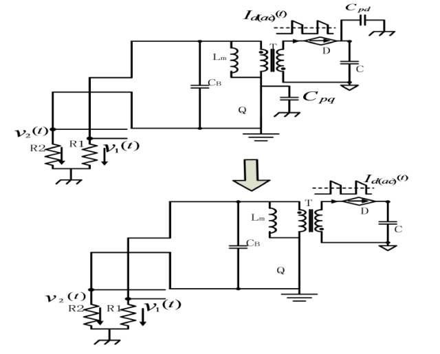
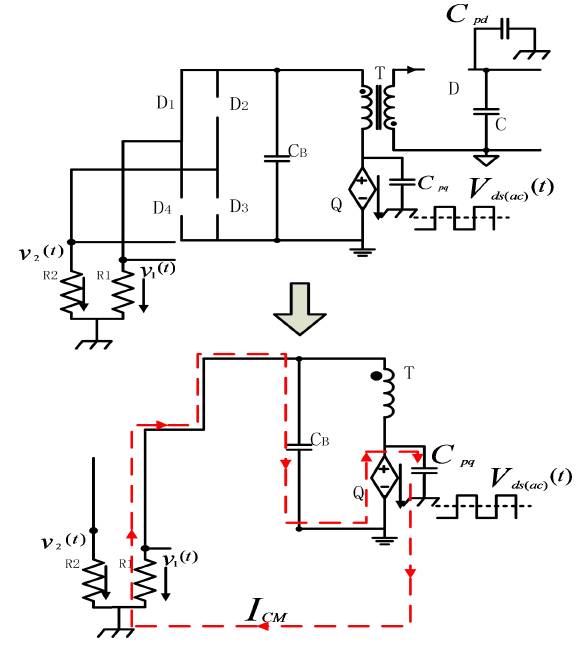
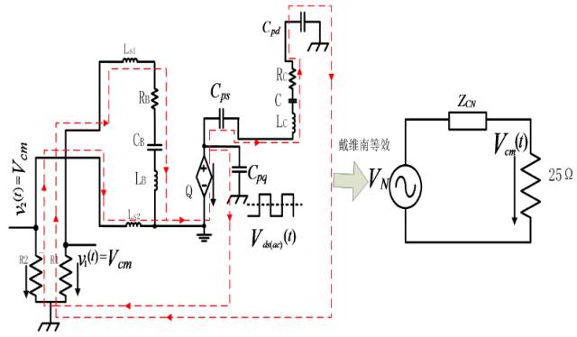
3-B-1:工作模式Ⅰ在原边MOSFET 交流电压分量单独作用下的EMI 等效电路

7e926578-b15f-11ef-93f3-92fbcf53809c.png

在MOSFET 交流电压分量单独作用下,副边电流源开路,由于副边流过电流为零,所以原边电流也为零,在此变压器就不起作用了,只有励磁电感Lm,将上述电路图简化其等效电路图为:

7e9f9608-b15f-11ef-93f3-92fbcf53809c.png

在MOSFET 单独作用下,其差模成分路径为:

7ea7bf68-b15f-11ef-93f3-92fbcf53809c.png

其中,差模成分分两条支路,一条如红色所示,另一条如蓝色所示。在此等效电路中,滤波电容CB 一条支路给差模成分提供了路径,可以知道如果减小滤波电容CB 的阻抗,则对差模成分分流更多,在电阻R1 和R2 形成的电压会更小,仪器检测幅值更低,一般我们都选取等效串联阻抗较小的滤波电容。另一条支路中有激磁电感Lm,单从差模成分的抑制方面考虑,增加激磁电感Lm 的值可以增加阻抗,对差模成分也有良好的抑制作用。

在MOSFET 单独作用下,其共模成分路径为:

7eac5384-b15f-11ef-93f3-92fbcf53809c.png

可知,要想有效减小共模成分,则必须要减小寄生电容Cpq 的容值,增加共模流经路径的有效阻抗。

工作模式Ⅰ在原边MOSFET 交流电压分量单独作用下的EMI 最终等效电路为:

7ec3936e-b15f-11ef-93f3-92fbcf53809c.png

在差模EMI 等效电路中,电阻R1 和电阻R2 处于串联流经差模电流,在电阻R1 和电阻R2 两端分别产生电压为Vdm(t),故在电阻R1 和电阻R2 串联等效电阻100Ω上产生2Vdm(t)。激磁电感Lm 感抗越大对差模抑制越好,对差模分量来说,CCM 模式比DCM 差模要好。

7ed3c856-b15f-11ef-93f3-92fbcf53809c.png

工作模式Ⅰ在原边MOSFET 交流电压分量单独作用下的EMI 最终等效电路

7edff04a-b15f-11ef-93f3-92fbcf53809c.png

7ee7ef5c-b15f-11ef-93f3-92fbcf53809c.png

3-B-2:工作模式Ⅰ在副边二极管交流电流分量单独作用下的EMI 等效电路。

7ef1a1aa-b15f-11ef-93f3-92fbcf53809c.jpg

在低频(150KHz)情况下,忽略变压器寄生电容(在高频情况下变压器层间电容、原副边电容不能忽视)。由于整流二极管对地电容无法形成共模回路,故在LISN 负载上无共模噪声。

工作模式Ⅰ在副边二极管交流电流分量单独作用下的EMI 最终等效电路

7f01c6d4-b15f-11ef-93f3-92fbcf53809c.jpg

差模EMI 等效电路

7f0da06c-b15f-11ef-93f3-92fbcf53809c.png

由于在低频情况下,副边二极管对地寄生电容无法形成共模回路,故没有共模EMI 等效电路。

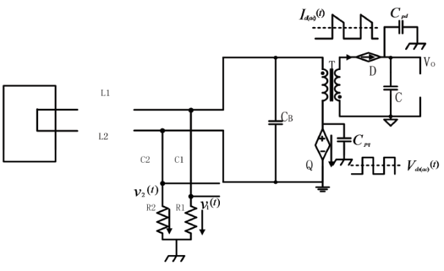
(4)工作模式Ⅱ的EMI 等效电路推导

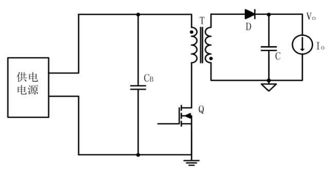
4-A:工作模式Ⅱ-Ⅰ的等效电路

7f1e4782-b15f-11ef-93f3-92fbcf53809c.png

在工作模式Ⅱ中,当D1-D4 都截止时,在LISN 上没有传导EMI 噪声,由下面的测试EMI 的等效电路可知,因没有噪声路径,故不会产生传导EMI 噪声。这种工作模式也可称为工作模式Ⅱ-Ⅰ。

7f2e8426-b15f-11ef-93f3-92fbcf53809c.png

4-B:工作模式Ⅱ-Ⅱ的等效电路

在工作模式Ⅱ中,会出现D1-D4 中的一个二极管导通,其他三个二极管截止的情况,在这种情况下的EMI 等效电路与二极管全部截止时的等效电路不同,与工作模式Ⅰ中的EMI 等效电路不同,这种情况称为Ⅱ-Ⅱ(非固有差模噪声)。

原因:在开关电压变化时,会出现一个瞬间的电容充放电电流,此电流经Cpq、大地和LISN 中的一条支路,在电流最大值不能使整流桥中的一个二极管开通时,其情况就同前面所介绍的,整流桥中的四个二极管均截止,不会产生噪声;

当此电流使整流桥中的一个二极管导通(如0<VAB<VCD时的二极管D1),则其他二极管都会因反偏而截止,本来当这个电流减小到零后,二极管D1 应当截止,当由于整流桥中的二极管是非常慢速的,它无法在开关周期内被关断,所以便导致这个二极管在0<VAB<VCD一直导通;这样整流桥虽然不工作,但有一个二极管是导通的。

下面分析在整流桥不工作但有一个二极管导通时(假定D1 导通)的EMI 等效电路。

7f34dd58-b15f-11ef-93f3-92fbcf53809c.png

4-B-1:工作模式Ⅱ-Ⅱ在有LISN 时的等效受控源平均电路(直流等效)

7f3c0056-b15f-11ef-93f3-92fbcf53809c.png

4-B-2:工作模式Ⅱ-Ⅱ在有LISN 时的等效受控源EMI 电路(交流等效)

7f490206-b15f-11ef-93f3-92fbcf53809c.png

4-C-1:工作模式Ⅱ-Ⅱ在原边MOSFET 交流电压分量单独作用下的EMI 等效电路

7f50782e-b15f-11ef-93f3-92fbcf53809c.jpg

上述等效电路中红色虚线表示共模回路,无差模回路。但是只有电阻R1 有噪声,可以实际理解为差模噪声。

工作模式Ⅱ-Ⅱ在原边MOSFET 交流电压分量单独作用下的EMI 最终等效电路

7f59f34a-b15f-11ef-93f3-92fbcf53809c.jpg

根据前面的分析,单一元件进行作用时差模回路和共模回路的路径,可以得出:

7f68d388-b15f-11ef-93f3-92fbcf53809c.jpg

当有EMI 滤波器时,这个噪声中的差模噪声可以被转化为共模噪声,如4-C-1工作模式中的等效电路,加入差模电容Cx。

4-C-1:工作模式Ⅱ-Ⅱ在原边MOSFET 交流电压分量单独作用下的EMI 等效电路

7f711f66-b15f-11ef-93f3-92fbcf53809c.jpg

由于EMI 滤波器中的差模电容Cx,可使模式Ⅱ-Ⅱ中的差模噪声转化为共模噪声。

4-C-2:工作模式Ⅱ-Ⅱ在副边二极管交流分量单独作用下的EMI 等效电路

7f7c9bfc-b15f-11ef-93f3-92fbcf53809c.jpg

7f866f6a-b15f-11ef-93f3-92fbcf53809c.png

故在工作模式Ⅱ-Ⅱ副边二极管对共模噪声和差模噪声均没有影响。

讨论:

---工作模式Ⅰ与工作模式Ⅱ下的传导EMI 是不同的;

---如在工作模式Ⅱ中的四个二极管均截止,则工作模式因无噪声路径而不产生任何传导EMI;

---如在工作模式Ⅱ中有一个二极管导通,其他三个二极管截止,则工作模式Ⅱ的共模EMI 噪声与工作模式Ⅰ基本相同,而工作模式Ⅱ的差模噪声有可能大于工作模式Ⅰ的差模噪声,也有可能小于工作模式Ⅰ的差模噪声,原因是工作模式Ⅱ在一个二极管导通时有一种非固有的差模噪声存在;

---非固有差模噪声可有通过输入EMI 滤波器中的X 电容,把其转变成对称共模噪声而完全消除;

---上面的EMI 等效电路,仅仅是EMI 低频段的理想等效电路;

---实际的EMI 等效电路,还要考虑变压器的寄生参数、PCB Layout 的引线电感等等;

---如考虑变压器的层间电容时,在其原副边间可以用一个电容参数,此时副边二极管电流分量就会在EMI 负载上产生共模噪声,由于涉及EMI 滤波器参数时,只需考虑低频段的等效电路,故可将这一因素忽略。但对实际高频段的EMI共模噪声进行分析时,则还要考虑副边二极管交流分量通过变压器层间电容对共模噪声的影响。

(5)反激变换器在AC 输入下的EMI 等效电路总结:

5-1:工作模式Ⅰ的EMI 等效电路

7f943a96-b15f-11ef-93f3-92fbcf53809c.jpg

5-2-1:工作模式Ⅱ-I 的EMI 等效电路

当D1-D4 都截止时,在EMI 负载上无任何噪声,所以无EMI 等效电路。

5-2-2:工作模式Ⅱ-Ⅱ的EMI 等效电路

在工作模式Ⅱ-Ⅱ中:在原边MOSFET 电压单独作用时,会有一种非固有差模噪声,但可用EMI 滤波器中的X 电容将其转化为共模噪声。在副边二极管电流单独作用时,因无噪声回路,在EMI 负载上测不到噪声,所以其加X 电容后的EMI等效电容总结为:

7f9c33c2-b15f-11ef-93f3-92fbcf53809c.png

7fa37588-b15f-11ef-93f3-92fbcf53809c.png

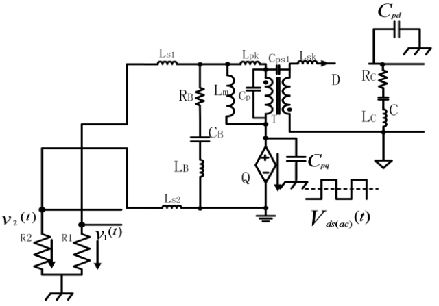
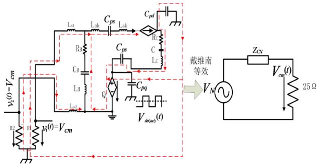
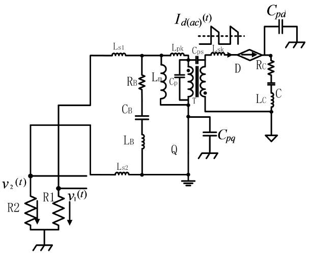
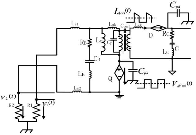
三、开关电源EMI 的高频等效电路(DC/DC 反激开关电源)

直流反激开关电源的高频EMI 等效推导:

7faf7eaa-b15f-11ef-93f3-92fbcf53809c.jpg

(1)原边MOSFET 交流电压分量单独作用下的EMI 等效电路

7fb8a818-b15f-11ef-93f3-92fbcf53809c.png

(1)—A:原边MOSFET 交流电压分量单独作用下的差模EMI 等效电路从

7fc552a2-b15f-11ef-93f3-92fbcf53809c.jpg

从差模EMI 在高频段的等效电路可知,差模等效电路的EMI 源除了和MOSFET电压波形、激磁电感、滤波电容的ESR 有关外,还与变压器、输入滤波电容和引线的其他寄生参数有关。这与在低频段时有很大的差别,同样的EMI 阻抗也与低频段有很大的差别。

(1)-B 原边MOSFET 交流电压分量单独作用下的共模EMI 等效电路

7fcc8a90-b15f-11ef-93f3-92fbcf53809c.jpg

从共模EMI 在高频段的等效电路可知,共模等效电路的EMI 源除了和电压波形、MOSFET 漏极与散热器之间的电容有关外,还与变压器的层间电容、二极管阴极与散热器之间的电容及滤波电容的寄生参数与引线电感等有关。这与在低频段时有很大的差别,同样的EMI 阻抗也与低频段有很大的区别。

(2):副边二极管交流电流分量单独作用下的EMI 等效电路

7fdb3a9a-b15f-11ef-93f3-92fbcf53809c.jpg

(2)—A:副边二极管交流电流分量单独作用下的差模EMI 等效电路

7fe1d512-b15f-11ef-93f3-92fbcf53809c.jpg

从差模EMI 在高频段的等效电路可知,差模等效电路的EMI 源除了和二极管电流波形、激磁电感、滤波电容的ESR 有关外,还与变压器、输入滤波电容和引线的其他寄生参数有关,这与在低频段有很大的差别,同样的EMI 阻抗也与低频段有很大的差别。

(2)—B:副边二极管交流分量单独作用下的共模EMI 的等效电路

7fec1676-b15f-11ef-93f3-92fbcf53809c.jpg

从共模EMI 在高频段的等效电路可知,共模等效电路的EMI 源除了和副边二极管电流波形有关外,还与变压器的层间电容、二极管阴极与散热器之间的电容及滤波电容的寄生参数和引线电感有关。这与在低频段时(可看成无共模路径)有很大的差别。

温馨提示:以上内容整理于网络,仅供参考,如果对您有帮助,留下您的阅读感言吧!
相关阅读
本类排行
相关标签
本类推荐

CPU | 内存 | 硬盘 | 显卡 | 显示器 | 主板 | 电源 | 键鼠 | 网站地图

Copyright © 2025-2035 诺佳网 版权所有 备案号:赣ICP备2025066733号
本站资料均来源互联网收集整理,作品版权归作者所有,如果侵犯了您的版权,请跟我们联系。

关注微信