全球最实用的IT互联网信息网站!

AI人工智能P2P分享&下载搜索网页发布信息网站地图

当前位置:诺佳网 > 电子/半导体 > EMC/EMI设计 >

USB接口电路的电磁兼容性设计注意事项

时间:2023-08-01 09:37

人气:

作者:admin

标签:

导读:USB 端口彻底改变了 PC 外围设备,并变得越来越普及,例如,在计算机上获取测量数据或安装软件更新。作为数据传输的总线系统,在需要连接移动设备的地方随处可见 USB 端口。虽然日...

端口保护

USB 端口彻底改变了 PC 外围设备,并变得越来越普及,例如,在计算机上获取测量数据或安装软件更新。作为数据传输的总线系统,在需要连接移动设备的地方随处可见 USB 端口。虽然日常生活中使用的连接器看似坚固,但是 USB 应用程序的开发人员仍不能忽视对其接口的保护。

甚至在英特尔的“高速 USB 平台设计指南”中都提出了人们对 USB 端口电磁敏感性的关注。

英特尔建议将电流补偿扼流圈用于抑制电磁干扰以及将相关部件用于防止静电放电。电子元件会出现静电放电。因为静电放电脉冲电压高达 30 kV,所以会危害所有类型的集成电路

虽然目前一些集成电路面对静电放电是“安全的”,但这种安全只能在一小部分潜在威胁中得到保证。日常实践表明:额外的保护是不可或缺的。只有具有外部保护才是完整的无静电放电基板,从而可研发高度可靠产品。专门的抑制措施同样有必要。无线连接电子设备再生活中无处不在,且数量还在持续增长。让自己的产品不受辐射干扰很重要。只有考虑到预期的干扰形式,才能将必要的滤波部件迅速融入到设计中并缩短研发时间。众所周知,我们也必须将自己的产品辐射干扰维持在一定水平以下。这是电磁兼容性测试实验室进行的非常精确的评估。如果产品未能通过此测试,则多次返工成本很快就会超过滤波部件的成本。

实际抗干扰性能

说到干扰对 USB 的影响,差模数据传输提供的优势明显优于简单的同轴电缆。在感应干扰效应(磁场)情况中,电线的缠绕可实现对干扰效应的补偿。由于各个双绞线的部分电感的对称化作用,干扰影响此消彼长。实际情况中此抗干扰能力会受到损害。

· 如果 USB 控制器的输入/输出不够对称,则 USB 信号显示出共模干扰。

· 布局并非高频/电磁兼容的寄生电容且波阻抗匹配的缺乏会产生共模干扰。

· 因为电路设计(USB 滤波器)不足,所以滤波器会影响信号质量和/或插入损耗太低。

· 接口设计(插座、壳体)不足。接地较差会降低电缆的屏蔽衰减。滤波器的接地基准欠佳。

· USB 电缆非对称,屏蔽不良,且接地不充分。电缆降低信号质量、辐射信号谐波且对外部干扰源没有充分的屏蔽衰减。

问题:上述部分情况无法去除影响,其中包括购买的 USB 控制器的技术实现或者使用“廉价”USB 电缆的终端用户。因此,采取的保护措施必须能够保护接口,使其免受外部干扰影响,这些外部干扰可能会破坏 USB 控制器并影响通过电缆的信号的干扰辐射。

保护部件的选择

将防止静电放电定义为:按照 EN 61000-4-2 进行保护防止 ESD 脉冲、按照 EN 61000-4-5进行保护防止浪涌脉冲以及按照 EN 61000-4-4 进行保护防止电快速 (EFT) 脉冲。瞬态电压抑制器 (TVS) 二极管必须满足这些功能。这里重要的是:为保护诸如 USB 的快速数据线使其免遭过电压,应采用 TVS 和低寄生电容的陶瓷静电放电抑制器,以便不会出现 USB 信号失真的情况。

瞬态电压抑制器二极管的电容量必须低于 1 pF,而电容量小于等于 0.2 pF 的陶瓷 ESD抑制器是保护 USB 端口的一个不错选择。

在选择部件时需要提出的几个问题:是否有针对轨对轨连接的电源电压(GND < 输入/输出信号 < Vcc)?选取瞬态电压抑制器二极管。是否有电源电压或陶瓷部件是否应是首选部件?在此情况下,必须为可浮置的 VDD 端或使用的静电放电抑制器选择瞬态电压抑制器二极管。其它问题:预期的最大静电放电电压是多少?应保护一个还是两个 USB 端口?顺便提下,如果将一条 USB 数据线连接至瞬态电压抑制器二极管的两个输入/输出引线,则这么做总能提供更好的保护,这就是为什么最好采用瞬态电压抑制器二极管阵列的原因。

请勿忘记电源

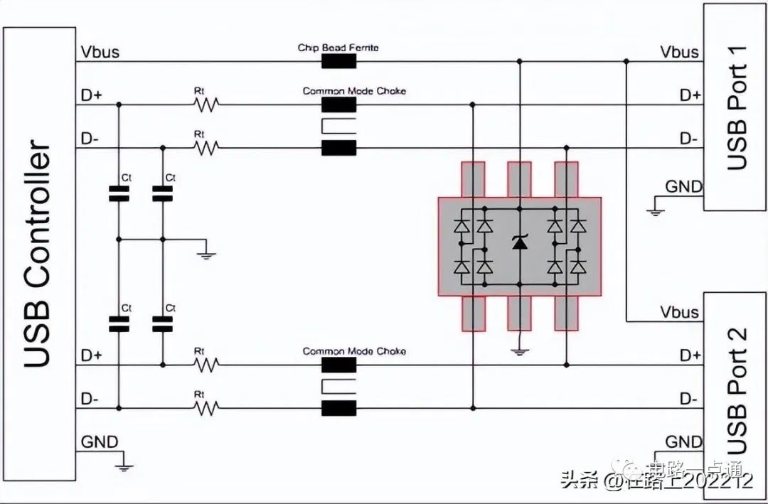
对于端到端电磁兼容合规性设计,电源的滤波也很重要 (VBUS)。许多开发人员忽略了这个问题,想知道为什么它们的产品不能通过 EMC 实验室中的测试。此处介绍的是针对一个或两个 USB 端口的两个优化设计。可采用一个瞬态电压抑制器二极管保护两条 USB 线。保护四条信号线以及公用电源,使其免遭静电放电。可通过设置带有一个电流补偿数据线扼流圈和电容器旨在的滤除输入时的共模和差模干扰的 LC 滤波器而实现再次优化。可采用 WE-CBF 系列的 SMD 铁氧体磁珠在电源处进行良好的抑制。(图 1)

wKgaomTIYgSAQYRiAAD9LEA_ctQ614.jpg

图 1:具有静电放电保护的双端口 USB 端口

务必从信号线到地面连接诸如 WE-VE 系列的静电放电抑制器的单路保护部件。不得将低电容静电放电抑制器用于保护电源,此处一个标准的 SMD 压敏电阻已相当足够。这可吸收更高的能量和更高的峰值电流,所以是设计中的首选。(图 2)

wKgaomTIYgSAGx45AACwTsEsqZ8158.jpg

图 2:与屏蔽数据线相比,电源无需低电容静电放电抑制器。

USB 端口的建议布局

正如图 3 所示,将两条不同信号线(D+ 与 D-)从插塞式连接器传送到 TVS 二极管,继续通过电流补偿数据线扼流圈,直至 USB 控制器。结果是获得了极佳的静电放电保护以及良好抑制了数据线对噪声。通过瞬态电压抑制器二极管将 VBUS 传送到 SMD 铁氧体。在 SMD 铁氧体之后,可插入另一个电容器和另一个 SMD 铁氧体,从而获得 PI 滤波器的最大可能衰减。

wKgZomTIYgSAZm13AAEDWkrvaRM058.jpg

图 3:USB 端口的保护

如果是非常灵敏的集成电路和/或高可靠性研发,则可通过双接触瞬态电压抑制器二极管(824 015 型号)管脚而实现最佳静电放电保护。(图 4)

wKgZomTIYgSAZoZ1AAECK2fvbp4561.jpg

图 4:USB 端口的双重保护

更喜欢单路保护元件的研发者可采用 WE-VE 系列静电放电抑制器。务必从 D+/D 到 GND连接抑制器。此处所示为其它部件的连接。图 5

wKgaomTIYgSAIS8SAAERSbsgt5E917.jpg

图 5:单路元件保护

结论

应避免电磁兼容合规性设计中的风险。必须排除威胁数据通信完整性的干扰 - 尤其是通过 USB 的数据传输。虽然电磁兼容性只是“锦上添花”的功能或在规范和标准中未作要求,但它却是一个衡量质量的重要特征。为在设计中尽早可靠排除电磁兼容性问题,应为快速数据线的特殊条件定制部件,这样做将减小研发工作量,尤其可避免因标准电容兼容测试的结果不理想而返工。

审核编辑:汤梓红

温馨提示:以上内容整理于网络,仅供参考,如果对您有帮助,留下您的阅读感言吧!
相关阅读
本类排行
相关标签
本类推荐

CPU | 内存 | 硬盘 | 显卡 | 显示器 | 主板 | 电源 | 键鼠 | 网站地图

Copyright © 2025-2035 诺佳网 版权所有 备案号:赣ICP备2025066733号
本站资料均来源互联网收集整理,作品版权归作者所有,如果侵犯了您的版权,请跟我们联系。

关注微信