全球最实用的IT互联网信息网站!

AI人工智能P2P分享&下载搜索网页发布信息网站地图

当前位置:诺佳网 > 电子/半导体 > 可编程逻辑 >

FPGA 大神 Adam Taylor 使用 ALINX VD100(AMD Versal系列)

时间:2025-05-16 09:46

人气:

作者:admin

标签:

导读:本篇文章来自 FPGA 大神、Ardiuvo XVtc VtcInst;VideoMode video;XVtc_Config *vtc_config ;int main(){ XVtc_SourceSelect SourceSelect; XVtc_Timing vtcTiming; u32 height,width,status; init_platform(); print("Setting up Timingnr"); vtc_con...

本篇文章来自 大神、Ardiuvo & Hackster.IO 博主 am Taylor。在这里感谢 Adam Taylor 对 ALINX 产品的关注与测试。为了让文章更易阅读,我们在原文的基础上作了一些灵活的调整,包括对一些专业名词进行了补充解释,便于初学者快速理解。原文链接已贴在文章底部。欢迎大家在评论区友好互动。


最近,我在办公室里搞了一块ALINX VD100



这是一块基于 Versal Edge 平台的开发板,功能特别强大,可以用来做图像处理、等各种高阶应用。


为了方便随时开发,我把它连到了公司局域网,远程就能连接,由此开始了我的折腾之旅。


这次,我最想探索的是:怎么在这块板子上跑图像处理的应用


VD100不仅带了两个 MI 摄像头,还能直接连上LCD屏幕,基本满足了图像应用开发的需求。


第一步:让屏幕先亮起来!


搞摄像头太复杂,我决定先从屏幕入手——先通过测试图案生成器(st Pattern Generator)验证 LCD 屏幕图像显示链路的有效性。


ALINX VD100开发板支持的 LCD 屏幕,分辨率是1280×720(WXGA 标准)


数据传输采用的是VESA 标准的 LVDS 接口


这里稍微解释一下:

LVDS(低压差分)是一种高速又抗干扰的数据传输方式,特别适合屏幕传输高速画面。

VESA 和 JEIDA 是常见的两种 LVDS 传输标准,咱们用的是 VESA。VESA 更国际通用,JEIDA 常见于日本厂商。


在 VESA 标准下使用 RG888 格式时,屏幕的每一帧图像数据和控制信号(如同步信号 hsync、vsync)会被打包进 4 条数据通道里,同时还有第 5 条通道专门传时钟(Clock),方便接收端正确还原数据。


wKgZPGgmmPOAY4ghAAAjOE6CVmI04.webp


每次跳动时,每条数据通道都会同步传7 位数据。


听起来有点复杂?简单说就是:用 4+1 条小路,高速搬运屏幕画面。


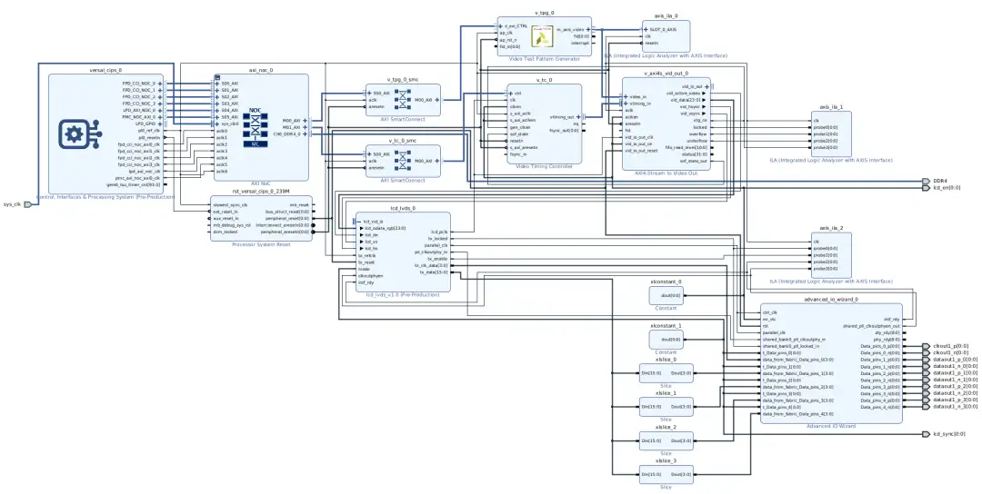
开发流程:搭建系统设计


为了让板子顺利传屏幕数据,我们需要在 Vivado(AMD/Xilinx 的开发工具)里做一套设计,包括:


CIPS
→ 配置 VD100 平台上的 V100 SoM。

NOC
→ 配置 MC,并开两条 MAXI 输出,提供数据存取支持。

测试图生成器 (Video Test Pattern Generator, TPG)
→ 通过 AXI Lite 总线连接到 NOC,生成标准图像(比如彩条、棋盘格)。

视频时序生成器 (Video ming Controller, VTC)
→ 通过 AXI Lite 总线连接到 NOC,生成 LCD 显示需要的同步信号(如 hsync、vsync)。

AXI4-Stream to Video Out
→ 与上述两个生成器相连,把测试图和时序信息组织成并行视频流(RGB888格式)。

LCD_LVDS IP核
→ 把并行视频信号转成符合 LVDS 规范的数据流。

Advanced IO Wizard
→ 负责真正的串行化操作,把数据以 LVDS 标准发出去(包括 4 路数据+ 1 路时钟)。


最终 LCD 屏幕接收到 LVDS 信号并显示图像。


这套设计(可以在我的 GitHub 上找到)如下所示:


wKgZO2gmmPSASNduAAB2nuH_aHI71.webp


通过这个系统,我们可以使用 CIPS 内置的来控制测试图案,从而验证各颜色通道是否正常。


设置和驱动 LCD 显示器的 CIPS 端代码也非常简单,如下所示:

#include < stdio.h >
#include "platform.h"
#include "xil_printf.h"
#include "xvtc.h"
#include "xpaete.h"
#include "xv_tpg.h"
#include "xvi.h"
#include"vga.h"

XV_tpg      tpg;
XVtc	    VtcInst;
VideoMode   video;
XVtc_Config *vtc_config ;

int main()
{
    XVtc_SourceSelect SourceSelect;
    XVtc_Timing vtcTiming;
    u32 height,width,status;
    init_platform();

    print("Setting up Timingnr");
    vtc_config = XVtc_LookupConfig(XPAR_XVTC_0_BASEADDR);        
    XVtc_CfgInitialize(&VtcInst,vtc_config ,XPAR_XVTC_0_BASEADDR);
    
    print("Setting up Videonr");
    video = VMODE_1280x720 ;
	vtcTiming.HActiveVideo = video.width;	
	vtcTiming.HFrontPorch = video.hps - video.width;	
	vtcTiming.HSyncWidth = video.hpe - video.hps;		
	vtcTiming.HBkPorch = video.hmax - video.hpe + 1;	
	vtcTiming.HSyncPolarity = video.hpol;	
	vtcTiming.VActiveVideo = video.height;	
	vtcTiming.V0FrontPorch = video.vps - video.height;	
	vtcTiming.V0SyncWidth = video.vpe - video.vps;	
	vtcTiming.V0BackPorch = video.vmax - video.vpe + 1;;	
	vtcTiming.V1FrontPorch = video.vps - video.height;	
	vtcTiming.V1SyncWidth = video.vpe - video.vps;	
	vtcTiming.V1BackPorch = video.vmax - video.vpe + 1;
	vtcTiming.VSyncPolarity = video.vpol;	
	vtcTiming.Interlaced = 0;

    print("Setting up TPGnr");
        
    	XV_tpg_Initialize(&tpg,XPAR_XV_TPG_0_BASEADDR );
    	status = XV_tpg_IsIdle(&tpg);
    	XV_tpg_Set_height(&tpg, (u32) video.height);
	XV_tpg_Set_width(&tpg, (u32) video.width);
	height = XV_tpg_Get_height(&tpg);
	width = XV_tpg_Get_width(&tpg);
	XV_tpg_Set_colorFormat(&tpg,XVIDC_CSF_RGB);
    	XV_tpg_Set_bckgndId(&tpg,XTPG_BKGND_TARTAN_COLOR_BARS);
	XV_tpg_Set_maskId(&tpg, 0x0);
	XV_tpg_Set_motionSpeed(&tpg, 0x4);
    	XV_tpg_EnableAutoRestart(&tpg);
	XV_tpg_Start(&tpg);
    
    print("Setting up Sourcenr");

    et((void *)&SourceSelect, 0, sizeof(XVtc_SourceSelect));
	SourceSelect.VBlankPolSrc = 1;
	SourceSelect.VSyncPolSrc = 1;
	SourceSelect.HBlankPolSrc = 1;
	SourceSelect.HSyncPolSrc = 1;
	SourceSelect.ActiveVideoPolSrc = 1;
	SourceSelect.ActiveChaPolSrc= 1;
	SourceSelect.VChromaSrc = 1;
	SourceSelect.VActiveSrc = 1;
	SourceSelect.VBackPorchSrc = 1;
	SourceSelect.VSync = 1;
	SourceSelect.VFrontPorchSrc = 1;
	SourceSelect.VTotalSrc = 1;
	SourceSelect.HActiveSrc = 1;
	SourceSelect.HBackPorchSrc = 1;
	SourceSelect.HSyncSrc = 1;
	SourceSelect.HFrontPorchSrc = 1;
	SourceSelect.HTotalSrc = 1;

    print("Run Timing Gennr");    
	
	XVtc_SetGeneratorTiming(&VtcInst, &vtcTiming);
	XVtc_SetSource(&VtcInst, &SourceSelect);
	XVtc_EnableGenerator(&VtcInst);
    XVtc_RegUpdateEnable(&VtcInst);
	XVtc_Enable(&VtcInst);

    while(1){

    };

    cleanup_platform();
    return 0;
}


LCD_LVDS 这个模块,我是直接从 ALINX 的 GitHub 仓库上下载的。


下载好后,把它加到 Vivado 里面,就能像拼积木一样拖进设计里。

LCD_LVDS 下载链接:https://github.com/alinxalinx/VD100_2023.2/tree/master/Demo/course_s1


写好所有程序后,我们让开发板运行,屏幕上果然显示出了测试图案,色彩鲜明,说明各个颜色通道都正常了。开发板和屏幕之间的沟通,算是正式打通了!


wKgZPGgmmPSAAYUWAABx7CtEwZo47.webp

wKgZO2gmmPSARyVfAACVymrdhl078.webp


不过,这里面有个很有意思的事情。


Advanced IO Wizard 这个模块,默认是按 8 位一组来打包数据发出去的。


而我们的 VESA LVDS 传输,要求 7 位一组。这咋办?


我用到了一个叫做 Gearbox 的小模块,把 7 位数据转换成 4 位数据输出。


然后,用 Advanced IO Wizard 把 4 位数据高速串行发出去。


这样就实现了 7 位序列化,虽然中间多了一步变换,但整体还是很高效的。


不过,其实只要手动配置一下,Advanced IO Wizard 也是可以支持直接 7 位打包发送的,只是这次参考了 AMD 的官方应用笔记(参考代码叫 tx_piso_7to1),所以先用了 Gearbox 的方式。


未来有机会的话,我想试着优化一下,直接用 7 位串行模式,把系统做得更简洁高效!


接下来要做的


现在图像输出环节已经搞定了,接下来就是更刺激的前端部分:


通过 MIPI 接口接入摄像头,把真实拍到的图像,实时显示到屏幕上。


真正的图像处理任务,马上就要开始啦!


(未完待续)


审核编辑 黄宇

温馨提示:以上内容整理于网络,仅供参考,如果对您有帮助,留下您的阅读感言吧!
相关阅读
本类排行
相关标签
本类推荐

CPU | 内存 | 硬盘 | 显卡 | 显示器 | 主板 | 电源 | 键鼠 | 网站地图

Copyright © 2025-2035 诺佳网 版权所有 备案号:赣ICP备2025066733号
本站资料均来源互联网收集整理,作品版权归作者所有,如果侵犯了您的版权,请跟我们联系。

关注微信