全球最实用的IT互联网信息网站!

AI人工智能P2P分享&下载搜索网页发布信息网站地图

当前位置:诺佳网 > 电子/半导体 > 可编程逻辑 >

AMD自适应计算加速平台之GTYP收发器误码率测试

时间:2024-04-12 16:22

人气:

作者:admin

标签:

导读:实验VIvado工程为“ibert_test”,目录中还有一个“ibert_ex”,是生成的测试工程。...

实验VIvo工程为“ibert_st”,目录中还有一个“ibert_ex”,是生成的测试工程。

Vidado软件为我们提供了强大的误码率测试器IBERT,不但可以测试误码率还能测试眼图,给我们使用高速带来很大的便利,本实验做个抛砖引玉,简单介绍IBERT的使用。

1.1硬件介绍

使用IBERT测试误码率和眼图必须有个收发环通的硬件,开发板上有2个光纤,本实验把2个光接口收发两两连接,形成2个收发环通链路。

1.2Vivado工程建立

1)新建一个工程名为“ibert_test”

2)在“IP Catalog”中搜索“gt”快速找到“Versal APs Transceivers Wizard”,双击

6213d3b4-f8a5-11ee-a297-92fbcf53809c.png

3)“Component Name”改为”ibert”,并修改preset为“Aurora 64B/66B”

623491a8-f8a5-11ee-a297-92fbcf53809c.png

4)点击Transceiver Configs Protocol 0,配置发送和接收参数,点击OK

62468ea8-f8a5-11ee-a297-92fbcf53809c.png

62620192-f8a5-11ee-a297-92fbcf53809c.png

62761c68-f8a5-11ee-a297-92fbcf53809c.png

5)点击Generate

62ab250c-f8a5-11ee-a297-92fbcf53809c.png

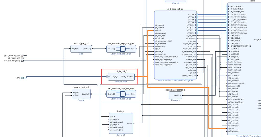
6)右键“Open IP Example Design...”,选择example工程路径

62bbdf82-f8a5-11ee-a297-92fbcf53809c.png

62cdf0d2-f8a5-11ee-a297-92fbcf53809c.png

7)添加buffer连接到apb3clk

62d76c66-f8a5-11ee-a297-92fbcf53809c.png

8)添加反向器连接到复位

6381648c-f8a5-11ee-a297-92fbcf53809c.png

9)其他一些配置为常数0

639b621a-f8a5-11ee-a297-92fbcf53809c.png

10)删除输出信号

63aef000-f8a5-11ee-a297-92fbcf53809c.png

11)配置sfp_disable为0

63c317d8-f8a5-11ee-a297-92fbcf53809c.png

12)将CIPS改成PL system

63e401e6-f8a5-11ee-a297-92fbcf53809c.png

13)约束引脚

63ededfa-f8a5-11ee-a297-92fbcf53809c.png

14)生成pdi文件

64044848-f8a5-11ee-a297-92fbcf53809c.png

1.3下载调试

1)插入光模块,然后使用光纤将2个光口对接,连接好JTAG下载线,给开发板上电

6411fe8e-f8a5-11ee-a297-92fbcf53809c.png

2)使用JTAG下载BIT文件到开发板,可以看到速度接近10.312bps。

643c26aa-f8a5-11ee-a297-92fbcf53809c.png

3)选择IBERT,右键,选择“Create Links”

64516cae-f8a5-11ee-a297-92fbcf53809c.png

参考原理图,光纤连接到了Quad104的CH0和CH1,选择Link 0为Quad_104 CH_0 TX和CH1 RX对应,Link 1为Quad_104 CH_1 TX和CH0 RX对应

6465299c-f8a5-11ee-a297-92fbcf53809c.png

4)修改配置,码流选择PRBS 31,Loopback配置成None

647d1ec6-f8a5-11ee-a297-92fbcf53809c.png

5)配置完,可以点击BERT Reset,可以看到Erro都是0,重新开始测试。

648f7b0c-f8a5-11ee-a297-92fbcf53809c.png

6)选择一个链路,右键“Create S...”

64a14990-f8a5-11ee-a297-92fbcf53809c.png

64b1ceaa-f8a5-11ee-a297-92fbcf53809c.png

7)默认配置出来的眼图,注意:使用不同的软件版本,测量眼图可能会有差异。

64c47f96-f8a5-11ee-a297-92fbcf53809c.png



审核编辑:刘清

温馨提示:以上内容整理于网络,仅供参考,如果对您有帮助,留下您的阅读感言吧!
相关阅读
本类排行
相关标签
本类推荐

CPU | 内存 | 硬盘 | 显卡 | 显示器 | 主板 | 电源 | 键鼠 | 网站地图

Copyright © 2025-2035 诺佳网 版权所有 备案号:赣ICP备2025066733号
本站资料均来源互联网收集整理,作品版权归作者所有,如果侵犯了您的版权,请跟我们联系。

关注微信