全球最实用的IT互联网信息网站!

AI人工智能P2P分享&下载搜索网页发布信息网站地图

当前位置:诺佳网 > 电子/半导体 > 可编程逻辑 >

如何实现一种基于FPGA的红外线遥控系统设计呢?

时间:2024-03-27 11:26

人气:

作者:admin

标签:

导读:红外线(Infrared)是波长介乎微波与可见光之间的电磁波,波长在760纳米(nm)至1毫米(mm)之间,比红光长的非可见光。...

前言

红外线(Infrared)是波长介乎微波与可见光之间的电磁波,波长在760纳米(nm)至1毫米(mm)之间,比红光长的非可见光。红外线遥控是目前使用最广泛的一种通信和遥控手段。由于红外线遥控装置具有体积小、功耗低、功能强、成本低等特点,因而,继彩电、录像机之后,在录音机、音响设备、空凋机以及玩具等其它小型电器装置上也纷纷采用红外线遥控。现在工业设备中,也已经广泛在使用。

设计原理

红外遥控系统主要由红外的发送装置和接收装置组成,发送装置可由按键,编码模块,发射电路等组成,接收装置由红外接收电路,遥控,解码模块等组成,此次设计我们用到的硬件平台式是Altera的DE1_SOC,晶振为50MHZ。

在红外的编码中,我们对1 和 0 的编码是通过38KHZ的脉冲来定义的,在红外的的编码中每个脉冲的为256.25us长的38KHZ载波频率(26.3us),对0,1的脉冲的定义的时间如下图:

ee81b9a8-ebd3-11ee-a297-92fbcf53809c.png

红外的数据格式为包括引导码,用户码,数据码和数据纠错码,停止位编码总为32位。数据反码是数据码反相后的编码,可用于对数据的纠错。此外第二段的用户码可以在遥控应用电路中设置为第一段用户码的反码。

数据格式如下图:

ee8b231c-ebd3-11ee-a297-92fbcf53809c.png

一帧数据在发送时先发送9MS的高电平,然后发送4.5MS的低电平的起始位,然后发送用户码,数据码,数据反码。然后再发送一位的停止位。不发送数据时数据线一直为低。

发送的时序图如下:

ee98b2d4-ebd3-11ee-a297-92fbcf53809c.png

接受的时,接收到的时序和发送的时序恰恰相反,如发送时先发送9ms的高,4.5ms的低,接收为接收9ms的低电平,4.5ms低电平。

接收的控制器我们用的时红外遥控装置,按键发送的数据如下图所示:

eeafd59a-ebd3-11ee-a297-92fbcf53809c.png

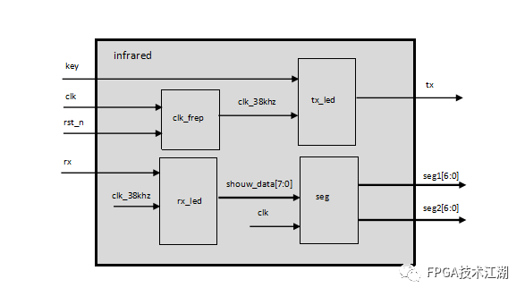
设计框架

设计的总框架如下图:

eec8e1d4-ebd3-11ee-a297-92fbcf53809c.png

在设计中分频模块提供所需要的38KHZ的时钟,当按键按下时发送我们的发送模块发送一个给定的数值,我用户码为8'b0,第二段用户码为8'hff,然后发送给定的数据码,和数据反码。上电后我们的设计会发一次我们给定的数据码,然后在接受模块会接受到其发送的数据并在数码管上显示出来,之后我们可以用我们我的遥控键盘来发送数据,接收模块接收显示出来,通过验证我们接收和发送的正确。

设计代码

顶层模块infrared代码:

module infrared(clk, rst_n, key, tx, seg1, seg2, rx);


  input clk, rst_n;
  input key;
  output tx;
  input rx;
  wire [7:0] show_data;
  output [7:0] seg1,seg2;
  wire [31:0] data_n;
  wire  clk_38khz;
  
  
  clk_frep clk_frep_dut(
    .clk(clk),
    .rst_n(rst_n),
    .clk_38khz(clk_38khz)
  );
  
  encode encode_dut(
    .clk(clk_38khz),
    .rst_n(rst_n),
    .d_out(data_n),
    .key(key)
);
  
  tttxxx tx_dut(
    .clk(clk_38khz), 
    .rst_n(rst_n), 
    .data_n(data_n), 
    .tx(tx), 
    .key(key)
  );
  
  seg seg01(
    .clk(clk),
    .rst_n(rst_n),
    .seg7(seg1),
    .data_in(show_data[3:0])
  );
  
  seg seg02(
    .clk(clk),
    .rst_n(rst_n),
    .seg7(seg2),
    .data_in(show_data[7:4])
  );
  
   rx_led led_dut(
    .clk(clk_38khz), 
    .rst_n(rst_n),
    .rx(rx), 
    .show_data(show_data)
  );
  
  
endmodule

发送模块tttxxx代码:

module tttxxx(clk, rst_n, data_n, tx, key);


  input clk, rst_n;
  input key;
  input [31:0] data_n;
  output reg tx;
  
  reg [31:0] temp;
  reg [8:0] count;
  reg [2:0] state;
  reg data;
  reg [13:0] num;
  reg [31:0] d_data;
  
  parameter T9ms = 342;            //9000/26.3;
  parameter T4500us = 171;      //4500/26.3;
  parameter T0 = 21;          //(1125-562.25)/26.3;
  parameter T1 = 63;          //(2250-562.25)/26.3;
  parameter T562us = 21;        //562.25/26.3;
  parameter T = 2666;           
  reg T9_flag;
  reg T45_flag;
  reg T0_flag;
  reg T1_flag;
  reg T9_down;
  reg T45_down;
  reg T0_down;
  reg T1_down;
  reg [9:0] cnt9;
  reg [9:0] cnt45;
  reg [9:0] cnt0;
  reg [9:0] cnt1;
  reg [9:0] cnt562;
  reg t0_clk, t1_clk;
  
  always @ (posedge clk)
    if(!rst_n)
      begin
        count <= 0;
        state <= 0;
        tx <= 0;
        data <= 0;
        num <= 0;
        temp <= 0;
        d_data <= {8'b0,8'hff, 8'b10100010, 8'b01011101};
      end
    else
      case (state)
        0  :  if(count < 10)
              begin
                tx <= 0;
                count <= count + 1;
              end
            else if(!key)
              begin
                count <= 0;
                state <= 1;
                T9_flag <= 1;
                tx <= 1;
              end
        
        1  :  if(T9_down)
              begin
                state <= 2;
                T45_flag <= 1;
                tx <= 0;
                T9_flag <= 0;
              end
            else
              begin
                tx <= 1;
                state <= 1;
              end
        
        2  :  if(T45_down)
              begin
                state <= 3;
                tx <= 0;
                T45_flag <= 0;
              end
            else
              tx <= 0;
        
        3  :  if(count < 32)
              begin
                count <= count + 1;
                if(!d_data[31 - count])
                  begin
                    T0_flag <= 1;
                    state <= 4;
                    T1_flag <= 0;
                  end
                else
                  begin
                    T1_flag <= 1;
                    state <= 5;
                    T0_flag <= 0;
                  end
              end
            else
              begin
                count <= 0;
                state <= 6;
                T0_flag <= 0;
                T1_flag <= 0;
              end
        
        4  :  if(T0_down)
              begin
                state <= 3;
                tx <= 0;
              end
            else
              begin
                tx <= t0_clk;
              end
        
        5  :   if(T1_down)
              begin
                state <= 3;
                tx <= 0;
              end
            else
              tx <= t1_clk;
        
        6  :   if(count < T562us - 1)
              begin
                count <= count + 1;
                tx <= 1;
              end
            else
              begin
                
                tx <= 0;
              end
        default:  state <= 0;
      endcase


  always @ (posedge clk)
    if(!rst_n)
      begin
        T9_down <= 0;
        cnt9 <= 0;
      end
    else if (T9_flag)
      begin
        if(cnt9 < T9ms - 1)
          begin
            T9_down <= 0;
            cnt9 <= cnt9 + 1;
          end
        else
          begin
            T9_down <= 1;
            cnt9 <= 0;
          end
      end
  
  always @ (posedge clk)
    if(!rst_n)
      begin
        T45_down <= 0;
        cnt45 <= 0;
      end
    else if (T45_flag)
      begin
        if(cnt45 < T4500us - 1)
          begin
            T45_down <= 0;
            cnt45 <= cnt45 + 1;
          end
        else
          begin
            T45_down <= 1;
            cnt45 <= 0;
          end
      end
  
  reg [9:0] cnt00;
  always @ (posedge clk)
    if(!rst_n)
      begin
        t0_clk <= 0;
        T0_down <= 0;
        cnt0 <= 0;
        cnt00 <= 0;
      end
    else if (T0_flag)
      begin
        if(cnt0 < T562us - 1)
          begin
            t0_clk <= 1;
            cnt0 <= cnt0 + 1;
            T0_down <= 0;
          end
        else 
          begin
            if(cnt00 < T0 - 1)
              begin
                cnt00 <= cnt00 + 1;
                t0_clk <= 0;
                T0_down <= 0;
              end
            else
              begin
                T0_down <= 1;
                cnt0 <= 0;
                cnt00 <= 0;
              end
          end
      end
  
  reg [9:0] cnt11;
  always @ (posedge clk)
    if(!rst_n)
      begin
        t1_clk <= 0;
        T1_down <= 0;
        cnt1 <= 0;
        cnt11 <= 0;
      end  
    else if (T1_flag)
      begin
        if(cnt1 < T562us - 1)
          begin
            t1_clk <= 1;
            cnt1 <= cnt1 + 1;
            T1_down <= 0;
          end
        else 
          begin
            if(cnt11 < T1 - 1)
              begin
                cnt11 <= cnt11 + 1;
                t1_clk <= 0;
                T1_down <= 0;
              end
            else
              begin
                T1_down <= 1;
                cnt1 <= 0;
                cnt11 <= 0;
              end
          end
      end
      
endmodule 

接收模块rx_led代码:

0    module rx_led(clk, rst_n, rx, show_data);
1    
2    input clk, rst_n;
3    input rx;
4    output reg [7:0] show_data;
5    
6    reg [1:0] state;
7    reg [7:0] cnt;
8    reg temp;
9    reg [9:0] num;
10   reg flag;
11   reg [31:0] data; 
12   reg [1:0] state_s;
13   reg flag_x;
14   reg [12:0] count;
15   
16   parameter T = 2566;   // 一帧数据的时间
17   
18   //这个模块是中因为接受的32位编码数据中,不管是位0还是位1,接受的低电平都是相同的,
19   //我们可以通过来判断高电平的时间来确定为位1 还是位0,位’1‘ 1.68MS,位0 562.25us
20   always @ (posedge clk)
21     if(!rst_n)
22       begin
23         num <= 0;
24         data <= 0;
25         state_s <= 0;
26         flag_x <= 0;
27         count <= 0;
28       end
29     else
30       begin
31         case (state_s)
32           0  :   if(!rx)            //判断起始位,是否接受=收数据
33                 begin
34                   state_s <= 1;
35                   flag_x <= 0;
36                   count <= count + 1;
37                 end
38               else
39                 begin
40                   flag_x <= 0;
41                   state_s <= 0;
42                   count <= count + 1;
43                 end
44           
45           1  :  if(num < (342 + 171 - 1))  //延迟9ms + 4.5ms的起始时间
46                 begin
47                   num <= num + 1;
48                   state_s <= 1;
49                   count <= count + 1;
50                 end
51               else
52                 begin
53                   num <= 0;
54                   state_s <= 2;
55                   count <= count + 1;
56                 end
57           
58           2  :   if(flag && num < 32)    //flag来的时候表示接到了位1 ,或者位0,
59                             //通过移位寄存器来获取32位数据
60                 begin
61                   data <= {data[30:0],temp};
62                   state_s <= 2;
63                   num <= num + 1;
64                   count <= count + 1;
65                 end
66               else if(num == 32)
67                 begin
68                   state_s <= 3;
69                   num <= 0;
70                   count <= count + 1;
71                 end
72               else
73                 state_s <= 2;
74           
75           3  :  if(num < 21 - 1)    //延迟结束位的时间
76                 begin
77                   num <= num + 1;
78                   count <= count + 1;
79                 end
80               else
81                 begin
82                   if(count == T - 1)    //延迟一帧数据的时间后,发送一个标志位
83                     begin
84                       num <= 0;
85                       state_s <= 0;
86                       flag_x <= 1;
87                       count <= 0;
88                       count <= count + 1;
89                     end
90                   else
91                     count <= count + 1;
92                 end
93           default: state_s <= 0;
94         endcase
95       end
96       
97   always @ (posedge clk)
98     if(!rst_n)
99       begin
100        cnt <= 0;
101        state <= 0;
102        temp <= 0;
103        flag <= 0;
104      end
105    else
106      if(state_s > 1 && state_s < 3)
107      case (state)
108        0  :   if(rx)    
109              begin
110                cnt <= cnt + 1;
111                state <= 1;
112                flag <= 0;
113              end
114            else
115              begin
116                state <= 0;
117                flag <= 0;
118              end
119              
120        1  :  if(!rx) 
121              begin
122                cnt <= cnt;
123                state <= 2;
124              end
125            else
126              cnt <= cnt + 1;
127        
128        2  :  if(400 < cnt * 26 &&  cnt * 26 < 600)    //判断高电平的时间
129              begin
130                temp <= 0;
131                flag <= 1;
132                state <= 0;
133                cnt <= 0;
134              end
135            else if (1400 < cnt * 26 && cnt * 26 < 1700)  //判断高电平的时间
136              begin
137                temp <= 1;
138                flag <= 1;
139                state <= 0;
140                cnt <= 0;
141              end
142            else
143              begin
144                state <= 0;
145                cnt <= 0;
146              end
147        default: state <= 0;
148      endcase
149  
150  always @ (*)      //接收完一帧数据后,当标志位来的时候通过对数据的纠错来捕获数据
151              //我们接收的数据用的是左移,而发送的时候先发的是低位
152    if(!rst_n)
153      show_data <= 0;
154    else if((data[7:0] == ~data[15:8]) && (data[31:24] == ~data[23:16]) && flag_x)
155      begin
156        show_data[0] <= data[15];
157        show_data[1] <= data[14];
158        show_data[2] <= data[13];
159        show_data[3] <= data[12];
160        show_data[4] <= data[11];
161        show_data[5] <= data[10];
162        show_data[6] <= data[9];
163        show_data[7] <= data[8];
164      
165      end
166    else
167      show_data <= show_data;
168      
169 endmodule

数码管seg模块:

0   module seg(clk, rst_n, seg7, data_in);
1 
2   input clk;
3   input rst_n;
4   input [3:0] data_in;
5   
6   output reg [7:0] seg7;
7   
8   
9   `define T1ms  50_000 //分频出1k的时钟
10  //`define T1ms  5
11  reg [15:0] count;
12  reg flag;
13  always @ (posedge clk or negedge rst_n) 
14    if(!rst_n)
15      begin
16        count <= 15'b0;
17        flag <= 1;
18      end
19    else
20      if(count == `T1ms /2 - 1)
21        begin
22          count <= 15'b0;
23          flag <= ~flag;
24        end
25      else
26        begin
27          count <= count + 1'b1;
28        end
29  
30  always @ (posedge flag)
31    if(!rst_n)
32      seg7 <= 8'b1010_0100;
33    else
34      begin
35        case (data_in)
36          0:seg7 <= 8'b1100_0000;
37          1:seg7 <= 8'b1111_1001;
38          2:seg7 <= 8'b1010_0100;
39          3:seg7 <= 8'b1011_0000;
40          4:seg7 <= 8'b1001_1001;
41          5:seg7 <= 8'b1001_0010;
42          6:seg7 <= 8'b1000_0010;
43          7:seg7 <= 8'b1111_1000;
44          8:seg7 <= 8'b1000_0000;
45          9:seg7 <= 8'b1001_0000;
46          10:seg7 <= 8'b1000_1000;
47          11:seg7 <= 8'b1000_0011;
48          12:seg7 <= 8'b1100_0110;
49          13:seg7 <= 8'b1010_0001;
50          14:seg7 <= 8'b1000_0110;
51          15:seg7 <= 8'b1000_1110;
52          default:;
53        endcase
54      end
55
56 endmodule

分频模块clk_frep代码:

0   module clk_frep(clk, rst_n, clk_38khz);
1 
2   input clk, rst_n;
3   output reg  clk_38khz;
4   
5   reg [9:0] count;
6   
7   //分频出红外模块所用的38Khz的时钟
8   //也可以用占空比为1:3的38khz的时钟
9   
10  always @ (posedge clk or negedge rst_n)
11    if(!rst_n)
12      begin
13        count <= 0;
14        clk_38khz <= 1;
15      end
16    else if(count == (50_000_000 / 38000 / 2 - 1))
17      begin
18        clk_38khz <= ~clk_38khz;
19        count <= 0;
20      end
21    else
22      count <= count + 1'd1;
23
24  endmodule
仿真测试

测试模块infrared_tb代码:

0   `timescale 1ns/1ps
1 
2 module infrared_tb();
3 
4   reg clk, rst_n;
5   reg key;
6   wire tx;
7   wire [7:0] show_data;
8   
9   //因为我们代码中只发送一次数据,所以可以把key一直拉低
10  
11  initial begin
12    clk = 1;
13    rst_n = 0;
14    key = 1;
15    
16    #100.1 rst_n = 1;
17    
18    #200  key = 0;    
19
20  end
21  
22  always # 10 clk = ~clk;
23
24  infrared dut(
25    .clk(clk), 
26    .rst_n(rst_n), 
27    .key(key), 
28    .tx(tx),
29    .rx(rx),
30    .seg1(seg1),
31    .seg2(seg2)
32  );
33
34 endmodule

仿真图:

仿真中我们可以把数码管模块的计数器的值改小一点,便于仿真。

eef13ecc-ebd3-11ee-a297-92fbcf53809c.png

如图中所示的我们发的是32’h00ffa25d,那么数据为是8’b1010_0010,那么先发送时就时就按下面的序列开始0100_0101接收到的为45,所以工程正确。




审核编辑:刘清

温馨提示:以上内容整理于网络,仅供参考,如果对您有帮助,留下您的阅读感言吧!
相关阅读
本类排行
相关标签
本类推荐

CPU | 内存 | 硬盘 | 显卡 | 显示器 | 主板 | 电源 | 键鼠 | 网站地图

Copyright © 2025-2035 诺佳网 版权所有 备案号:赣ICP备2025066733号
本站资料均来源互联网收集整理,作品版权归作者所有,如果侵犯了您的版权,请跟我们联系。

关注微信