全球最实用的IT互联网信息网站!
AI人工智能P2P分享&下载搜索网页发布信息网站地图
EMC常见公式大全
阅读全文2024-11-19
EMC整改的正确方法
PCB高级EMC设计
阅读全文2024-11-16
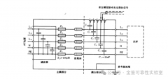
EMC滤波器的类型
UPS电源“十全十测”之3:电磁兼容性测试
开关电源EMC设计指导
阅读全文2024-11-15
直面行业痛点,引领行业发展 -比创达 “AI&
阅读全文2024-11-10
电磁兼容测试:电快速瞬变脉冲群的抗扰度评估
阅读全文2024-11-08
照明产品中常见的EMC测试项目有哪些
阅读全文2024-11-07
FCC认证的电磁兼容测试是什么
阅读全文2024-11-04
技术干货 | 深度解读GB/T 45086.1-2024 EMC部分
电磁兼容(EMC)对系统效能的影响:技术
TPSF12C1 用于单相系统的共模有源 EMI 滤波
案例70:PCB布线不合理造成网口雷击损坏
CPU | 内存 | 硬盘 | 显卡 | 显示器 | 主板 | 电源 | 键鼠 | 网站地图
Copyright © 2025-2035 诺佳网 版权所有 备案号:赣ICP备2025066733号 本站资料均来源互联网收集整理,作品版权归作者所有,如果侵犯了您的版权,请跟我们联系。