全球最实用的IT互联网信息网站!
AI人工智能P2P分享&下载搜索网页发布信息网站地图
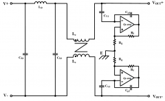
新型的有源EMI滤波器(AEF)电路分析
阅读全文2023-10-30
无线充电系统电磁屏蔽与效率优化方案
EMI案例:交错并联SiC逆变器的环流纹波预测模型
电路级ESD防护方法
阅读全文2023-10-28
如何远离EMC困扰!
阅读全文2023-10-27
赛盛技术参加2023中国电磁兼容及电磁环境效应技
如何防止静电放电损伤呢?ESD的测试方法解析
阅读全文2023-10-26
各个元器件在EMC中的应用详解
热管理对EMI的影响
阅读全文2023-10-25
磁环选型的攻略和EMC整改的技巧
技术干货 | 深度解读GB/T 45086.1-2024 EMC部分
电磁兼容(EMC)对系统效能的影响:技术
TPSF12C1 用于单相系统的共模有源 EMI 滤波
案例70:PCB布线不合理造成网口雷击损坏
CPU | 内存 | 硬盘 | 显卡 | 显示器 | 主板 | 电源 | 键鼠 | 网站地图
Copyright © 2025-2035 诺佳网 版权所有 备案号:赣ICP备2025066733号 本站资料均来源互联网收集整理,作品版权归作者所有,如果侵犯了您的版权,请跟我们联系。