全球最实用的IT互联网信息网站!
AI人工智能P2P分享&下载搜索网页发布信息网站地图
基站拉远FSU的防雷设计方案
阅读全文2023-10-20
电磁兼容对应概念定义 一个电磁兼容问题包含哪
阅读全文2023-10-19
深圳接力“PCB电磁兼容设计与审评”即将开课
纹波和开关噪声的产生及抑制方法
阅读全文2023-10-18
Boost型DC-DC辐射EMI分析
浅谈TL DCDC EMI传导问题
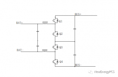
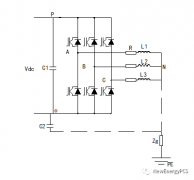
如何解决三相非隔离DCAC EMI的传导问题?
电磁环境的控制限制标准
浅谈系统应用EMI传导问题1
开关电源EMC整改案例-辐射骚扰
技术干货 | 深度解读GB/T 45086.1-2024 EMC部分
电磁兼容(EMC)对系统效能的影响:技术
TPSF12C1 用于单相系统的共模有源 EMI 滤波
案例70:PCB布线不合理造成网口雷击损坏
CPU | 内存 | 硬盘 | 显卡 | 显示器 | 主板 | 电源 | 键鼠 | 网站地图
Copyright © 2025-2035 诺佳网 版权所有 备案号:赣ICP备2025066733号 本站资料均来源互联网收集整理,作品版权归作者所有,如果侵犯了您的版权,请跟我们联系。