全球最实用的IT互联网信息网站!
AI人工智能P2P分享&下载搜索网页发布信息网站地图
简述Arria10接口JESD204B的与ADI9144性能
阅读全文2018-06-20
讲述 Arria 10 早期功耗估算器的作用与用途
如何编写C应用程序并在Cyclone V SoC DevKit中运行A
关于Nios II 以太网设计的调试技术(2)
简述 FPGA_DIY 开发板的基础功能
简谈FPGA的上电复位
阅读全文2018-06-18
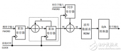
基于ROM的任意波形发生器(DDS)
FPGA学习系列:18. 数码管的设计
FPGA学习系列:19. rom到数码管显示设计
FPGA学习系列:20. ram控制器的设计(调用IP核)
英特尔FPGA 支持阿里云的加速即服务
Elecfans百万电子工程师社群,等你来加入
使用Linux UIO框架实现ARM和FPGA的高效通信
英特尔Agilex FPGA在双轴电机控制系统的应
CPU | 内存 | 硬盘 | 显卡 | 显示器 | 主板 | 电源 | 键鼠 | 网站地图
Copyright © 2025-2035 诺佳网 版权所有 备案号:赣ICP备2025066733号 本站资料均来源互联网收集整理,作品版权归作者所有,如果侵犯了您的版权,请跟我们联系。