全球最实用的IT互联网信息网站!
AI人工智能P2P分享&下载搜索网页发布信息网站地图
FPGA学习系列:2. 工程project的建立
阅读全文2018-05-31
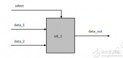
FPGA学习系列:二选一数据选择器的设计
FPGA学习系列:仿真测试文件的编写
FPGA学习系列:5.阻塞赋值与非阻塞赋值
FPGA学习系列:6.组合逻辑和时序逻辑
FPGA学习系列:8. 流水灯的设计
为什么数据中心使用FPGA越来越多?
FPGA比CPU和GPU快的原理是什么
介绍一下xilinx的开发软件vivado的仿真模式
阅读全文2018-05-29
FPGA是如何实现30倍速度的云加速的?
英特尔FPGA 支持阿里云的加速即服务
Elecfans百万电子工程师社群,等你来加入
使用Linux UIO框架实现ARM和FPGA的高效通信
英特尔Agilex FPGA在双轴电机控制系统的应
CPU | 内存 | 硬盘 | 显卡 | 显示器 | 主板 | 电源 | 键鼠 | 网站地图
Copyright © 2025-2035 诺佳网 版权所有 备案号:赣ICP备2025066733号 本站资料均来源互联网收集整理,作品版权归作者所有,如果侵犯了您的版权,请跟我们联系。